См. Документы Министерства спорта Российской Федерации
Утверждены
приказом Министерства спорта
Российской Федерации
от 1 октября 2025 г. N 808
ПРАВИЛА ВИДА СПОРТА "ВОДНОЛЫЖНЫЙ СПОРТ"
I. ОБЩИЕ ПОЛОЖЕНИЯ
1.1 Применимость правил
Настоящие правила вида спорта "воднолыжный спорт" (далее - Правила) разработаны общероссийской спортивной федерацией по виду спорта "воднолыжный спорт" (далее - Федерация) с учетом правил Международной федерации водных лыж и вейкборда (далее - IWWF).
Настоящие Правила являются обязательными для всех организаций, проводящих спортивные соревнования, включенные в Единый календарный план межрегиональных, всероссийских и международных физкультурных мероприятий и спортивных мероприятий, физкультурных мероприятий и спортивных мероприятий субъектов Российской Федерации, муниципальных образований и городских округов по виду спорта "воднолыжный спорт" (далее - соревнования) на территории Российской Федерации.
Спортивные ситуации, не нашедшие отражения в настоящей редакции Правил, трактуются на основании правил, процедур, регламентов и других официальных документов IWWF.
Участниками соревнований являются представители команд, тренеры (помощники тренеров), спортсмены, судьи, ассистенты и так далее. Участники соревнований обязаны в своих действиях руководствоваться настоящими Правилами.
1.2 Голосование судей
Все спорные вопросы на соревнованиях решаются простым большинством назначенных судей (кроме специально оговоренных в Правилах случаев, где требуется большинство в 2/3 голосов) или судей по спортивной дисциплине. В случае равенства голосов, решение принимает главный судья.
Все спорные вопросы должны быть решены до старта следующего участника.
1.3 Исключения из правил.
Исключения и изменения в правилах допустимы в числе видов и кругов, количестве финалистов, способах жеребьевки, определении личных и командных мест в отдельных видах и многоборье, проведении официальных тренировок и тому подобное. Эти вопросы должны быть отражены в Положении о соревнованиях.
В вопросах гомологации, характеристик дистанций, требований к оборудованию (катера, буксировочные тросы, лыжи и так далее), хронометража, определения технических результатов отклонения от правил не допустимы. Если изменения необходимы при проведении соревнований, они вносятся с одобрения большинства назначенных судей. Обо всех изменениях главный судья должен написать в отчете о соревнованиях.
1.4 Майки со стартовыми номерами
Может потребоваться, чтобы спортсмены выступали в майках со стартовыми номерами. Внешний вид и устройство маек со стартовыми номерами должны быть утверждены главным судьей и организатором соревнований. На стартовом пирсе должны быть запасные майки на случай, если майка со стартовым номером, выданная участнику, будет повреждена и придет в негодность.
Каждый спортсмен обязан носить ту майку со стартовым номером, которая была назначена и выдана лично ему. Спортсмен, отказавшийся выступать в майке со стартовым номером, дисквалифицируется.
1.5 Допинг - контроль
Все спортсмены должны согласиться пройти допинг-контроль. Процедура детализирована в медицинских правилах IWWF.
1.5.1 Каждый участник соревнований обязан регулярно проходить медицинское обследование не позднее, чем за полгода до соревнований и иметь соответствующее письменное подтверждение о возможности участия в соревнованиях. Спортивные организации, которые представляют участников соревнований, несут ответственность за здоровье своих спортсменов и их готовность к участию в соревнованиях. Участие в соревнованиях осуществляется только при наличии договора (оригинала) о страховании от несчастных случаев и полиса обязательного медицинского страхования.
Медицинское обеспечение на соревнованиях осуществляется врачебным персоналом медучреждений.
1.5.2 Антидопинговый контроль
Использование запрещенных методов и допинговых препаратов запрещено. Любое нарушение "Антидопинговых Правил IWWF" предусматривает соответствующее наказание.
Спортсмены и/или другие лица несут ответственность за знание того, что представляет собой нарушение антидопинговых правил, а также субстанций и методов, включенных в запрещенный список ВАДА.
Персональной обязанностью каждого спортсмена является недопущение попадания запрещенной субстанции в его организм, а также недопущение использования запрещенных методов.
Допинг-контроль может быть осуществлен во время любого официального спортивного соревнования, а также в любое другое время. Подробное описание содержится в Антидопинговых правилах IWWF.
Все лица (спортсмены, тренеры, руководители команд, врачи и другие), участвующие в соревнованиях, проводимых под юрисдикцией Федерации, должны быть полностью осведомлены относительно процедурных правил и требований антидопингового контроля, изложенных в документах, выпускаемых РУСАДА (http://rusada.ru/documents/all-russian-anti-doping-rules).
1.5.3 Медицинское обеспечение турниров
Оказание скорой медицинской помощи при проведении турниров осуществляется в соответствии с приказом Министерства здравоохранения Российской Федерации от 23.10.2020 N 1144н "Об утверждении порядка организации оказания медицинской помощи лицам, занимающимся физической культурой и спортом (в том числе при подготовке и проведении физкультурных мероприятий и спортивных мероприятий), включая порядок медицинского осмотра лиц, желающих пройти спортивную подготовку, заниматься физической культурой и спортом в организациях и (или) выполнить нормативы испытаний (тестов) Всероссийского физкультурно-спортивного комплекса "Готов к труду и обороне" (ГТО)" и форм медицинских заключений о допуске к участию физкультурных и спортивных мероприятиях".
Для допуска к участию в соревновании каждый спортсмен должен иметь:
медицинское заключение (медицинская справка) о допуске к участию в спортивных соревнованиях на определенный срок с периодом действия, полностью покрывающим сроки проведения соревнования, или заявку на соревнование с отметкой "допущен". Медицинские заключения (медицинские справки) подписываются врачом по спортивной медицине либо уполномоченным представителем медицинской организации, имеющей сведения о прохождении УМО спортсменом, и заверяются печатью медицинской организации, независимо от организационно-правовой формы, имеющей лицензию на осуществление медицинской деятельности, предусматривающую выполнение работ (оказание услуг) по "спортивной медицине", "лечебной физической культуре и спортивной медицине";
полис страхования жизни и здоровья от несчастных случаев в спорте (вид спорта - "воднолыжный спорт"), действующий на дату окончания соревнования.
Страхование участников соревнования может производиться как за счет бюджетных, так и внебюджетных средств, в том числе из личных средств участников, в соответствии с действующим законодательством Российской Федерации и субъектов Российской Федерации. Страховой полис должен действовать во все время проведения соревнований, включать покрытие расходов на травмы в спорте (вид спорта - "воднолыжный спорт").
1.6 Неспортивное поведение
Любой участник (спортсмен, официальное лицо), чье поведение оказывается неспортивным или может дискредитировать Федерацию на или вне, до, во время или после соревнований, может быть дисквалифицирован на все или часть соревнования, включая завершенные виды и/или оштрафован (порядок наложения штрафа устанавливается руководящим органом Федерации) по решению 2/3 назначенных судей. Наказуемому должна быть предоставлена возможность объяснения до принятия решения о дисквалификации.
1.6.1 Противоправное влияние на результаты официальных спортивных соревнований
Всем организаторам, участникам и зрителям запрещается оказывать противоправное влияние на результаты официальных спортивных соревнований (манипулирование официальными спортивными соревнованиями).
В случае установленных фактов противоправного влияния на результаты официальных спортивных соревнований со стороны любых официальных лиц (спортсменов, тренеров, судей, представителей команд) дело передается на рассмотрение Дисциплинарного комиссию ФВЛС России, в соответствии с решением которого к виновным могут быть применены спортивные санкции, включая дисквалификацию.
Запрещается участвовать в азартных играх в букмекерских конторах и тотализаторах путем заключения пари на официальные спортивные соревнования в соответствии с требованиями, установленными пунктом 3 части 4 статьи 26.2 Федерального закона от 4 декабря 2007 г. N 329 "О физической культуре и спорте в Российской Федерации". В случае нарушения команда дисквалифицируется с соревнований в полном составе.
1.7 Положение о соревнованиях
Положение о соревнованиях утверждается организацией, проводящей соревнования и должно освещать следующие вопросы:
цели и задачи соревнований;
место и сроки проведения соревнований;
руководство соревнованиями;
начальные условия в слаломе в основном и финальном кругах;
программа (расписание) соревнований;
порядок и условия определения личного и командного зачета;
принципы награждения победителей;
условия допуска, приема и обеспечения участников;
форма, сроки и место представления предварительных и окончательных заявок на участие в соревнованиях;
организация безопасности.
Положение о соревнованиях должно быть направлено участвующим организациям не позднее, чем за 2 месяца до начала соревнований.
1.8 Программа соревнований
Предварительная программа определяется Положением о соревнованиях.
Окончательная программа определяется главным судьей в соответствии с положением о соревнованиях, количеством заявленных спортсменов, расположением дистанций и другими особенностям проведения соревнований.
1.9 Изменение программы соревнований
Судейская коллегия может изменить программу соревнований только при неблагоприятных погодных условиях, при технических неисправностях и других форс-мажорных обстоятельствах, руководствуясь соображениями безопасности. Решение принимается большинством голосов назначенных судей.
1.10 Организационный комитет
Для руководства подготовкой и проведением соревнований назначается организационный комитет. В функции оргкомитета входят:
подготовка мест проведения соревнований;
обеспечение участников (спортсменов, судей, представителей команд, тренеров) жильем, питанием, транспортом;
организация церемоний открытия и закрытия соревнований, показательных выступлений;
медицинское обеспечение соревнований и организация спасательной службы;
организация информационной службы и группы технического обслуживания;
мероприятия по пропаганде соревнований, освещение хода и результатов соревнований в прессе, по радио и телевидению;
организация культурных мероприятий для участников соревнований;
привлечение правительственных, правоохранительных органов, спонсоров;
обеспечение вспомогательных позиций в судействе соревнований, таких как секретарь, видеооператоры и другие.
1.11 Организатор соревнований, проводящая организация
Организатор соревнований:
определяет место и сроки проведения спортивных соревнований;
разрабатывает и утверждает регламент спортивных соревнований;
согласовывает регламент с проводящей организацией (при наличии);
согласовывает подготовку места проведения соревнований и всего необходимого для проведения соревнований в соответствии с настоящими Правилами и регламентом соревнований;
назначает главную судейскую коллегию соревнований и председателя комиссии по допуску участников к спортивным соревнованиям.
Проводящая организация - организация, утверждаемая организатором соревнований, которая берет на себя процесс организации и проведения соревнований. Проводящая организация создает оргкомитет по согласованию с организатором соревнований для проведения соревнований и решения следующих вопросов:
обеспечить подготовку и оборудование места проведения соревнований трассами; трамплином и другим необходимым оборудованием, катерами-буксировщиками, спасательными катерами, помещениями для судей, для хранения инвентаря, раздевалками для спортсменов, оргтехники и материалов и назначить лиц, ответственных за отдельные виды обеспечения;
обеспечить прием, размещение и питание участников, тренеров, представителей команд и судей;
согласовать проведение соревнований с местными органами власти;
обеспечить медицинское обслуживание;
обеспечить безопасность участников и зрителей;
обеспечить транспортное обслуживание (при необходимости), связь и техническое обслуживание;
разрабатывает информационный бюллетень с полной информацией о месте проведения соревнований, проживании, транспорте, времени тренировок и другие;
по возможности обеспечить изготовление афиш, информирование населения через средства массовой информации о проводимых соревнованиях;
подготовить торжественное открытие и закрытие соревнований.
Программа соревнований определяется Главным судьей.
1.12 Обеспечение безопасности участников и зрителей
Обеспечение мер общественного порядка и общественной безопасности при проведении соревнований осуществляется за счет средств Организаторов соревнований и (или) собственников, пользователей объектов спорта в соответствии с положением о соревновании и (или) договорами, заключенными Организаторами соревнований и собственниками, пользователями объектов спорта, в соответствии с Федеральным законом N 329-ФЗ и требованиями Правил обеспечения безопасности при проведении официальных спортивных соревнований, утвержденных постановлением Правительства Российской Федерации.
Ответственность за нарушение правил обеспечения безопасности при проведении соревнований несут Организаторы соревнований, собственники, пользователи объектов спорта в соответствии с законодательством Российской Федерации.
1.12 Официальные тренировки
В зависимости от количества заявленных участников спортивного соревнования могут быть зарезервированы несколько дней для проведения официальных тренировок, которые включаются в программу соревнования утвержденная Главным судьей.
В дисциплинах катер - слалом, катер - фигурное катание, катер - прыжки с трамплина каждый спортсмен, в срок подавший заявку на тренировку, может иметь возможность осуществить:
4 прохождения по дистанции слалома (6 минут);
2 прохождения по дистанции фигурного катания (5 минут);
3 попытки в прыжках с трамплина (6 минут).
Проведение официальных тренировок возлагается на проводящую соревнования организацию. Сроки подачи заявок на тренировки и их стоимость определяются регламентом соревнований.
2. ХАРАКТЕРИСТИКА СОРЕВНОВАНИЙ
2.1 Характер проведения соревнований
Соревнования могут быть:
Личные, в которых результат засчитывается отдельно каждому участнику.
Лично-командные с подведением командного зачета согласно Положению, в которых результат засчитывается одновременно каждому участнику в отдельности и команде в целом;
2.2 Спортивные дисциплины
Официальные спортивные соревнования по воднолыжному спорту проводятся отдельно для мужчин и женщин в спортивных дисциплинах, включенных во Всероссийский реестр видов спорта:
бассейн - фигурное катание;
вейкборд - катер;
вейкборд - электротяга;
катер - доска короткая, катер - доска длинная;
катер - многоборье;
катер - прыжки с трамплина;
катер - слалом;
катер - фигурное катание;
ПОДА - вейкборд - электротяга;
электротяга - многоборье;
электротяга - прыжки с трамплина;
электротяга - слалом;
электротяга - фигурное катание.
Рекомендуется, чтобы прыжки с трамплина были последней спортивной дисциплиной в основном и в финальном этапах.
Соревнования по всем спортивным дисциплинам проводятся с использованием катеров или канатно-буксировочной дороги - электротяги.
2.3 Круги соревнований
2.3.1 Количество кругов соревнований, а также порядок допуска спортсменов из одного круга в другой (например, наличие финального круга и право участия в нем) и порядок определения победителей и призеров соревнований (например, по лучшему результату в любом из кругов соревнований либо по лучшему результату в финальном круге соревнований, если он есть), определяются регламентом о соревнованиях в каждом конкретном случае.
Если соревнования проводятся в два круга с предварительным и финальным кругами, то в предварительном круге участвуют все спортсмены, допущенные к данному виду.
Если спортсмен получает нулевой результат в предварительном круге, он не имеет права участвовать в финальном круге.
В дисциплинах катер - слалом, катер - фигурное катание, катер - прыжки с трамплина, катер - многоборье к участию в финальном круге в каждом виде допускается число участников предварительного круга согласно следующей таблице N 1:
Таблица 1. Количество участников в финальном круге соревнований
|
Число спортсменов, стартовавших в предварительном круге
|
Число спортсменов, допущенных к финальному кругу
|
|
1 - 5
|
Все
|
|
6 - 10
|
лучшие 5
|
|
11 - 12
|
лучшие 6
|
|
13 - 15
|
лучшие 8
|
|
16 - 19
|
лучшие 10
|
|
20 и более
|
Первые 12
|
таблица N 1.
Для классификационных соревнований и для соревнований на установление рекордов допускается проведение не более 4-х кругов в каждой спортивной дисциплине.
2.3.2 Соревнования в дисциплинах вейкборд - катер, вейкборд - электротяга, ПОДА - вейкборд - электротяга проводятся с использованием групповой системы (Приложение В к настоящим Правилам).
2.3.3 Соревнования в дисциплинах катер - доска короткая, катер - доска длинная проводятся с использованием групповой системы (Приложение С к настоящим Правилам).
3. ПОРЯДОК СТАРТОВ, ЖЕРЕБЬЕВКА
3.1 Общие положения
Порядок стартов отдельных участников в каждом круге соревнований в каждом из трех видов (слаломе, фигурном катании и прыжках с трамплина) определяется положением и/или регламентом соревнований. Если соревнования проводятся в два круга с предварительным и финальным кругами, то для определения порядка стартов отдельных участников может использоваться жеребьевка.
3.2 Формы жеребьевки
Допускается две формы жеребьевки:
Общая жеребьевка, при которой порядок стартов отдельных участников определяется единой для всех участников жеребьевкой без учета спортивной квалификации.
Групповая жеребьевка, при которой все участники подразделяются на отдельные группы в зависимости от их спортивной квалификации и результатов.
Рекомендуемые размеры групп - 15 мужчин и 10 женщин (пункт 10.1 Правил).
Порядок стартов групп определяется главным судьей, а порядок стартов отдельных участников внутри групп - жеребьевкой. Рекомендуется, чтобы группы 1 и 2 у женщин и 1, 2 и 3 у мужчин соревновались в одинаковых условиях.
3.3 Порядок стартов
Если соревнования проводятся в два круга с предварительным и финальным кругами, то порядок стартов спортсменов в финальном этапе в каждом виде должен быть обратным их местам по результатам основного этапа, а при равных результатах определяется жеребьевкой.
3.4 Порядок стартов в дисциплинах вейкборд - катер, вейкборд - электротяга, ПОДА - вейкборд - электротяга, катер - доска короткая, катер - доска длинная
Соревнования дисциплинах вейкборд - катер, вейкборд - электротяга ПОДА - вейкборд - электротяга, катер - доска короткая, катер - доска длинная проводятся с использованием групповой системы. Количество групп зависит от количества участников каждой возрастной категории. В каждую группу попадает не больше 6 участников, приветствуются группы по 4 или 5 участников если это возможно.
Равное количество участников из каждой группы проходят в следующий круг. Группы следующего круга формируются исходя из места, занятого в предыдущем круге.
В финал проходит 6 участников в своей группе. Финал проходит с меньшим количеством участников, если:
Количество участников меньше 6;
Участник, прошедший в финал, дисквалифицирован или получил травму.
Группы формируются на основании рейтинга спортсмена. Спортсмены, принимающие участие в соревнованиях впервые, отбираются общей жеребьевкой после рейтинговых участников.
Этап "квалификация последнего шанса" может не проводиться при малом количестве участников. Решение о проведении квалификации последнего шанса принимает главный судья соревнований.
Таблица групповых кругов в дисциплинах вейкборд - катер, вейкборд - электротяга, ПОДА - вейкборд - электротяга представлена в приложении В.
Таблица групповых кругов в дисциплинах катер - доска короткая, катер - доска длинная представлена в приложении С.
3.5 Изменения в порядке стартов
Изменения в порядке стартов не допускаются. Однако представитель команды может:
исключить спортсмена из соревнования;
до начала стартов в первом виде заменить с разрешения главного судьи заболевшего или получившего травму участника запасным, прошедшим мандатную комиссию;
заменяющий участник должен стартовать первым в группе, соответствующей его квалификации (результатам), если жеребьевка завершена;
в предварительном круге возможны изменения в порядке стартов, если у спортсменов один и тот же инвентарь (для устранения задержек в проведении соревнований);
в финальном круге изменения в порядке стартов не допускаются.
3.6 Лишение права на старт
3.6.1 В дисциплинах катер - слалом, катер - фигурное катание, катер - прыжки с трамплина, катер - многоборье спортсмен, который не может стартовать в свою очередь, если катер готов к старту, лишается права дальнейшего участия в данном виде. Судья на старте может предоставить участнику 1 минуту для устранения неисправностей экипировки, обнаруженных непосредственно перед стартом (например, поправить крепление).
3.6.2 В дисциплине вейкборд - электротяга, ПОДА - вейкборд - электротяга участник может получить 4 минуты до старта на ремонт или замену вышедшего из строя оборудования.
3.6.3 В дисциплинах вейкборд - катер, катер - доска короткая, катер - доска длинная участник может запросить во время выступления ремонт или замену оборудования, если его оборудование вышло из строя. Участник будет доставлен на стартовый док, будет предоставлено 4 минуты на ремонт или замену вышедшего из строя оборудования. Участнику будет засчитано одно падение. По истечении 4 минут в случае готовности участника продолжить выступление, он будет доставлен в то место трассы, где был запрошен ремонт оборудования для продолжения выступления.
3.7 Задержка старта
При дисквалификации или отказе спортсмена от старта участнику, следующему за ним в стартовом списке, предоставляется 1 минута задержки, если он в этот момент не находился на стартовом плотике.
Если более чем один спортсмен дисквалифицирован или отказался от старта, время, предоставляемое следующему стартующему участнику, должно быть равно 1 минуте за каждого дисквалифицированного или отказавшегося спортсмена.
4. УЧАСТНИКИ СОРЕВНОВАНИЙ
4.1 Допуск к соревнованиям
К участию в соревнованиях по воднолыжному спорту допускаются спортсмены мужского и женского пола, имеющие необходимую подготовку и получившие разрешение врача на участие в данных соревнованиях.
4.2 Состав участников
Состав участников соревнований, их возраст, пол и спортивная квалификация определяются положением о данном соревновании.
4.3 Спортивные дисциплины и возрастные группы:
Катер - многоборье, катер - слалом, катер - фигурное катание, катер - прыжки с трамплина:
мужчины, женщины;
юниоры, юниорки (до 22 года);
юноши, девушки (до 18 лет);
юноши, девушки (до 15 лет);
мальчики, девочки (до 13 лет);
мальчики, девочки (до 11 лет)
Электротяга - многоборье, электротяга - слалом, электротяга - фигурное катание, электротяга - прыжки с трамплина:
мужчины, женщины;
юниоры, юниорки (до 20 лет);
юноши, девушки (до 16 лет).
Вейкборд - катер:
мужчины, женщины;
юниоры, юниорки (до 19 лет);
юноши, девушки (до 15 лет).
Вейкборд - электротяга:
мужчины, женщины;
юниоры, юниорки (до 19 лет);
юноши, девушки (до 15 лет);
мальчики, девочки (до 12 лет).
ПОДА - вейкборд - электротяга:
мужчины.
Бассейн - фигурное катание:
мужчины, женщины;
юноши, девушки (до 20 лет), - юноши, девушки (до 16 лет);
Катер - доска короткая, катер - доска длинная:
мужчины, женщины;
юниоры, юниорки (до 19 лет);
юноши, девушки (до 15 лет).
Заявочной взнос со спортсменов до 18 лет не взимается.
Официальные спортивные соревнования проводятся в спортивных дисциплинах и возрастных группах согласно следующей таблице N 2:
Таблица 2. Спортивные дисциплины и возрастные группы.
|
N
п/п
|
Пол
|
Возраст
|
Спортивная дисциплина
|
Наименование в соответствии с Международной классификацией (IWWF)
|
|
1
|
Мальчики, девочки
|
до 11 лет
|
катер - многоборье,
катер - слалом,
катер - фигурное катание,
катер - прыжки с трамплина
|
under 10 boys
under 10 girls
|
|
2
|
Мальчики, девочки
|
до 12 лет
|
вейкборд - электротяга
|
Mini boys
Mini girls
|
|
3
|
Мальчики, девочки
|
до 13 лет
|
катер - многоборье,
катер - слалом,
катер - фигурное катание,
катер - прыжки с трамплина
|
under 12 boys
under 12 girls
|
|
4
|
Юноши, девушки
|
до 15 лет
|
катер - многоборье,
катер - слалом,
катер - фигурное катание,
катер - прыжки с трамплина
|
under 14 Junior boys
under 14 Junior girls
|
|
5
|
Юноши, девушки
|
до 18 лет
|
катер - многоборье,
катер - слалом,
катер - фигурное катание,
катер - прыжки с трамплина,
электротяга - многоборье,
электротяга - слалом,
электротяга - фигурное катание,
электротяга - прыжки с трамплина
|
Under 17 Junior Boys
Under 17 Junior Girls
|
|
6
|
Юниоры, юниорки
|
до 22 лет
|
катер - многоборье, катер - слалом,
катер - фигурное катание,
катер - прыжки с трамплина,
электротяга - многоборье, электротяга - слалом,
электротяга - фигурное катание,
электротяга - прыжки с трамплина
|
Under 21 Men
Under 21 Ladies
|
|
7
|
Мужчины, женщины
|
с 11 лет
|
катер - многоборье,
катер - слалом,
катер - фигурное катание,
катер - прыжки с трамплина,
электротяга - многоборье,
электротяга - слалом,
электротяга - фигурное катание,
электротяга - прыжки с трамплина.
бассейн - фигурное катание.
вейкборд - катер,
вейкборд - электротяга,
ПОДА - вейкборд - электротяга,
катер - доска короткая,
катер - доска длинная
|
Open Men
Open Ladies
|
|
8
|
Юноши, девушки
|
до 14 лет
|
бассейн - фигурное катание
|
-
|
|
9
|
Юноши, девушки
|
до 15 лет
|
вейкборд - катер,
вейкборд - электротяга,
катер - доска короткая,
катер - доска длинная
|
Under 14 Boys,
under 14 girls
Grom Girls (under 14),
Grom Boys (under 14)
|
|
10
|
Юниоры, юниорки
|
до 19 лет
|
вейкборд - катер,
вейкборд - электротяга,
катер - доска короткая,
катер - доска длинная
|
Junior, Men,
Junior, Women
|
|
11
|
Юноши, девушки
|
до 16 лет
|
бассейн - фигурное катание,
электротяга - многоборье,
электротяга - слалом,
электротяга - фигурное катание,
электротяга - прыжки с трамплина
|
Boys, Men,
Girls, Ladies
|
|
12
|
Юниоры, юниорки
|
до 20 лет
|
бассейн - фигурное катание,
электротяга - многоборье,
электротяга - слалом,
электротяга - фигурное катание,
электротяга - прыжки с трамплина
|
Junior, Men,
Junior, Ladies
|
|
13
|
Юниоры, юниорки
(среди студентов)
|
17 - 25 лет
|
катер - многоборье,
катер - слалом,
катер - фигурное катание,
катер - прыжки с трамплина,
вейкборд - катер
|
Junior, Men,
Junior, Women
|
Для участия в спортивных соревнованиях спортсмен должен достичь установленного возраста в календарный год проведения спортивных соревнований.
4.4 Участие в других возрастных группах
Спортсмен может выступать в любой возрастной группе, которой он соответствует по возрасту. Например, в воднолыжном спорте за катером спортсмен в возрасте 13 лет может, по своему выбору, выступать в любой из следующих возрастных групп: до 15 лет, до 18 лет, до 22 лет, мужчины, женщины.
Спортсмен, имеющий право выступать в нескольких возрастных группах, может выступать только в одной из них во всех дисциплинах воднолыжного спорта в рамках одних соревнований. Когда спортсмен переходит из возрастной группы до 15 лет в группу до 18 лет применяются следующие соответствия результатов:
Слалом:
Если спортсмен не имеет результатов на максимальной для возрастной группы до 18 лет скорости катера буксировщика (58 км/ч и 55 км/ч), то результат считается как есть с максимумом 6 буев на максимальной скорости для возрастной группы до 15 лет (55 км/ч и 52 км/ч).
Прыжки с трамплина и фигурное катание:
результаты принимаются как есть.
Когда спортсмен имеет результаты в старшей возрастной группе, чем он выступает, применяются следующие соответствия:
Слалом:
Любой результат на скорости 58 км/ч и 55 км/ч, считается тем же результатом на скорости 55 км/ч и 52 км/ч соответственно.
Прыжки с трамплина:
Результат, показанный на условиях возрастной группы до 18 лет не считается для возрастной группы до 15 лет.
Фигурное катание:
Результаты принимаются как есть.
4.5 Участие в младших возрастных группах
Спортсмены старших возрастных групп не могут выступать в младших возрастных группах.
4.6 Отношения спортсмена с судьями
Спортсмен не имеет права вмешиваться в работу судейской коллегии. Участник, не находящейся на дистанции, по всем вопросам должен обращаться к судьям только через своего представителя или судью при участниках.
4.7 Представитель команды
Каждая организация, участвующая в соревнованиях, назначает своего представителя. Его имя должно быть сообщено главному судье до начала соревнований. В отсутствие представителя его роль может исполнять тренер или капитан команды.
Представитель обязан:
своевременно сдать заявку на участие в соревнованиях;
обеспечивать явку участников на старт, на церемонии открытия, награждения и закрытия соревнований;
присутствовать на заседаниях судейской коллегии, проводимых совместно с представителями.
Представитель имеет право:
обращаться в судейскую коллегию за справками по всем вопросам, относящимся к соревнованиям, и в секретариат за справками о результатах;
просматривать судейские записи после объявления результатов;
подавать заявления о переездах и протесты;
находиться у места старта при старте своего спортсмена.
5. СУДЬИ
5.1 Назначение судей
Для проведения соревнований президиум Федерации должен назначить следующих судей после получения предложений от судейской комиссии:
главного судью, заместителя главного судьи, главного секретаря, заместителя главного секретаря, гомологатора, двух водителей катеров, 7 арбитров;
Главная судейская коллегия всероссийских соревнований утверждается Федерацией.
Работа судейской коллегии строится в соответствии Правилами, Регламентом и Положением о соревнованиях.
ФОРМИРОВАНИЕ И СОСТАВ СУДЕЙСКОЙ КОЛЛЕГИИ
Для руководства судейством соревнований организатор соревнований по представлению коллегии спортивных судей организатора соревнований (при наличии) заблаговременно назначает главную судейскую коллегию соревнований.
В состав главной судейской коллегии входят:
Главный судья;
Главный секретарь;
Заместитель главного судьи;
Заместитель главного секретаря;
Главный меритель (гомологатор).
Главная судейская коллегия формирует судейскую коллегию соревнований.
Судейская коллегия осуществляет непосредственное судейство соревнований.
Судейская коллегия формируется главным судьей из судей региональной спортивной федерации.
В распоряжении главного судьи находятся назначенные организацией, проводящей соревнования, комендант соревнований, судья по безопасности, медицинская бригада, спасательная служба, судья при участниках, судья-информатор, обслуживающий персонал.
5.2 Состав судейской коллегии.
5.2.1 Бригада судей по спортивной дисциплине "катер - прыжки с трамплина"
Жюри (судья (арбитр) в катере и 2 судьи (арбитра) на судейской вышке).
2 судьи (арбитра) у системы измерения дальности прыжков.
6 судей (арбитров) на визирах.
Судьи-хронометристы (в катере и на берегу). При использовании электронных систем "Zero Off" или "PerfectPass" судьи-хронометристы не нужны.
Судья на старте и помощник судьи на старте.
Секретари.
Судьи - водители катеров.
5.2.2 Бригада судей по спортивным дисциплинам слалома
Судья (арбитр) и судья-хронометрист в катере (если нет электронных систем "Zero Off" или "PerfectPass").
Судьи (арбитры) на судейских вышках, по 2 на каждой вышке (если установлен видеопросмотр входных и выходных ворот, то достаточно трех судей (арбитров), располагающихся на берегу в центре дистанции).
Судья-хронометрист на берегу (если нет электронных систем "Zero Off" или "PerfectPass").
Судья на старте и помощник судьи на старте.
Судья оператор видеокамеры в катере (для регистрации прямолинейности движения катера по дистанции).
Секретари.
Судьи - водители катеров.
5.2.3 Бригада судей по спортивным дисциплинам фигурного катания
5 судей (арбитров) либо 3 судьи (арбитра) по записи и оценке фигур. Может использоваться две бригады по 3 судьи (арбитра) для ускорения судейства при большом количестве участников.
Судья (арбитр) в катере (необязательно - как правило, обязанности судьи в катере исполняет водитель катера).
Судья-хронометрист и оператор по определению первой и последней выполненных фигур.
Судья оператор видеокамеры в катере (для записи выступлений спортсменов.
Судьи калькуляторы.
Судьи - водители катеров.
5.2.4 Бригада судей по спортивным дисциплинам вейкборда
5 судей (арбитров) по записи и оценке трюков или одна или две группы из трех судей (арбитров) при наличии оперативного видеопросмотра выступлений спортсменов.
Судья (арбитр) в катере.
2 судьи-хронометриста.
Судья оператор видеокамеры в катере (для записи выступлений спортсменов).
Судьи калькуляторы.
Секретари.
Судьи - водители катеров.
5.3 Главный судья соревнований
Перед началом соревнований проводит заседание судейской коллегии совместно с представителями, распределяет судей по должностям, объявляет результаты работы главного мерителя (гомологатора). Составляет программу соревнований. Непосредственно отвечает за проведение соревнований в соответствии с Правилами и Положением о соревнованиях:
прибывает на место за 2 дня до начала соревнований;
проверяет подготовку мест соревнований;
распределяет обязанности между судьями и водителями катеров;
руководит работой судейской коллегии и обслуживающего персонала на соревнованиях;
проводит заседания судейской коллегии;
принимает решения по заявлениям и протестам (руководствуясь Правилами);
по согласованию с судейской коллегией приостанавливает или прекращает соревновании, если условия проведения соревнований становятся небезопасными;
отстраняет от исполнения обязанностей судей в случае явной необъективности судейства или слабой квалификации;
по согласованию с судейской коллегией отстраняет от участия в соревнованиях или в отдельном виде спортсменов и представителей, нарушивших нормы поведения и этики;
проводит награждение участников;
подписывает протоколы соревнований;
составляет отчет о соревнованиях и направляет его в организацию, проводившую соревнование, и в руководящий орган соответствующей федерации (судейскую комиссию).
5.4 Заместитель главного судьи
Назначается из судей организации, проводящей соревнования.
Оказывает помощь организаторам соревнований при установке дистанций и другого оборудования.
Исполняет обязанности, которые ему делегирует главный судья.
5.5 Главный секретарь
Руководит секретариатом, принимает и анализирует заявки на участие, участвует в работе комиссии по допуску и докладывает ее результаты на заседании судейской коллегии. Отвечает за своевременную подготовку стартовых протоколов, бланков для работы судей, предварительных и официальных результатов, за всю информацию, связанную с проведением соревнований. Готовит награждение победителей и призеров соревнований.
Ведет подсчет очков за выполненные фигуры в фигурном катании, многоборье, вейкборде, согласно таблицам и правилам подсчета.
Руководит работой секретариата и отвечает за подготовку и оформление всей документации.
Проводит жеребьевку, составляет стартовые списки и подготавливает бланки протоколов и судейских записок.
Определяет предварительные результаты участников, представляет данные о ходе соревнований судье-информатору, предоставляет судейские записки для ознакомления представителям команд.
Определяет личные и командные результаты, представляет технические результаты на утверждение главному судье и выдает копии протоколов представителям команд.
Предоставляет главному судье все необходимые данные для составления отчета о соревнованиях.
В зависимости от масштаба соревнований привлекает необходимое количество секретарей.
5.6 Гомологатор
Обязан прибыть за 2 дня до начала соревнований.
Проводит теодолитную съемку трасс слалома и прыжков с трамплина, измеряет длину буксировочных троссов и рукояток.
Проверяет установку и работу всех электронных устройств в соответствии с требованиями Правил.
Проверяет соответствие всех дистанций, трамплина и другого оборудования требованиям Правил.
Фиксирует параметры системы измерения дальности прыжков с трамплина.
До начала соревнований определяет уровень гомологации соревнований, техническую обеспеченность стадиона и точность установки дистанций для фигурного катания и вейкборда и представляет главному судье отчет (досье гомологатора) о результатах измерений и проверки всего оборудования и инвентаря.
5.7 Контроль места проведения соревнований
С момента начала работы гомологатора место проведения соревнований находится под контролем главного судьи до завершения соревнований. Тренировки на официальных дистанциях и трамплине или за катерами-буксировщиками, принятыми для проведения соревнований, в неуказанное судейской коллегией время не разрешаются.
Команда или спортсмены, нарушившие это правило, дисквалифицируются на оставшуюся часть соревнований.
5.8 Заместитель главного секретаря
Исполняет поручения главного секретаря.
Помогает главному секретарю в обработке результатов спортсменов и подготовке необходимой информации.
5.9 Арбитры и судьи
Следят за правильностью движения катера и отсутствием помех на трассе. В слаломе считает взятые спортсменом буи и оценивает прохождение входных и выходных ворот.
В фигурном катании и вейкборде записывает и оценивает выполнение спортсменом фигур и программы в целом.
В прыжках с трамплина измеряет длину прыжков с помощью электронной системы или контролирует работу оператора этой системы.
Участвуют в совещаниях, созываемых главным судьей для решения вопросов, возникших при проведении соревнований по отдельным видам, в судействе которых они непосредственно участвовали.
5.10 Судья (арбитр) в катере
Следит за скоростью и прямолинейностью движения катера.
В слаломе оценивает взятие буев участником, укорачивает буксировочный трос. После каждого прохождения сообщает главному судье результат участника, а перед началом прохождения сообщает скорость и длину буксировочного троса.
В прыжках с трамплина сообщает главному судье скорость катера, букву параметра тяги и линию движения катера по трассе.
В фигурном катании и вейкборде закрепляет буксировочный тросс на указанную участником длину, сообщает водителю катера скорость, заявленную спортсменом, следит за формированием волн.
5.11 Секретарь
Исполняет поручения главного секретаря, заместителя главного секретаря помогает в обработке результатов спортсменов и подготовке необходимой информации.
5.12 Судья - водитель катера
Обеспечивает движение катера по трассам в соответствии с Правилами. Выполняет указания арбитра в катере.
В фигурном катании и вейкборде на водителя возлагаются обязанности арбитра по оценке условий движения катера (волна, помехи на трассе и так далее).
Утверждаются руководящим органом соответствующей федерации по представлению организации, проводящей соревнования.
Должен иметь документы на право вождения катера и опыт буксировки воднолыжников.
Должен знать правила соревнований и выполнять указания арбитра в катере.
5.13 Судья на старте
Соблюдает очередность стартов в соответствии со стартовым протоколом и фиксирует условия заезда (скорость, длина буксировочного троса).
Вызывает очередного участника на старт.
Проверяет соответствие инвентаря и спасательных средств требованиям безопасности и Правил.
Разрешает при необходимости минутную задержку старта.
Убедившись в готовности участника и получив разрешение главного судьи, дает сигнал к старту.
5.14 Помощник судьи на старте
Принимает от участников персональные рукоятки, проверяет их и передает в катер.
Принимает буксировочный трос с катера и передает его участнику.
5.15 Судья по безопасности
Отвечает за безопасность проведения соревнований, всего оборудования и средств обслуживания. Руководит работой спасательной службы, службы общественного порядка.
5.16 Судья хронометрист
В слаломе и прыжках с трамплина в отсутствие электронной системы фиксирует скорость катера, находясь в катере или на берегу.
В дисциплине катер - фигурное катание, электротяга - фигурное катание, катер - вейкборд, вейкборд - электротяга, ПОДА - вейкборд - электротяга, катер - доска короткая, катер - доска длинная фиксирует время прохождения спортсмена по трассе либо автомотическим прибором, либо с помощью ручного хронометража.
5.17 Судья оператор видеокамеры в катере
Отвечает за видеосъемку выступления спортсменов в фигурном катании и вейкборде.
5.18 Судья оператор видеосистемы
Измеряет длину прыжка с помощью электронной видеосистемы, а в ее отсутствие измеряет угол с помощью угломерного прибора триангуляционным способом. В фигурном катании и вейкборде ведет запись выступлений спортсменов.
5.19 Судья при участниках
Выводит участников на парад, для представления и для награждения.
Руководит транспортом для доставки участников от гостиницы к месту соревнований и обратно, на культурные мероприятия, предусмотренные программой и тому подобное.
5.20 Судья-комментатор
Ведет репортаж о соревновании, информируя зрителей и участников о текущих результатах.
5.21 Размещение судей
Судьи, действующие совместно (например, водитель катера, арбитр и судья в катере; судьи на верхнем и нижнем визирах; арбитры на слаломной вышке и другие) должны назначаться из разных организаций, представленных на данных соревнованиях.
5.22 Общие обязанности судей
Судья не имеет права быть участником-спортсменом или представителем команды - на соревнованиях, которые он судит.
Судья не имеет права давать кому-либо, кроме старших по должности судей, никакой информации, за исключением предусмотренной правилами соревнований.
Судья обязан сообщать главному судье о нарушениях участниками норм поведения.
Судья обязан передать главному секретарю соревнований заполненные им судейские записки в кратчайший срок.
Как только предварительные результаты опубликованы (вывешены на доске информации, размножены и разложены по ячейкам информации для команд), представители команд должны иметь возможность ознакомиться в течение 30 минут с судейскими записками любого судьи о выступлении любого участника.
Под ответственность представителя команды спортсмен может посмотреть судейские записки своего выступления.
Если технические результаты изменяются после просмотра, измененные судейские записки должны быть доступны для просмотра представителями команд в течение 15 минут после опубликования измененных результатов. Следует принять во внимание, что срок повторного просмотра не должен сократить исходные 30 минут.
Каждый раз, как судейские записки изменяются, они должны становиться доступными для просмотра в течение 15 минут после опубликования измененных результатов.
После окончания соревнований главный судья и все назначенные судьи должны подписать заявление, что правила соревнований выполнялись полностью, или указать любые допущенные исключения.
6. МЕРЫ БЕЗОПАСНОСТИ
6.1 Общие положения
Расположение дистанций, трамплина, мест старта и финиша должно быть выбрано с учетом обеспечения безопасности спортсменов при старте, выполнении упражнения и падении.
Акватория должна быть достаточно глубокой и свободной от посторонних предметов на воде в пределах дистанции и вблизи нее, в районах старта и финиша.
6.2 Директор по безопасности
Оргкомитет соревнований назначает директора по безопасности. Директор по безопасности:
отвечает за безопасность проведения соревнований, безопасность всего оборудования и средств обслуживания;
руководит работой спасательной службы, службы общественного порядка;
следит во время соревнований за тем, чтобы в районе дистанций и трамплина не было посторонних лиц и предметов;
при возникновении условий, угрожающих безопасности спортсменов во время их выступления (сильный ветер, большая волна и тому подобное) требует от главного судьи остановки соревнований;
требует от главного судьи отстранения спортсмена от соревнований, если его выступление может быть опасным ему самому или другим участникам.
6.3 Спасательные катера
На протяжении всего периода соревнований в распоряжении организаторов и судейской коллегии должен находиться катер, предназначенный для оказания помощи при несчастных случаях.
Рекомендуемое расположение спасательного катера:
1. В слаломе - вне дистанции в районах второго и пятого буев.
2. В прыжках с трамплина - напротив боковой стороны трамплина вне дистанции, носом к предполагаемой точке приводнения лыжника.
3. В фигурном катании и вейкборде - вне дистанции, носом к спортсмену во время его прохождения.
4. На некоторых воднолыжных стадионах, где это целесообразно и осуществимо, с разрешения директора по безопасности, команды спасателей могут работать с берега.
6.4 Экипаж спасательного катера
В спасательном катере должны находиться водитель и спасатель, имеющие опыт спасательной службы и знакомые с проведением соревнований по воднолыжному спорту.
Спасатель на протяжении всего периода соревнований должен быть в спасательном жилете и готов в любой момент прыгнуть в воду для оказания помощи пострадавшему участнику. Если травмированный спортсмен не способен подняться в спасательный катер самостоятельно или с незначительной помощью, то следует, поддерживая спортсмена на плаву, осторожно доставить его к берегу и вынести на берег на подходящем жестком щите или на носилках. Категорически запрещается поднимать травмированного лыжника из воды через борт спасательного катера.
6.5 Индивидуальные спасательные средства
В качестве индивидуальных спасательных средств применяются спасательные жилеты, гидрокостюмы со встроенными спасательными жилетами и шлемы.
Спасательные жилеты должны:
быть гладкими, мягкими и не иметь приспособлений, способных нанести повреждения при падении;
закрепляться так, чтобы не теряться (срываться) от сильного удара при падении;
поддерживать спортсмена на плаву головой вверх;
защищать ребра и внутренние органы спортсмена от повреждений при падении.
Обычный гидрокостюм взамен спасательного жилета не допускается.
Выступать в спасательном жилете в слаломе и в прыжках с трамплина - обязательно, в фигурном катании - по желанию лыжника.
На соревнованиях по прыжкам с трамплина спортсмены обязаны выступать в шлеме.
7. Места проведения соревнований
7.1 Схемы дистанций
Схемы дистанций и их размеры показаны на рис. 1; 3; 4; 5; 6. Дистанции размещаются на месте соревнований в зависимости от акватории.
7.2 Буи на акватории
На акватории, где проходят соревнования, допускаются только буи, показанные на рисунках 1 и 2, буи для видео измерений прыжков, буи, отмечающие опасные места, участки старта и финиша, а также зоны разворота катера. Все такие буи должны отличаться от буев дистанции и должны быть показаны лыжникам до старта.
7.3 Дистанция слалома

Рисунок 1. Дистанция слалома.
Таблица 3. Размеры на рис. 1
|
Размеры
|
Предельные размеры, м
|
Допустимые отклонения, %
|
|
Общая длина = 259 м
|
258,353 - 259,648
|
0,25
|
|
A = 27 м
|
26,865 - 27,135
|
0,5
|
|
B = 41 м
|
40,795 - 41, 205
|
0,5
|
|
C = 29,347 м
|
29,200 - 29,494
|
0,5
|
|
D = 47,011 м
|
46,776 - 47,246
|
0,5
|
|
E = 1,25 м
|
1,188 - 1,313
|
5
|
|
F = 11,5 м
|
11,385 - 11,615
|
1
|
|
G = 1,15 м
|
1,035 - 1,265
|
10
|
|
H = 55 м
|
54,725 - 55,275
|
1
|
Базисной линией дистанции слалома считается линия, проходящая через середины входных и выходных ворот.
Среднее значение шести расстояний "F" не должно быть меньше 11.48 м.
7.4 Цвета буев
Рекомендуемые цвета буев:
входные и выходные ворота - красные;
буи для участников - красные;
буи, определяющие путь движения катера по дистанции - желтые, до дистанции - зеленые.
7.6 Разворотные буи
Разворотные буи для катера могут быть расположены в 140 - 180 м от выходных (входных) ворот дистанции на линии движения катера рисунок 2.

Рисунок 2. Разворотные буи.
7.7 Размеры буев
Буи для участников и буи входных и выходных ворот должны быть легкими, мягкими и гладкими. Буи для участников должны быть диаметром от 20 до 28 см. Рекомендуемый диаметр 20 см. Высота над водой 8 - 17 см. Рекомендуемая высота над водой 8,5 - 9 см.
Буи входных и выходных ворот должны быть диаметром от 20 до 28 см. Рекомендуемый диаметр 20 см. Высота над водой 10 - 17 см. Рекомендуемая высота над водой 11,5 см.
Диаметр сферических буев, определяющих путь движения катера, должен быть не менее 22 см. При использовании цилиндрических или прямоугольных буев расстояние между внутренними сторонами буев должно быть 2,05 м +/- 15 см, а высота их над водой 11 - 25 см, рекомендуется 15 см.
7.8 Дистанция для прыжков с трамплина
Схема дистанции для прыжков с трамплина изображена на рисунке 3, размеры и допуски дистанции для прыжков с трамплина указаны в таблице 4

Рисунок 3. Дистанция для прыжков с трамплина.
Базисной линией дистанции прыжков считается линия буев 15ST - 15MT. Продольная ось трамплина должна быть параллельна прыжковому курсу и слегка повернута в открытую сторону. Поворот трамплина в открытую сторону означает, что нижний конец трамплина повернут вокруг точки R к линии 15ST - 15MT. Рекомендуемый угол поворота - 2° (допустимые углы поворота - от 1° до 2,5°).
Таблица 4. Размеры на рисунке 3
|
Размеры
|
Предельные размеры, м
|
Допустимые отклонения
|
|
210 м вдоль
|
207,9 - 212,1
|
1%
|
|
210 м поперек
|
14,5 - 15,5
|
0,5 м
|
|
180 м вдоль
|
178,2 - 181,8
|
1%
|
|
180 м поперек
|
14,5 - 15,5
|
0,5 м
|
|
150 м вдоль
|
148,5 - 151,5
|
1%
|
|
150 м поперек
|
14,5 - 15,5
|
0,5 м
|
|
100 м
|
90 - 102
|
+2%; -10%
|
|
52 м
|
51,74 - 52,26
|
0,5%
|
|
41 м
|
40,795 - 41,205
|
0,5%
|
|
30 м
|
29,85 - 30,15
|
0,5%
|
|
15 м
|
14,85 - 15,15
|
1%
|
|
4 м
|
3,90 - 4,10
|
2,5%
|
|
10 м
|
9,80 - 10,2
|
2%
|
Для уровня гомологации "Normal" допустимые отклонения для 10 м увеличены до +/-1 м.
Рекомендуемые цвета буев указаны в таблице N 5
Таблица 5. Рекомендуемые цвета буев
|
Буй
|
Цвет
|
|
210 м
|
Зеленый
|
|
180 м
|
Красный
|
|
150 м
|
Желтый
|
|
15ST
|
Красный
|
|
19ST
|
Красный
|
|
15NT
|
Зеленый
|
|
19NT
|
Зеленый
|
|
15MT
|
Желтый
|
|
19MT
|
Желтый
|
|
15ET
|
Красный
|
|
19ET
|
Красный
|
|
15EC
|
Желтый
|
|
19EC
|
Желтый
|
Если дистанция прыжков с трамплина совмещается с дистанцией слалома, цвета трамплинных буев могут отличаться от рекомендованных.
Рекомендуется устанавливать поворотный буй для катера.
Чтобы волна от катера-буксировщика не мешала спортсмену при заходе на трамплин, катер на обратном пути должен практически повторять траекторию движения спортсмена (рисунок 4).

Рисунок 4. Схема движения катера по трассе
для прыжков с трамплина.
7.9 Трамплин
Трамплин для прыжков - наклонный помост с боковым щитом с правой стороны - должен отвечать следующим требованиям:
Ширина: 3,7 - 4,3 м. Рекомендуемая ширина 4,2 - 4,25 м.
Длина настила над водой: 6,4 - 6,8 м.
Размеры трамплина указаны в таблице N 6.
Таблица 6. Размеры трамплина
|
Отношение высоты к длине
|
Минимальная длина
|
Максимальная длина
|
Рекомендованная длина
|
|
0,235
|
6,4 м
|
6,8 м
|
|
|
0,255
|
6,4 м
|
6,8 м
|
|
|
0,271
|
6,4 м
|
6,8 м
|
6,75 - 6,8 м
|
Длина подводной части настила не менее 50 см.
Отношение высоты среза трамплина от воды к длине надводной части настила: 0,271 +/- 0,003, что соответствует высоте трамплина - 180 см, или 0,255 +/- 0,003 (~ 165 см) для мужчин и юниоров до 22 лет по выбору спортсмена.
0,255 +/- 0,003 или 0,235 +/- 0,003 (~ 150 см) для женщин, юниорок до 22 лет, мужчин и юношей до 18 лет по выбору спортсмена.
0,235 +/- 0.003 для остальных категорий, кроме мальчиков и девочек до 11 и 13 лет 0,215+/- 0,003 (1.35 см) или 0,235 +/- 0,003 для мальчиков и девочек до 11 и до 13 лет.
Это отношение должно быть вычислено с обоих краев трамплина. Разница высоты среза трамплина от воды на углах не должна быть более 2.5 см. При установке высоты трамплина следует пользоваться номограммой (рисунок 5).
Отклонение поверхности настила от плоскости не должно быть более 2,5 см.

Рисунок 5. Номограмма установки высоты трамплина.
Боковой щит (крыло), должен иметь ту же длину, что и настил, уходить под воду не менее чем на 30 см, когда трамплин поднят на максимальную высоту для соревнований по прыжкам среди мужчин. Угол наклона бокового щита к перпендикуляру к поверхности настила от 28° до 60°.
Рекомендованный угол 45°. Боковой щит по цвету должен резко отличаться от настила и воды.
Рекомендуется, чтобы фиберглассовая поверхность настила была красно-оранжевого цвета.
Деревянные настилы могут оставаться естественного цвета.
На поверхности крыла и/или настила должны быть отметки на расстоянии 6,4 м и 6,8 м от среза трамплина, а в центре среза - линия, предназначенная для наведения приборов, измеряющих дальность прыжка.
Трамплин должен быть надежно укреплен якорями, чтобы положение центра среза его после возвращения в положение "статистического покоя" изменялось не более чем на видимую толщину нити в приборе, измеряющем дальность прыжка. "Статистическим покоем" считается положение трамплина на воде при отсутствии волны от катера, волны от участника или отбойной волны.
Все измерения должны производиться с учетом веса устройства для полива настила водой, но без учета веса спортсмена.
7.10 Дистанция для фигурного катания
Два буя на расстоянии приблизительно 230 м определяют дистанцию для фигурного катания. На расстоянии 50 м перед буями дистанции могут быть установлены (но не обязательно) буи для прямолинейного движения катера (рисунок 6).
Буи дистанции для фигурного катания могут иметь любую форму и размеры. Рекомендуется устанавливать и поворотные буи для катера.

Рисунок 6. Схема дистанции для фигурного катания.
7.11 Дистанция для вейкборда
Два буя, расположенные в 10 метрах друг от друга, обозначают начало трассы. Окончание трассы обозначается другой такой же парой буев, они же являются входными для прохождения трассы в обратном направлении. Приблизительное расстояние между этими парами составляет 370 метров (37 секунд на скорости 36 км/ч) (рисунок 7).

Рисунок 7. Схема дистанции для вейкборда.
7.12 Дистанция для короткой и длинной доски
Пара стартовых буев, расположенных на расстоянии 15 метров друг от друга, должна определять зону начала трассы для дисциплин "катер - короткая доска, катер - длинная доска" с каждой стороны. Конец прохода должен быть обозначен другой парой буев, также расположенных на расстоянии 15 метров друг от друга. Расстояние до начального и конечного буев будет составлять 45 секунд при скорости буксировочного катера 17 км/ч. Допустимо отклонение до 20% в сторону более длинного курса (210 - 250 м). Расстояние от того места, где буксировочный катер начинает формировать волну, до стартовых буев должно составлять не менее 50 метров (рисунок 8). Старт буксировочного катера должен быть либо сделан от стартового причала, либо отмечен дополнительным буем. Буй "на разворот" для проезда в обратную сторону в конце первого заезда, расположен на том же расстоянии, что и буй "для старта катера" спортсмена или стартовая площадка, должна указывать точку, в которой спортсмен должен стартовать. Эти размеры трассы и ее расположение будут использоваться там, где это целесообразно. Точная продолжительность трассы для конкретного соревнования по времени объявляется на брифинге для спортсменов.
Дополнительные буи: Пара отсечных буев, расположенных на расстоянии более 15 метров друг от друга, укажут точку, после которой буксировочный катер не сможет стартовать, чтобы образовалась волна и спортсмен мог продолжить свой заход при первом или втором падении. Положение разделительных буев будет определяется главным судьей и главным пилотом катера.
Прохождение двух проездов: буксировочный катер должен следовать, насколько это возможно, по маршруту, указанному главным судьей для данного соревнования, с учетом времени подготовки перед каждым проходом спортсмена. Второй проход должен быть в направлении, противоположном первому проезду.
Заезд спортсмена заканчивается полностью: когда он падает в третий раз или когда он проходит финальный буй на втором проезде.
Спортсмен в конце первого прохождения должен отойти в сторону от волны катера сразу же после разворотного буя или дождаться сигнала от судей в катере или водителя катера, если разворотный буй не установлен на акватории. Буксировочный катер должен остановиться, а не разворачиваться с ходу. После этого буксировочный катер должен подойти к спортсмену и доставить спортсмену буксировочный трос, чтобы спортсмен мог стартовать и совершить второе прохождение. Это не считается падением, если при этом спортсмен не попытается выполнить какой-либо трюк.

Рисунок 8. Схема дистанции для короткой и длинной доски.
8. ТЕХНИЧЕСКОЕ ОБЕСПЕЧЕНИЕ СОРЕВНОВАНИЙ
8.1 Катера
Катер должен обеспечивать возможность набора и поддержания необходимой скорости при буксировке спортсмена в условиях соревнования.
Длина катера - около 5 м, но не более 6,5 м. Ширина - 1,8 - 2,5 м.
Катер должен быть оборудован штангой для крепления буксировочного троса (рисунок 9), расположенной на оси катера приблизительно в его середине. Высота точки крепления троса - не менее 65 см и не более 120 см над уровнем воды, когда катер находится в покое без экипажа на борту. Штанга должна выдерживать нагрузку минимум 600 кг под углом 70° к корме по обе стороны катера.
Штанга должна иметь место для крепления отцепа для фигуристов. Рекомендуется, чтобы место крепления отцепа было предусмотрено выше и ниже места крепления буксировочного троса для слалома и прыжков с трамплина, но так, чтобы сохранялся просвет между тросом для фигурного катания и моторным отсеком.
Место крепления отцепа должно быть цилиндрической формы диаметром 50,8 мм + 0.00 мм - 0,25 мм и минимальной высотой 28 мм.
Центрующее отверстие диаметром 6,00 мм + 0,35 мм - 0,00 мм и минимальной глубиной 18 мм должно быть расположено в середине по высоте и ориентировано вперед по штанге (смотреть рисунок 7).
Катер может быть оснащен стационарным или подвесным двигателем.
На катере должна быть рация для двухсторонней связи с судейской коллегией.
Катер должен быть оборудован не менее чем двумя приборами для измерения скорости, действующими от независимых датчиков.
В соревнованиях по слалому и прыжкам с трамплина должны использоваться идентичные катера.
В фигурном катании участнику дается право выбрать один катер из катеров, имеющихся в распоряжении судейской коллегии.

Рисунок 9. Штанга для крепления буксировочного троса.
8.2 Канатно-буксировочная дорога - электротяга
Канатно-буксировочная дорога - электротяга должна обеспечивать возможность набора и поддержания необходимой скорости при буксировке спортсмена в условиях соревнования.
Схема канатно-буксировочной дороги с указанием ее высоты, расстояний между мачтами, описанием трассы, указанием положения фигур и их описанием должна быть размещена в бюллетене соревнований. Бюллетень должен быть опубликован не позднее, чем за 30 дней до начала соревнований.
8.3 Лыжи, вейкборды и доски.
Ширина лыжи не должна быть более 30% ее длины.
Лыжи и вейкборды могут быть оборудованы креплениями и килями любого типа.
Все другие устройства для контроля и регулировки характеристик лыжи и вейкбордов должны жестко фиксироваться и не двигаться во время катания.
Лыжи и вейкборды не должны иметь острых металлических, деревянных или иных крепежных деталей, которые, по мнению директора по безопасности, могли бы нанести повреждения участнику.
Размеры досок должны быть следующими:
доска - короткая: толщина доски не более 2,54 см (1 дюйм); один киль глубиной не более 5,08 см (2 дюйма) или без киля;
доска - длинная: толщина доски более 2,54 см (1 дюйм); не менее двух килей глубиной не менее 7,62 см (3 дюйма). Допускаются дополнительные кили меньшего размера.
8.4 Буксировочные тросы
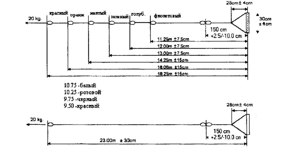
Буксировочные тросы могут быть цельными, длиной 23 м для прыжков с трамплина и 18,25 м для слалома, или составными, длиной 21,5 м для прыжков и 16,75 м для слалома и отрезка длиной 1,5 м с рукояткой.
В слаломе могут быть использованы многосекционные тросы с окраской в той же последовательности, как и петли крепления.
Организаторы соревнований обязаны предоставить для проведения соревнований составные тросы. Размеры тросов и рукояток и расцветка петель крепления показаны на рисунке 10.

Рисунок 10. Размеры тросов и расцветка секций.
18,25 м - красный
16 м - оранжевый
14,25 м - желтый
13 м - зеленый
12 м - голубой (синий)
11,25 м - фиолетовый (или белый с синим)
10,75 м - белый
10,25 м - розовый
9,75 м - черный
Размеры буксировочных тросов определяются при растягивающем усилии 20 кг от рукоятки до внутренней поверхности петли крепления троса на штанге катера.
Рукоятка для слалома и прыжков с трамплина должна иметь наружный диаметр от 2.50 см до 2.80 см. Отрезки троса, обеспечивающие крепление рукоятки, должны быть пронизаны сквозь рукоятку и закреплены так, чтобы исключить всякое перемещение рукоятки относительно троса. Рукоятка не должна быть скользкой, на ней не должно быть острых краев и переходов.
В дисциплинах катер - фигурное катания и катер - вейкборд участник может пользоваться собственными тросом и рукояткой любых размеров и конструкции.
В дисциплинах катер - доска короткая и катер - доска длинная буксировочный трос с рукояткой предоставляется организатором соревнований.
В слаломе и прыжках с трамплина участник может пользоваться собственной рукояткой, если она отвечает требованиям правил. Об этом он обязан предупредить судью на старте до выступления трех предыдущих участников.
Буксировочные тросы для слалома и прыжков с трамплина, должны иметь следующие характеристики:
Усилие на разрыв - не менее 590 кг;
Вес одного метра троса - не более 23 г;
Удлинение при нагрузке 115 кг - 2,4% +/- 0,8%;
Сращивания должны быть не короче 15 см; для предотвращения проскальзывания они должны быть закреплены марками (до и после сращивания) или узлами.
Разрушающее усилие для рукоятки должно быть не менее 270 кг. При испытании рукоятка устанавливается на две опоры отверстиями для крепления троса и нагрузка, прикладываемая к двум точкам, удаленным на 9 см от середины рукоятки, доводится до 290 кг в течение 1 мин.
В слаломе обязательно использование защитной насадки на буксировочном тросе. Насадка представляет собой трубу длиной около 1 ми диаметром 7 - 8 см, выполненную из поролона, обшитого нейлоновой тканью. Буксировочный трос должен свободно продергиваться сквозь насадку при укорочениях. Насадка петлей крепится к штанге.
В соревнованиях по прыжкам с трамплина разрешено использование буксировочных тросов "Spectra". В этом случае стандартные тросы тоже должны быть предоставлены для использования.
8.5 Судейские вышки для слалома
Вышки должны иметь огражденную перилами площадку, расположенную на высоте примерно 3 м над уровнем воды.
Вышки должны быть расположены по обе стороны дистанции слалома согласно рисунку 11.

Рисунок 11. Расположение судейских вышек.
Угол 44° должен быть выдержан с погрешностью не более +/-3°.
Вышки могут быть размещены на берегу, на дне или установлены на понтоне, надежно закрепленном якорями.
8.6 Контроль скорости
Для установки и поддержания постоянной скорости движения катера используются автоматические системы "ZeroOff", "PerfectPass". К каждой модификации прилагается ее описание и инструкция по использованию.
Система допускает мелкие регулировки во время движения (например поправка "на ветер"). Регулировка производится водителем под контролем арбитра катера.
Если система не срабатывает, то спортсмен получает право на перезаезд может улучшить свой результат.
Если система отказывает, то рекомендуется переходить к ручному управлению.
При использовании системы не требуется дублирующего регистратора скорости.
9. ОБЩИЕ ПРАВИЛА ПРОХОЖДЕНИЯ ДИСТАНЦИЙ
9.1 Лыжная позиция и позиция для вейкборда
Лыжная позиция и позиция для вейкборда требуют соблюдения следующих условий:
Спортсмен удерживает буксировочный трос руками, рукой или ногой.
Спортсмен едет вперед или назад с лыжей, лыжами или доской для вейкборда на ногах.
Вес лыжника или векбордиста полностью поддерживается его лыжей, лыжами или доской для вейкборда, и он сохраняет равновесие либо, в конце концов, способен его вернуть.
9.2 Падение для дисциплин катер - многоборье, катер - слалом, катер - фигурное катание, катер - прыжки с трамплина, электротяга - многоборье, электротяга - слалом, электротяга - фигурное катание, электротяга - прыжки с трамплина, вейкборд - катер, вейкборд - электротяга, ПОДА - вейкборд - электротяга, Бассейн - фигурное катание
Участник считается упавшим, если он:
выпустил буксировочный трос;
потерял обе лыжи или доску для вейкборда;
вес спортсмена не поддерживается главным образом лыжей, или спортсмену в итоге не удается вернуться в лыжную позицию (или в позицию для вейкборда).
9.2.1 Падение для дисциплин катер - доска короткая, катер - доска длинная
Участник считается упавшим, если он потерял доску.
9.3 Заезд
Заездом называется период с момента начала движения участника за катером и за электротягой в лыжной позиции или в позиции для вейкборда для выполнения программы данного вида до момента, после которого, в соответствии с правилами, участник считается окончившим выступлением. Прохождением называется часть заезда, во время которой участник один раз проходит по дистанции в данном направлении.
9.4 Перезаезды
Перезаездом называется повторное выполнение заезда или прохождения.
При изменении состояния водной поверхности (помеха) или погодных условий, а также нарушения нормального состояния оборудования, предоставленного судейской коллегией, что, по мнению большинства арбитров данного вида, отрицательно отразилась на выступлении участника, последнему предоставляется право на перезаезд в том прохождении, на которое повлияло одно из указанных обстоятельств. Если нарушение нормального состояния оборудования дало спортсмену преимущество перед другими спортсменами, перезаезд обязателен.
Если не удается засечь время на дистанциях слалома и прыжков с трамплина, то это рассматривается как неисправность оборудования и перезаезд обязателен. Результат участника не сохраняется.
Если по вышеперечисленным причинам происходит задержка между прохождениями в слаломе и попытками в прыжках с трамплина, превышающая 10 мин., то спортсмену должно быть предоставлено "разогревающее" прохождение/попытка. Разогревающее прохождение/попытка не оценивается. Но в случае прыжка длина его должна быть замерена и сообщена спортсмену.
Заявление о перезаезде должно быть сделано так скоро как возможно. Решение о перезаезде должно быть принято главным судьей как можно быстрее. Если, по мнению большинства арбитров, данного вида заявление о перезаезде не было сделано в кратчайший срок после выступления спортсмена, оно отклоняется.
Перезаезд должен быть выполнен не позднее чем через 5 минут после его объявления, но с согласия участника может быть совершен и немедленно. При 5-минутном перерыве стартуют следующие по порядку участники, а перезаезд дается после окончания заезда участника, во время выступления которого истекли упомянутые 5 минут.
В финальных соревнованиях перезаезд должен быть совершен до старта следующего участника.
9.5 Протесты
Протесты подаются главному судье представителем команды в письменном виде.
Протест с изложением фактов по поводу неправильной записи участника в заявке или неправильного формирования команды, подается до начала стартов, а по поводу нарушений правил или положения о соревнованиях - не позднее чем через 30 минут после объявления результатов или совершения фактов, вызвавших протест.
Решение по протесту принимается главным судьей и назначенными судьями или судьями по виду. В любом случае решение должно быть принято в срок, позволяющий его выполнить.
Заявление об исправлении ошибки в подсчете очков не должно считаться протестом, а поправка должна быть сделана с одобрения главного судьи и главного секретаря в течение 30 минут после объявления результатов и предоставления судейских записок для просмотра.
Протесты не принимаются на судейские решения.
9.6 Скорость катера
Скоростью катера считается скорость относительно дна.
Скорость катера во всех видах соревнований должна выдерживаться с точностью +/-1 км/ч. Скорость считается выдержанной, если максимальное и минимальное ее значение при прохождении дистанции, зафиксированное судьями, находятся в допустимом интервале отклонений. Кроме того, в соревнованиях по слалому и прыжкам с трамплина время прохождения катером соответствующих участков дистанции должно быть в допустимых пределах.
Во всех видах соревновании приборы, регистрирующие время движения катера, должны иметь погрешность не более 5 x 10-4 (0,01 с за 20 с).
10. ПРАВИЛА ПРОВЕДЕНИЯ СОРЕВНОВАНИЙ ПО СПОРТИВНЫМ
ДИСЦИПЛИНАМ "КАТЕР - ПРЫЖКИ С ТРАМПЛИНА"
И "ЭЛЕКТРОТЯГА - ПРЫЖКИ С ТРАМПЛИНА".
10.1 Общие требования
Соревнования по прыжкам с трамплина могут проводится с помощью водно-моторных судов (катеров) и с помощью канатно-буксировочной дороги (электротяги).
Построение трасс для прыжков с трамплина за катерами за электротягой идентичны.
Входом на дистанцию считается прохождение лыжником буя, установленного за 180 м до трамплина, в каждом прохождении.
Каждому спортсмену в каждом круге соревнований предоставляется три попытки, т.е. прохождения дистанции для прыжков, во время каждого из которых он может совершить прыжок с трамплина (с падением или без падения) или пройти мимо трамплина.
Спортсмены всех возрастных групп, которым предоставляется право выбора высоты трамплина 150 см или 165 см, могут воспользоваться этим правом только, если они имеют результат 38 м на высоте трамплина 150 см, показанный на официальных гомологированных соревнованиях.
Мужчины и юниоры (до 22 лет) имеют право прыгать с трамплина высотой 180 см, если они имеют в своем активе результат 48 м на высоте трамплина 165 см, показанный на официальных гомологированных соревнованиях.
В финале спортсмен имеет право изменить высоту трамплина. Заявление об этом он должен сделать во время, установленное главным судьей. Участники, прыгающие с более низкого трамплина, выступают первыми в основном и финальном кругах, независимо от показанных результатов.
10.02 Падения
Участник может отказаться от попытки, показав это демонстративным отбрасыванием рукоятки буксировочного троса в воздух до входа на дистанцию. Если, по мнению большинства арбитров вида, причина отказа была уважительной, попытка может быть повторена; если причина отказа признана неуважительной, спортсмен теряет эту попытку.
Падение вне дистанции (если она не является результатом неудачного приводнения после прыжка) лишает участника права на следующую попытку.
Участник имеет право заменить или исправить инвентарь, поврежденный в результате прыжка или падения.
Если после падения, отказа от попытки или остановки для замены или ремонта инвентаря спортсмен не может принять старт в течение 3 минут с момента подхода катера-буксировщика, он лишается права на оставшиеся попытки в данном заезде.
Если спортсмен готов прыгать до истечения 3 минут, но судья в катере считает, что это может быть небезопасно для спортсмена, то судья может попросить директора по безопасности проверить спортсмена. В этом случае хронометр, регистрирующий время трехминутной задержки, останавливается до решения директора по безопасности о том, может ли спортсмен продолжить соревнования.
10.3 Скорость катера
Скорость катера может выбираться участниками в зависимости от возрастной группы и не должна превышать:
мужчины, юниоры до 22 лет - 57 км/ч;
женщины, юниорки до 22 лет - 54 км/ч;
юноши и девушки до 18 лет - 51 км/ч;
юноши до 15 лет - 48 км/ч;
девушки до 15 лет - 45 км/ч;
мальчики и девочки до 13 лет - 45 км/ч;
мальчики и девочки до 11 лет - 42 км/ч.
Таблица 7. Время прохождения дистанции катером.
|
Скорость
км/ч
|
82 м
|
41 м
|
||||
|
Быстро
с
|
Точно
с
|
Медленно
с
|
Быстро
с
|
Точно
с
|
Медленно
с
|
|
|
57
|
5,11
|
5,18
|
5,25
|
2,46
|
2,59
|
2,66
|
|
54
|
5,39
|
5,47
|
5,55
|
2,64
|
2,73
|
2,81
|
|
51
|
5,70
|
5,79
|
5,88
|
2,78
|
2,89
|
2,98
|
|
48
|
6,05
|
6,15
|
6,25
|
2,95
|
3,08
|
3,17
|
|
45
|
6,45
|
6,56
|
6,68
|
3,14
|
3,28
|
3,39
|
|
42
|
6,90
|
7,03
|
7,17
|
3,35
|
3,51
|
3.64
|
|
39
|
7,42
|
7,57
|
7,73
|
3.60
|
3,78
|
3,94
|
|
36
|
8,02
|
8,20
|
8,39
|
3,69
|
4,10
|
4,28
|
|
33
|
8,73
|
8,95
|
9,17
|
3,99
|
4,47
|
4,69
|
|
30
|
9,58
|
9,84
|
10,11
|
4,34
|
4,92
|
5,18
|
|
27
|
10,62
|
10,93
|
11,27
|
4,76
|
5,47
|
5,79
|
Регистрируется время прохождения катера по дистанции между створами буев 15ST - 19ST и 15MT - 19MT (82 м) и между 15MT - 19MT и 15ET - 19ET (41 м) с точностью 0,01 с.
Если участник проходит мимо трамплина, отпускает рукоятку буксировочного троса или падает перед трамплином, допустимое отклонение времени прохождения отрезка "82 м" должно быть увеличено на 0,05 с, а время прохождения отрезка "41 м" не учитывается.
Участник имеет право выбирать вариант "41 м (2)", когда он прыгает на максимальной скорости для его категории. После прохождения отрезка "41 м" катер должен снизить скорость до заказанной участником.
Если участник заказывает скорость катера меньше максимальной для его категории на отрезке "41 м", скорость катера не должна превысить максимальную разрешенную для категории участника по варианту "41 м (1)".
Для уровней гомологации RL и RC время прохождения катера по дистанции должно регистрироваться между буями 15ST - 19ST и 15NT - 19NT (52 м - 1-й сегмент), 15NT - 19NT и 15MT - 19MT (30 м - 2-й сегмент) и между 15MT - 19MT и 15ET - 19ET (41 м - 3-й сегмент). Таблица N 8 соответствующих времен приводится ниже.
Таблица 8. Время прохождения дистанции катером
|
Скорость
|
52 м (1-й)
|
82 м (1-й + 2-й)
|
41 м (3-й)
|
|||||
|
Быстро
|
Медленно
|
Быстро
|
Точно
|
Медленно
|
Быстро
|
Точно
|
Медленно
|
|
|
57
|
3,25
|
3,36
|
5,11
|
5,18
|
5,25
|
2,36
|
2,40
|
2,46
|
|
54
|
3,43
|
3,54
|
5,39
|
5,47
|
5,55
|
2,54
|
2,59
|
2,66
|
|
51
|
3,63
|
3,75
|
5,70
|
5,79
|
5,88
|
2,68
|
2,73
|
2,81
|
|
48
|
3,86
|
3,98
|
6,05
|
6,15
|
6,25
|
2,84
|
2,89
|
2,98
|
|
45
|
4,11
|
4,25
|
6,45
|
6,56
|
6,68
|
3,01
|
3,08
|
3,17
|
Время 3-го сегмента используется только при максимальных скоростях. Если скорость катера меньше максимальной, то для перезаездов используется только время сегмента "82 м", а для контроля скорости в сегменте "41 м" следует руководствоваться столбцом "41 м (1)" предыдущей таблицы.
На соревнованиях с гомологацией RL и RC требуется записывать время трех сегментов на всех скоростях и отправлять его в IWWF.
10.4 Использование попытки и зачет прыжка
Попытка считается использованной, если участник, буксируемый катером, пересек траверз входного буя "180 м".
Попытка не считается использованной, если водитель, арбитр или судья в катере сочли, что на дистанции возникла помеха или нарушены условия заезда.
В этом случае водитель или арбитр в катере должны поднять руку или красный флаг и ощутимо снизить скорость катера на достаточном расстоянии от трамплина.
Прыжок засчитывается, когда лыжник проходит по настилу трамплина, приводняется и уезжает без падения в лыжной позиции.
Результат прыжка не засчитывается, если лыжник во время полета намеренно коснется какой-либо части буксировочного троса, кроме рукоятки.
Падение лыжника во время заезда, на дистанции или вне ее, считается использованием попытки. Если во время одного прохождения участник падает более одного раза, каждое падение считается использованием попытки.
Участник лишается дальнейших прыжков в данном виде, если он пересек волну от катера в явном срезе, но, отказавшись от прыжка, прошел между трамплином и линией движения катера, при этом не имеет значения, отпустил он буксировочный трос или нет.
10.5 Контроль условий заезда
Участник перед стартом сообщает судье на старте, с какой скоростью и на каком расстоянии от трамплина должен пройти катер.
При использовании системы автоматического контроля скорости спортсмен может указать "букву", которая вводится в программу системы для каждого лыжника индивидуально.
Если лыжник не знает своей "буквы", то последняя определяется, исходя из собственного веса лыжника по таблицам, прилагаемым к системе.
Если водитель и арбитр в катере считают необходимым изменить "букву", чтобы выдержать скорость, они должны сообщить об этом спортсмену перед следующим прыжком.
Катер должен следовать по прямой, параллельной оси дистанции. Заданная скорость должна поддерживаться постоянной за 50 м до 180-метрового буя и на протяжении всей дистанции.
Арбитр в катере наблюдает за условиями заезда, курсом катера, проверяет и регистрирует время прохождения катером отрезков "52 м", "82 м" и "41 м", следит за скоростью катера до входа на дистанцию и после прохождения отрезка на "41 м", принимает решения о перезаездах по скорости.
Судья-секундометрист фиксирует время прохождения катером отрезков "52 м", "82 м" и "41 м".
В катере могут находиться 2 или 3 человека.
10.6 Измерение дальности прыжков
Дальность прыжков может измеряться двумя системами:
Системой трех сдвоенных угломеров (визиров), отвечающих следующим требованиям:
минимальный радиус угломера 25 см
деление шкалы угломера 0,2°
максимальное различие показаний верхнего и нижнего визира на фиксированную точку (на суше) не должно превышать 0,1°.
Рекомендованное расположение визирных станций показано на рисунке 12.

Рисунок 12. Рекомендуемое расположение визирных станций.
Визирные станции должны быть установлены не далее 70 м от точки приводнения лыжника.
Вычисления длины прыжков должны производиться на компьютере.
Видеосистемой. В настоящее время таких систем несколько. При использовании видеосистемы требуется либо производить видеозапись каждого прыжка, либо дублировать ее стандартной угломерной системой.
Дальность прыжка определяется расстоянием от точки на воде, лежащей под серединой среза трамплина, до точки, в которой лыжи при приводнении спортсмена оказывают максимальное давление на воду (в этом месте возникает всплеск после приводнения). При использовании видеосистемы точка приводнения лыжника определяется согласно инструкции по работе с видеосистемой. Точность измерения длины прыжка должна быть +/-10 см.
Точка приводнения лыжника определяется как центр вписанного круга в треугольник, построенный по средним значениям углов каждой пары визиров, установленных в одной точке. Размер треугольника определяется как диаметр этого вписанного круга.
Допустимый размер треугольника - 0,6 м для R- и L-гомологации и 0,9 м для N-гомологации.
Если показания верхнего и нижнего визира на какой-либо станции дают различие в длине прыжка более 0.6 м (0.9 м), то следует использовать то из них, которое дает меньший треугольник.
10.7 Перезаезды
Если диаметр вписанного круга по угловым измерениям прыжка больше 0,6 м (0,9 м), участнику предоставляется право выбора: получить результат длины прыжка, равный расстоянию до ближайшей вершины треугольника, или совершить после использования оставшихся попыток повторный прыжок. Если результаты предшествующих или последующих прыжков превышают расстояние до дальней вершины треугольника обсуждаемого прыжка, то повторная попытка не предоставляется.
При использовании повторной попытки результат не может превысить расстояние до дальней вершины треугольника повторяемого прыжка, и в то же время не может быть меньше расстояния до ближайшей вершины треугольника.
Если перезаезды даются более чем на один прыжок в данном заезде, они разрешаются последовательно в порядке их поступления.
Ситуации с перезаездами по скорости представлены на картах перезаездов 1 и 2.
Общее правило: если скорость завышена, перезаезд обязателен если скорость занижена, участнику должно быть предоставлено право на перезаезд. Но есть исключения (смотреть карты перезаездов).
10.8 Карты перезаездов по скорости (по варианту 1)
Перезаезды для максимальных скоростей по варианту 41 м (2) указаны в таблице 9.
Таблица 9. Перезаезды по скорости (вариант 2)
|
82 м
|
41 м
|
Решение
|
|
OK
|
OK
|
Нет перезаезда
|
|
OK
|
F
|
Перезаезд обязателен, если результат - лучший из всех попыток, предыдущих и последующих. В перезаезде результат может быть улучшен.
|
|
OK
|
S
|
Право на перезаезд. Результат повторяемого прыжка сохраняется.
|
|
S
|
OK
|
Право на перезаезд. Результат повторяемого прыжка сохраняется.
|
|
S
|
F
|
Перезаезд обязателен, если результат - лучший из всех попыток, предыдущих и последующих. В другом случае - право на перезаезд с сохранением результата повторяемого прыжка.
|
|
S
|
S
|
Право на перезаезд с сохранением результата повторяемого прыжка.
|
|
F
|
OK
|
Обязательный перезаезд.
|
|
F
|
S
|
Обязательный перезаезд.
|
|
F
|
F
|
Обязательный перезаезд.
|
--------------------------------
OK - скорость в норме; F - скорость завышена; S - скорость занижена.
Перезаезды для максимальных скоростей (по варианту RTB - 41 м (1) указаны в таблице 10.
Таблица 10. Перезаезды по скорости (вариант 1)
|
Сегмент
1 (52 м)
|
Сегмент
1 + 2 (82 м)
|
Сегмент
3 (41 м)
|
Решение
|
Сохранение результата
|
|
OK
|
OK
|
OK
|
Нет перезаезда.
|
|
|
--
|
S
|
--
|
Право на перезаезд
|
Да
|
|
S
|
F
|
--
|
Перезаезд обязателен, если результат - лучший из всех попыток. Улучшить результат нельзя.
|
Нет
|
|
OK/F
|
F
|
__
|
Перезаезд обязателен, если результат - лучший из всех попыток.
|
Нет
|
|
F
|
OK
|
S/OK
|
Право на перезаезд.
|
Да
|
|
S
|
OK
|
OK/F
|
Перезаезд обязателен, если результат - лучший из всех попыток. Улучшить результат нельзя.
|
Нет
|
|
S
|
OK
|
S
|
Право на перезаезд.
|
Нет
|
|
F
|
OK
|
F
|
Право на перезаезд.
|
Нет
|
|
OK
|
OK
|
F
|
Перезаезд обязателен, если результат - лучший из всех попыток.
|
Нет
|
|
OK
|
OK
|
S
|
Право на перезаезд.
|
Да
|
--------------------------------
OK - скорость в норме; F - скорость завышена; S - скорость занижена.
Перезаезды по скорости для максимальных скоростей для категорий варианту 41 м (2) указаны в таблице 11.
Таблица 11. Перезаезды по скорости для максимальных скоростей для категорий
|
Сегмент
1 (52 м)
|
Сегмент
1 + 2 (82 м)
|
Сегмент
3 (41 м)
|
Решение
|
|
OK
|
OK
|
Не F для максимальной скорости
|
Нет перезаезда.
|
|
Один сегмент F для максимальной скорости и нет сегментов S
|
Перезаезд обязателен, если результат - лучший из всех попыток.
|
||
|
Один сегмент F для максимальной скорости и по крайней мере один сегмент S
|
Перезаезд обязателен, если результат - лучший из всех попыток. В других случаях - право на перезаезд с сохранением результата.
|
||
|
Нет сегментов F для максимальной скорости, а сегмент 1 или сегмент 2 - S или F для заказанной скорости
|
Право на перезаезд с сохранением результата.
|
||
Перезаезды по скорости ниже максимальных скоростей для категорий указаны в таблице 12.
Таблица 12. Перезаезды по скорости ниже максимальных скоростей для категорий
|
Сегмент 1
(52 м)
|
Сегмент 1 + 2
(82 м)
|
Сегмент 3 (41 м)
(52 м)
|
Решение
|
|
OK
|
OK
|
Не F для
максимальной скорости
|
Нет перезаезда
|
|
Один сегмент F для максимальной скорости и нет сегментов S.
|
Перезаезд обязателен, если результат лучший из всех попыток.
|
||
|
Один сегмент F для максимальной скорости и по крайней мере один сегмент S.
|
Перезаезд обязателен, если результат лучший из всех попыток. В других случаях - право на перезаезд с сохранением результата.
|
||
|
Нет сегментов F для максимальной скорости, а сегмент 1 + 2 (82 м) - S или F для заказанной скорости
|
Право на перезаезд. Результат повторяемого прыжка сохраняется
|
||
При многократных завышениях скорости в сегменте "41 м" перезаезды начинаются с лучшего результата.
Если на отрезке "41 м" скорость завышена, но длина прыжка меньше, чем в предыдущих или последующих попытках, то перезаезд не дается.
Если скорость занижена, спортсмен имеет право на перезаезд. При этом результат не может быть меньше, чем полученный в попытке, приведшей к перезаезду.
Если заказанная спортсменом скорость ниже максимально разрешенной, и заказанная скорость завышена, но не выше максимально разрешенной, спортсмен имеет право на перезаезд.
Если перезаезд дан из-за ошибочного курса катера или ошибки в скорости, он должен быть взят немедленно.
Арбитр в катере должен держать поднятым соответствующий флаг на обратном проходе, показывая, что перезаезд взят за только что совершенный прыжок.
Если случается больше двух перезаездов в одном заезде спортсмену, предоставляется право на 5-минутный отдых перед продолжением заезда.
В случае, где имеют место и "плохое" время и большой треугольник в одном и том же прыжке, время имеет преимущество над треугольником.
Для уровней гомологации R и L время прохождения катером всех трех сегментов должно записываться; перезаезды даются при следующих условиях:
если любое время слишком быстрое, то перезаезд обязателен;
если нет слишком быстрых времен, а какое-либо время слишком медленное, дается право на перезаезд.
При проходе мимо трамплина или падении перед трамплином 3-й временной сегмент (41 м) не используется.
Все ситуации описаны на картах перезаездов 3 и 4, приведенных ниже.
Если какой-либо сегмент быстрый, а результат прыжка ниже предыдущих или последующих в круге, то перезаезд не дается.
Когда регистрируется быстрый сегмент, судьи в катере должны сигнализировать лыжнику перекрестием рук ("X"), показывая, что лыжник может иметь потенциальный перезаезд.
10.9 Определение результатов
В зачет участнику в каждом этапе соревнований идет результат прыжка наибольшей дальности.
Результат личного первенства определяется по финалу.
Если участники, претендующие на первое место, имеют одинаковые результаты в финальном этапе, то проводятся дополнительные заезды с новой жеребьевкой.
Если одинаковые результаты в финальном этапе показаны для второго или третьего места, то место участника определяется по лучшему результату в основном этапе. Если и в основном этапе одинаковые результаты, то проводятся дополнительные заезды с новой жеребьевкой.
В дополнительных заездах каждому участнику дается право на 2 попытки.
Заезды проводятся до выявления победителя. Результаты дополнительных заездов не учитываются при подсчете очков многоборья, в выполнении разрядных норм и при установлении рекордов.
11. ПРАВИЛА ПРОВЕДЕНИЯ СОРЕВНОВАНИЙ ПО СПОРТИВНЫМ
ДИСЦИПЛИНАМ "КАТЕР - СЛАЛОМ", "ЭЛЕКТРОТЯГА - СЛАЛОМ"
11.1 Общие требования
Соревнования по слалому могут проводится с помощью водно-моторных судов (катеров) и с помощью канатно-буксировочной дороги (электротяги).
Построение трасс для слалома за катерами за электротягой идентичны.
Входом на дистанцию считаются входные ворота во время первого прохождения.
Каждому участнику дается право на один заезд, во время которого он совершает последовательно прохождения дистанции слалома до первого пропущенного буя или до первых пропущенных ворот, или до первого падения.
Катер должен ехать прямолинейно с заданной скоростью по курсу, ограниченному катерными буями дистанции.
11.2 Падения
При падении до входа на дистанцию, на дистанции, на развороте перед входом на дистанцию для прохождения в противоположном направлении или при любом незачетном прохождении по дистанции участник считается закончившим заезд.
Участник может отказаться от входа на дистанцию, показав это демонстративным отбрасыванием рукоятки буксировочного троса в воздух, и ему будет дано право снова начать заезд, если причина отказа, по мнению большинства арбитров, была уважительной.
Если причина отказа признана неуважительной, участник считается закончившим заезд. Как только спортсмен прошел входные ворота в первом прохождении, он не имеет права отказываться от входа на дистанцию в следующих прохождениях.
Участник имеет право перед повторным прохождением заменить или исправить инвентарь, поврежденный при предыдущих прохождениях дистанции.
Если после отказа от прохождения, остановки для ремонта или замены инвентаря лыжник не может принять старт в течение 3 минут с момента подхода катера-буксировщика, он лишается права на продолжение заезда.
11.3 Скорость катера
Максимальная скорость движения катера: мужчины, юниоры до 22 лет и юноши до 18 лет - 58 км/ч, девушки до 15 лет, мальчики до 13 лет, девочки до 13 лет - 52 км/ч, для мальчики и девочки до 11 лет - 49 км/ч.
Для остальных возрастных групп - 55 км/ч.
Скорость катера должна определяться автоматической системой ("ZeroOff", "PerfectPass" и прочих систем). Время прохождения катера по дистанции должно регистрироваться от входных ворот до катерных ворот, следующих после буя, полностью взятого участником. Точность регистрации времени - 0,01 с.
Время и допуски показаны в таблице N 13:
Таблица 13. Время и допуски
|
Скорость, км/ч
|
Буи
|
0 - 0,5
|
1 - 1,5
|
2 - 2,5
|
3 - 3,5
|
4 - 4,5
|
5 - 5,5
|
Все 6
|
|
От/до
|
B-1
|
B-2
|
B-3
|
B-4
|
B-5
|
B-6
|
B-X
|
|
|
58
|
Быстро
|
1,64
|
4,15
|
6,67
|
9,20
|
11,73
|
14,25
|
16,00
|
|
Точно
|
1,68
|
4,22
|
6,77
|
9,31
|
11,86
|
14,40
|
16,08
|
|
|
Медленно
|
1,71
|
4,28
|
6,84
|
9,41
|
11,97
|
14,53
|
16,16
|
|
|
55
|
Быстро
|
1,73
|
4,37
|
7,03
|
9,69
|
12,35
|
15,02
|
16,86
|
|
Точно
|
1,77
|
4,45
|
7,13
|
9,82
|
12,50
|
15,19
|
16,95
|
|
|
Медленно
|
1,80
|
4,51
|
7,23
|
9,93
|
12,64
|
15,34
|
17,04
|
|
|
52
|
Быстро
|
1,83
|
4,62
|
7,43
|
10,24
|
13,05
|
15,87
|
17,72
|
|
Точно
|
1,87
|
4,71
|
7,55
|
10,38
|
13,22
|
16,06
|
17,93
|
|
|
Медленно
|
1,91
|
4,78
|
7,65
|
10,52
|
13,39
|
16,25
|
18,13
|
|
|
49
|
Быстро
|
1,94
|
4,90
|
7,87
|
10,85
|
13,83
|
16,81
|
18,78
|
|
Точно
|
1,98
|
5,00
|
8,01
|
11,02
|
14,03
|
17,04
|
19,03
|
|
|
Медленно
|
2,03
|
5,08
|
8,13
|
11,18
|
14,22
|
17,27
|
19,27
|
|
|
46
|
Быстро
|
2,06
|
5,21
|
8,37
|
11,54
|
14,71
|
17,88
|
19,98
|
|
Точно
|
2,11
|
5,32
|
8,53
|
11,74
|
14,95
|
18,16
|
20,27
|
|
|
Медленно
|
2,16
|
5,42
|
8,68
|
11,93
|
15,18
|
18,42
|
20,56
|
|
|
43
|
Быстро
|
2,20
|
5,56
|
8,94
|
12,33
|
15,71
|
19,10
|
21,34
|
|
Точно
|
2,26
|
5,69
|
9,13
|
12,56
|
15,99
|
19,42
|
21,68
|
|
|
Медленно
|
2,32
|
5,81
|
9,30
|
12,78
|
16,27
|
19,75
|
22,03
|
|
|
40
|
Быстро
|
2,36
|
5,97
|
9,60
|
13,23
|
16,86
|
20,50
|
22,89
|
|
Точно
|
2,43
|
6,12
|
9,81
|
13,50
|
17,19
|
20,88
|
23,31
|
|
|
Медленно
|
2,50
|
6,26
|
10,02
|
13,78
|
17,53
|
21,27
|
23,74
|
|
|
37
|
Быстро
|
2,54
|
6,44
|
10,35
|
14,27
|
18,19
|
22,11
|
24,70
|
|
Точно
|
2,63
|
6,62
|
10,61
|
14,59
|
18,58
|
22,57
|
25,20
|
|
|
Медленно
|
2,71
|
6,79
|
10,86
|
14,93
|
18,99
|
23,06
|
25,73
|
|
|
34
|
Быстро
|
2,76
|
6,99
|
11,24
|
15,49
|
19,74
|
23,99
|
26,81
|
|
Точно
|
2,86
|
7,20
|
11,54
|
15,88
|
20,22
|
24,56
|
27,42
|
|
|
Медленно
|
2,95
|
7,41
|
11,85
|
16,29
|
20,73
|
25,16
|
28,08
|
|
|
31
|
Быстро
|
3,02
|
7,65
|
12,29
|
16,93
|
21,58
|
26,24
|
29,31
|
|
Точно
|
3,14
|
7,90
|
12,66
|
17,42
|
22,18
|
26,94
|
30,08
|
|
|
Медленно
|
3,25
|
8,15
|
13,05
|
17,93
|
22,82
|
27,70
|
30,90
|
|
|
28
|
Быстро
|
3,33
|
8,43
|
13,55
|
18,68
|
23,81
|
28,94
|
32,33
|
|
Точно
|
3,47
|
8,74
|
14,01
|
19,29
|
24,56
|
29,83
|
33,30
|
|
|
Медленно
|
3,61
|
9,07
|
14,51
|
19,94
|
25,37
|
30,80
|
34,37
|
|
|
25
|
Быстро
|
3,71
|
9,40
|
15,11
|
20,83
|
26,54
|
32,26
|
36,04
|
|
Точно
|
3,89
|
9,79
|
15,70
|
21,60
|
27,50
|
33,41
|
37,30
|
|
|
Медленно
|
4,07
|
10,21
|
16,34
|
22,46
|
28,58
|
34,68
|
38,70
|
Для максимальных скоростей устанавливаются еще более точные ограничения, которые приведены в следующей таблице N 14:
Таблица 14. Ограничения для максимальных скоростей
|
Скорость, км/ч
|
Медленно
|
Точно
|
Быстро
|
|
58
|
16,04
|
16,08
|
16,12
|
|
55
|
16,90
|
16,95
|
17,00
|
Нарушение их не требует перезаезда для участника, но водитель катера будет предупрежден главным судьей о необходимости соблюдать скорость в этих пределах и может быть отстранен от вождения.
11.4 Условия прохождения дистанции
Скорость катера и длина троса для первого прохождения определяется положением о соревнованиях, направление движения катера при первом прохождении устанавливается судейской коллегией.
При плохих погодных условиях судейская коллегия может назначить начальную скорость катера на 3 или 6 км/ч меньше или начальную длину буксировочного троса на 1 и 2 ступени больше.
Участник, буксируемый катером, должен войти во входные ворота дистанции, последовательно обойти 6 буев и выйти через выходные ворота дистанции (это одно успешное прохождение). После разворота катера участник таким же образом должен пройти дистанцию в обратном направлении и т.д. При каждом последующем прохождении скорость катера увеличивается на 3 км/ч, а по достижении максимальной буксировочный трос укорачивается на 1 ступень.
Ступени укорочения исходного (18,25 м) буксировочного троса следующие:
1-я - 16 м
2-я - 14,25 м
3-я - 13 м
4-я - 12 м
5-я - 11,25 м
дальнейшие укорочения - по 0.5 м
Лыжник может начать заезд при более высокой скорости катера или при более короткой длине буксировочного троса, чем объявлено для первого прохождения. Об этом он заявляет судье на старте.
Если спортсмен выбирает длину буксировочного троса менее максимальной 18,25 м и скорость менее максимальной для своей возрастной категории, то он будет продолжать заезд на этой длине троса до достижения максимальной скорости, при этом ему будут начисляться очки за взятые буи на скоростях менее максимальной, как если бы он ехал на максимальной длине буксировочного троса 18,25 м.
В процессе заезда лыжник имеет право выбирать условия прохождения дистанции, то есть пропускать скорости и ступени укорочения буксировочного троса.
11.5 "Взятие" буев
Буй считается пропущенным, если лыжник прошел около буя с внутренней стороны, проехал по бую или перепрыгнул через него.
Проезд по бую определяется как удар по бую лыжей, вызвавший его значительное смещение или временное затопление.
Задевание (касание) буя лыжей или телом не считается нарушением.
Входные и выходные ворота считаются пропущенными, если центр лыжи проходит снаружи центра воротного буя, как показано на рисунке 12 (два нижних варианта).

Успешное прохождение

Прохождение мимо
Рисунок 12. Судейство ворот - правый буй ворот
За непропущенные буи очки начисляются следующим образом (смотреть рисунок 13).

Рисунок 13. Взятие буев.
1/4 очка дается, если участник в лыжной позиции пересек линии АБ и XY.
1/2 очка дается, если участник в лыжной позиции обошел буй и снова пересек линию АБ до траверза следующего буя или выходных ворот.
1 очко дается, если участник в лыжной позиции пересек линию воротных буев до траверза следующего буя с натянутым буксировочным тросом.
Требование натянутого троса обусловлено необходимостью обеспечения безопасности участника. Если спортсмен может пересечь линию буев с провисшим тросом, он все равно не получит в зачет целое очко, поэтому не следует и пытаться делать это. Требование натянутого буксировочного троса не касается выходных ворот.
11.6 Судейство слалома
В катере должны находиться 2 или 3 человека: водитель катера, арбитр и судья-хронометрист. Арбитр следит за условиями заезда, курсом катера, автоматическим электронным хронометром и датчиками скорости, дает оценку выступления спортсмена.
Судья-хронометрист фиксирует время прохождения катером мерных отрезков дистанции.
Главный судья может заменить судью-хронометриста видео оператором или другим лицом.
В зависимости от технического обеспечения возможны различные варианты судейства слалома:
5 судей рисунок 14: арбитр в катере и по 2 арбитра на каждой слаломной вышке.

Рисунок 14. Судейство 5 арбитров.
Прохождение входных и выходных ворот судят арбитр в катере и 2 арбитра с ближайшей к соответствующим воротам вышки. Взятие лыжных буев судят все 5 арбитров.
Свои результаты арбитры должны сообщать главному судье (или его заместителю) и секретарю по радио после каждого прохождения дистанции участником.
В конце каждого прохождения арбитры последовательно должны решить:
взял ли лыжник входные ворота;
сколько буев взял лыжник во время прохождения.
Судья, который считает ворота пропущенными, то есть дает 0 очков в прохождении, обязан фиксировать взятие буев спортсменом на дистанции, как если бы ворота были взяты.
Секретарь сначала определяет, взял ли участник входные ворота. Если спортсмен взял ворота, секретарь определяет его результат по большинству высших оценок арбитров.
Таким образом, если оценки арбитров 1, 1,
,
и
, то результат участника -
.
Результат, определенный судьями, считается окончательным. Результат участника должен быть определен до старта следующего спортсмена.
Если нет возможности разместить судейские слаломные вышки согласно требованиям правил, можно использовать видеокамеры, установленные на мачтах в удобных местах. Сигнал с видеокамер должен поступать на монитор на центральную судейскую вышку, откуда и будет осуществляться судейство ворот. В дополнение можно использовать видеокамеру на катере. Сигнал видеокамер должен записываться для возможного просмотра.
Центральная судейская вышка должна располагаться между 2-м и 5-м буями.
Размер ворот на экране монитора должен быть не меньше 1/6 ширины экрана, рекомендуется - 1/3 ширины экрана.
Просмотр видеозаписи прохождения спортсменом ворот можно делать на нормальной скорости, замедленно или покадрово рисунок 15 - 17.

Рисунок 15. Судейство 4 арбитра с видеорегистрацией ворот.

Рисунок 16. Судейство 3 арбитра с видеорегистрацией ворот.
При вариантах, изображенных на рисунках 15 и 16:
Каждые ворота должны судить 2 судьи, используя видеокамеры, расположенные для обзора соответствующих ворот. Сигналы от видеокамер должны передаваться на монитор и записываться.
Каждый судья независимо определяет взятие ворот, наблюдая монитор. Если один или оба судьи "прозевали" ворота, они могут просмотреть запись. Если судьи не согласны в оценке взятия ворот, то решение принимает главный судья.
Взятие лыжных буев считает арбитр в катере и 2 арбитра, располагающихся симметрично на обеих сторонах дистанции.
Могут быть и другие варианты размещения судей, но во всех случаях число судей, необходимое для судейства ворот и буев, должно быть как указано выше. Точное количество судей будет зависеть от того, ответственен ли главный судья за ворота, за буи или за то и другое.

Рисунок 17. Судейство 4 арбитра с видеорегистрацией ворот
и видеорегистрацией из катера.
Когда используется видеокамера из катера, сигнал на мониторе наблюдает специальный судья, который сообщает судье, если он не согласен с решением судей, считающих буи. В этом случае главный судья и специальный судья просматривают запись, чтобы определить правильный результат.
Если они не приходят к общему мнению или убеждаются, что видеорегистрация не дает ясности, то решение арбитров по оценке взятия буев остается в силе.
Если в распоряжении главного судьи нет судьи, который мог бы работать с монитором в качестве просмотрового судьи, а сам главный судья не согласен с решением арбитров по оценке взятия буев, то главный судья должен попросить арбитров посмотреть видеозапись, а затем решение принимается простым большинством.
Если спортсмен или представитель команды считает, что совершена ошибка в определении результата, он может подать протест. Главный судья и назначенный им просмотровый судья просматривают запись взятия буев или ворот и принимают решение.
11.7 Перезаезды
При отклонении катера от прямолинейного курса, за границу катерных буев арбитр в катере должен дать участнику право на перезаезд, если отклонение катера помешало участнику. Если отклонение катера помогло участнику, то перезаезд обязателен.
Если в каком-либо прохождении скорость катера ниже допустимого предела, то перезаезд обязателен. Скорость считается заниженной, если время прохождения катером любого из мерных отрезков медленнее допустимого.
Если в этом прохождении участник не взял полностью трассу, то ему в результате перезаезда не может быть зачтен более высокий результат, чем при заниженной скорости, если только скорость не была занижена чрезмерно.
Временем чрезмерного занижения считается верхний предел предыдущей скорости.
Если участник взял трассу полностью, он может выбрать продолжение заезда вместо повторного прохождения.
Если выбранное прохождение окажется полным, участник получает очки за оба прохождения.
В случае неполного прохождения участник получает очки за взятые буи, как если бы это прохождение было повторным.
Если скорость в каком-либо прохождении выше допустимого предела, и участник не взял трассу полностью, ему должно быть предоставлено право на перезаезд. Арбитр в катере любым приемлемым способом должен определить, согласен ли участник совершить перезаезд или нет.
При перезаезде катер должен пройти по дистанции в противоположном направлении (это незачетное прохождение), а перезаезд совершается в первоначальном направлении.
При незачетном прохождении арбитр в катере должен держать поднятым зеленый флаг, показывая, что перезаезд дан за предыдущее прохождение.
Если в перезаезде спортсмен показывает более низкий результат, то ему сохраняется результат, показанный в прохождении, приведшем к перезаезду.
Если в каком-либо заезде участнику дается более 2 перезаездов, он имеет право потребовать 5-минутный отдых. Время отдыха не должно нарушать порядок стартов в финале или перезаездах за право участия в финале.
Если участнику ненамеренно устанавливают более сложные условия (более высокая скорость или более короткий буксировочный трос), чем были заказаны, лыжник имеет право получить в зачет действительно показательный результат, включая очки за заказанную скорость или длину буксировочного троса (в случае успешного прохождения), или взять перезаезд.
Если участнику ненамеренно устанавливают скорость ниже или буксировочный трос длиннее, чем заказано, спортсмену должно быть дано право продолжить выступление на условиях, следующих за заказанными (в случае успешного прохождения), или взять перезаезд, или получить очки за совершенное прохождение.
Если участник повреждает свое оборудование во время прохождения, которое приводит к перезаезду, ему дается 3 минуты с момента предоставления перезаезда для замены или ремонта оборудования.
Если спортсмен не может стартовать в течение 3 минут, то в случае обязательного перезаезда прохождение, явившиеся причиной перезаезда, оценивается на отрезке дистанции, где скорость катера была в норме или завышена. Если спортсмен не может реализовать право на перезаезд, он получает очки за прохождение, приведшее к перезаезду.
11.8 Видеозапись курса катера
Видеозапись должна производиться для всех прохождений при длине буксировочного троса 12 м и короче.
Видеокамера должна быть жестко установлена в точке на центральной линии дистанции слалома, по крайней мере с одного конца. Оптическое (не цифровое) увеличение должно быть достаточным, чтобы изображение дальних ворот занимало по крайней мере 1/6 ширины экрана (рекомендуется 1/3 или больше).
После соревнований видеозапись посылается в Технический комитет Федерации воднолыжного спорта России.
Рекомендуется транслировать видеозапись курса на монитор на центральную судейскую вышку, чтобы была возможность контролировать работу водителя катера. На катере спереди и сзади должны быть метки (либо по одной посередине, либо по две на расстоянии 20 см от середины) для удобства оценки отклонения катера от курса.
Главный судья может назначить судью по оценке курса катера. Решение о перезаезде из-за отклонения катера от курса принимается главным судьей или назначенным судьей. В случае перезаезда сохраняется результат до точки недопустимого отклонения катера от курса.
11.9 Определение результатов
Участник, начавший заезд с первого прохождения, получает оценку в очках в соответствии с правилом начисления очков за все взятые буи (11.5.в) во всех прохождениях. Участник, начавший заезд не с первого прохождения и взявший 6 буев и выходные ворота, получает такое же количество очков, какое он получил бы, если бы начал заезд с первого прохождения. Если же этот участник взял менее 6 буев или не прошел выходные ворота, он получает очки только за взятые буи. Таким же образом оценивается прохождение, когда в процессе заезда спортсмен пропускает очередную скорость или ступень укорочения буксировочного троса, то есть в случае неполного прохождения участник получает результат, как если бы он совершал пропущенное прохождение.
Результат личного первенства определяется по финалу.
Если в финале 2 или более участников, претендующие на первое место показывают одинаковые результаты, то для выявления победителя проводятся дополнительные заезды с новой жеребьевкой.
Если одинаковые результаты в финале показаны претендентами на второе или третье места, то их место определяются по результатам основного круга.
Если и в основном круге претенденты на второе или третье места имеют одинаковые результаты, то проводятся дополнительные заезды с новой жеребьевкой.
Дополнительные заезды начинаются при скорости и длине буксировочного троса, при которых была взята трасса.
Если показаны одинаковые результаты, проводится новая жеребьевка и новые заезды. Новые заезды начинаются с последней полностью взятой трассы. Дополнительные заезды проводят до выявления победителя и призеров.
В дополнительных заездах спортсмен имеет право пропускать любое очередное прохождение.
Результаты дополнительных заездов не учитываются в многоборье, для выполнения квалификационных нормативов, для рейтингов и как рекорды.
12. ПРАВИЛА ПРОВЕДЕНИЯ СОРЕВНОВАНИЙ ПО СПОРТИВНЫМ
ДИСЦИПЛИНАМ "КАТЕР - ФИГУРНОЕ КАТАНИЕ",
"ЭЛЕКТРОТЯГА - ФИГУРНОЕ КАТАНИЕ"
12.1 Общие требования.
Соревнования по фигурному катанию могут проводится с помощью водно-моторных судов (катеров) и с помощью канатно-буксировочной дороги (электротяги).
Построение трасс для фигурного катания за катером и за электротягой идентичны.
На соревнованиях по фигурному катанию в катере может быть 2 или 3 человека. Соответствующее решение принимается главный судьей перед началом соревнований. Выбранное количество человек в катере должно оставаться неизменным в течение всех соревнований.
Два буя, расстояние между которыми составляет около 230 м, определяют приблизительное место начала прохождения в фигурном катании в каждом направлении. Входом на дистанцию фигурного катания считается первый буй дистанции в каждом прохождении. Катер должен пройти с одной из сторон по выбору лыжника. В случае, когда прохождение катера с какой-либо стороны от входного буя невозможно, гомологатор при согласии главного судьи может указать, что катер всегда проходит с одной определенной стороны от входного буя. Это должно быть указано в гомологационном досье соревнований. При этом катер должен двигаться по прямой линии, проходящей параллельно трассе для фигурного катания.
Окончание прохождения определяется исключительно по окончанию 20-секундного интервала.
Каждому участнику предоставляется два прохождения по трассе фигурного катания. В течение этого времени лыжник выполнить любое количество фигур по своему желанию.
Главный судья может потребовать от каждого участника представить в судейскую коллегию программу своего выступления. Фигуры должны быть записаны стандартными обозначениями согласно таблице фигур настоящих правил. Обратные фигуры должны обозначаться буквой R перед стандартным обозначения фигуры. Любая фигура, включая обратные, может включаться в программу более одного раза в любом месте. Цель требования предоставления программы - обеспечить более быстрый подсчет результатов, облегчить работу судей, повысить интерес зрителей благодаря оперативным комментариям ведущего репортаж.
Участник, не подавший в срок, определенный главным судьей соревнований, программу своего выступления, не допускается к соревнованиям.
Участник не будет наказан, если во время выступления не будет следовать заявленной программе.
12.2 Вход на трассу
Лыжник может отказаться от входа на трассу, показав это демонстративным отбрасыванием рукоятки в воздух или путем отцепления (подав понятный отцепщику сигнал на отцепление) до входа на трассу. Если причина отказа, по мнению большинства арбитров этой дисциплины, признана неуважительной, лыжник лишается права на это прохождение. Лыжник должен быть готов стартовать сразу после возвращения катера.
Если причина отказа будет сочтена уважительной, лыжник должен повторить вход на трассу по обычной траектории.
12.3 Повреждение инвентаря и оборудования
Если после старта и до прохода мимо начального буя (красного) в первом прохождении лыжник заметит, что его инвентарь поврежден, арбитры этого вида могут предоставить лыжнику 3 минуты на ремонт или замену неисправного оборудования, после чего лыжник должен быть готов продолжить выступление.
Отсчет времени, выделенного на ремонт или замену поврежденного инвентаря, начинается с момента, когда лыжник может перейти из катера на стартовый пирс. Судья в катере несет ответственность за измерение этого времени.
12.4 Падение лыжника
Если лыжник падает перед первым прохождением, то он лишается права выполнить первое прохождение. В этом случае катер должен подобрать лыжника и доставить его к месту начала второго прохождения.
Если лыжник падает после первого прохождения и перед вторым прохождением, он лишается права на продолжение выступления в этом круге.
Если, по мнению большинства арбитров, участник упал после окончания первого 20-секундного прохождения, он лишается права на продолжение выступления в этом круге.
12.5 Условия проведения заезда.
Катер должен двигаться как можно ближе к траектории, заданной судьями по этой дисциплине, с учетом времени подготовки перед каждым прохождением.
В первом и втором прохождениях катер движется в противоположных направлениях. Лыжник не может вернуться за лыжей, если он ее сбросил.
Лыжник обязан сообщить водителю катера желаемую скорость выдерживать в каждом прохождении, а также может потребовать изменить скорость при подготовке к прохождению до точки, расположенной в 50 м до входа на трассу. Перед началом прохождения водитель катера должен установить для лыжника запрошенную им скорость. Выбранная скорость должна поддерживаться постоянной за 50 м до входа на дистанцию и до окончания прохождения. Если скорость установлена неправильно или запрошенная лыжником скорость не выдержана, то лыжник имеет право потребовать перезаезд, если сам лыжник не изменил скорость после ее установки.
Лыжник может потребовать изменить скорость и после точки, расположенной в 50 м до входа на трассу (в том числе и непосредственно на трассе), но в этом случае лыжник должен принять установленную водителем скорость и лишается права требовать перезаезд из-за неправильно подобранной скорости.
Лыжник может начать первое прохождение на двух лыжах или на одной лыже. Начинать второе прохождение на двух лыжах, если в первом прохождении одна лыжа была сброшена, не разрешается.
Если лыжник падает во время или в конце первого прохождения, он получает не более 45 секунд (время подготовки) для подготовки ко второму прохождению после подхода к нему катера. По желанию спортсмена, если он не упал во время или в конце первого прохождения, катер может остановиться между прохождениями не более чем на 45 секунд для подготовки лыжника ко второму прохождению.
До окончания времени подготовки лыжник должен быть готов к старту и находиться в воде, иначе лыжник лишается права на второе прохождение.
Позиционные фигуры в начале прохождения должны быть выполнены до входного буя, если лыжник не объявил судье на старте о выполнении позиционной фигуры.
Любая фигура, выполненная до входного буя, считается позиционной и выполненной вне трассы.
Любая фигура, выполненная после входного буя, считается выполненной на трассе, если спортсмен не объявил судье на старте о выполнении позиционной фигуры.
Началом прохождения считаются (после входа на дистанцию):
Первое различимое вращение лыжи в выполнении плоской фигуры;
Для волновых фигур:
Первое различимое вращение лыжи, когда лыжник достигает волны.
Когда лыжа под креплением передней ноги отрывается от воды.
Когда крепление передней ноги пересекает гребень волны.
Прохождение считается законченным, если:
прошло 20 секунд после начала прохождения, что отмечается коротким, громким, отчетливо слышимым сигналом. Этот сигнал должен издаваться автоматическим устройством;
спортсмен упал на дистанции.
Если участник падает во время первого прохождения, он может выбрать повторение этой же программы во втором прохождении.
12.6 Судейство фигурного катания
Фигура оценивается и засчитывается тремя или пятью арбитрами.
Как вариант можно использовать две команды из 3-х арбитров. Каждая команда записывает одно прохождение участника.
Между двумя прохождениями спортсмена не допускается остановки для просмотра видеозаписи.
Разрешается задержка выступления следующего участника для просмотра видеозаписи предыдущего.
Возможна запись выступлений спортсмена арбитрами с монитора, изображение на который передается с видеокамеры, установленной в катере. Каждый из арбитров должен самостоятельно записать все фигуры, которые участник пытается выполнить, и отметить, была ли каждая из них выполнена в соответствии с правилами, была ли начата после входа в зону для начала выполнения фигур и закончена до сигнала об окончании прохождения.
Выступления всех участников должны записываться видеокамерой из катера. При использовании более чем одной видеокамеры, главный судья должен объявить одну из них официальной.
В катере могут находиться арбитр и судья. Арбитр контролирует скорость и путь движения катера. Судья следит за спортсменом и отсоединяет буксировочный трос при падении участника. Арбитр обычно заменяется оператором видеокамеры. В этом случае обязанности арбитра возлагаются на водителя катера.
Если арбитр в катере считает, что спортсмену по какой-то причине может быть предоставлено право на перезаезд, он должен по рации дать всю необходимую информацию арбитрам по записи (через главного судью), которые и примут решение.
12.7 Отцепление буксировочного фала
В катере может находиться отцепщик - человек, выбранный лыжником для управления отцепом (механизмом для отцепления буксировочного фала), который предоставляется лыжником. В этом случае лыжник несет полную ответственность за действия отцепщика. Лыжник должен предупредить судью на старте о желании использовать собственного отцепщика по крайней мере за трех участников, перечисленных в стартовом протоколе, до своего выступления.
Отцепщик считается инвентарем лыжника. Любые задержки, возникшие из-за отцепщика, приписываются лыжнику. Лыжник может быть дисквалифицирован, если приглашенный лыжником отцепщик устно или действиями мешает работе арбитра в катере или водителя. Лыжник несет полную ответственность за отцепление или неисправность отцепляющего механизма. В случае преждевременного или случайного отцепления перезаезд не предоставляется.
Спортсмен может использовать отцеп, предоставленный организаторами соревнований. В этом случае он принимает всю ответственность за устройство на себя. Если отцеп организаторов ломается и не может быть использован в дальнейшем, участнику может быть предоставлен перезаезд.
В качестве механизма отцепления можно использовать отрезок троса (отцеп), обернутый вокруг пилона и удерживаемый отцепщиком. Длина отцепа, измеренная от внутренней стороны петли, должна составлять более 1 м. По соображениям безопасности на отцепе не должно быть узлов и соединений (кроме узла или соединения, с помощью которого трос прикрепляется к пилону). После начала прохождения, когда лыжник минует примерное положение входного (красного) буя, отцепщик не имеет права регулировать или двигать отцеп, чтобы изменить его длину или дать слабину. Отцепщик должен держать отцеп в одном положении или отпустить его. Если отцепщик намеренно двигает отцеп, чтобы помочь лыжнику, то лыжник будет дисквалифицирован.
Лыжник может разместить груз массой от 20 до 50 кг, предоставленный организаторами соревнований, на палубе катера. Если в конструкции катера предусмотрены какие-либо устройства для формирования волны (например, балластные танки), то об этом необходимо объявить заранее.
На берегу посредине дистанции располагается судья-хронометрист, который включает автоматическое устройство (на негомологируемых соревнованиях может быть использован секундомер) вначале прохождения. Должно быть дублирующее звуковое устройство, сигнализирующее об истечении 20 сек. на случай несрабатывания основного.
Звуковое устройство, сигнализирующее об окончании прохождения, должно располагаться в центре дистанции. Если возможно, дополнительные звуковые устройства должны быть расположены у концов дистанции.
Звуковой сигнал, отличный от сигнала об окончании прохождения, должен подаваться арбитрам, обозначая начало прохождения.
В случае несрабатывания хронометрирующего устройства или ошибки при измерении времени прохождения перезаезд обязателен.
Также арбитры под наблюдением главного судьи могут определить время по видеозаписи. На видеозаписи должны быть видны входные буи дистанции или большинство арбитров должны признать, что лыжник был на дистанции в начале прохождения.
Может быть использована видеосистема хронометрирования фигурного катания. Для уровней гомологации "L" и "R" она обязательна. Когда она используется, момент окончания 20-секундного прохождения определяется видеоизмерением. Последняя фигура засчитывается, когда часть лыжи под креплением оказывается на воде в последнем кадре при покадровом просмотре. Для определения последней выполненной фигуры назначается судья, который либо сам работает с системой, либо наблюдает за работой оператора.
Если главный судья согласен с решением судьи по последней фигуре, это решение считается официальным. Если у главного судьи другое мнение, то решение принимается арбитрами по записи фигур.
Главный судья может назначить второго судью вместо себя для определения последней фигуры в прохождении. В этом случае разногласия во мнении двух судей разрешает главный судья.
Видеосистема позволяет оперативно скорректировать регистрацию начала текущего прохождения. Видеосистема хронометрирования фигурного катания обязательная для соревнований с уровнем гомологации "L" и "R". При использовании видеосистемы хронометрирования звуковой сигнал не обязателен.
12.8 Зачет фигур
Засчитываются только фигуры, приведенные в правилах. Участнику могут быть засчитаны максимум 6 сальто;
Фигура засчитывается, если спортсмен после ее выполнения остался или возвратился в лыжную позицию;
Фигура, выполнение которой не завершено до окончания прохождения, не засчитывается;
Фигура, выполненная до окончания прохождения, не засчитывается, если лыжник упал в результате выполнения этой фигуры, даже если падение произошло после окончания прохождения;
Очки за выполненные фигуры начисляются участникам согласно таблице, приведенной в настоящих правилах. Секретари должны решить на основе простого большинства арбитров после анализа их записи:
была ли фигура выполнена;
была ли фигура выполнена согласно правилам исполнения этой фигуры;
была ли фигура выполнена после начала или завершена до окончания прохождения;
Если в записях арбитров зафиксировано более одной последовательности фигур, то засчитывается та, которая имеет большую стоимость.
Засчитывается только одна фигура (и связанная с нею реверсная) на двух лыжах и одна (и связанная с ней реверсная) фигура на одной лыже, помещенные в таблице под одним номером.
Реверсная фигура засчитывается, если она выполнена сразу после основной, однако между ними допускается любой поворот на 180°. Она засчитывается и в случае, если основная фигура не была засчитана или была повторной.
Чтобы были засчитаны и основная, и реверсная фигура, они должны быть выполнены в одном и том же прохождении.
Выступление всех участников в фигурном катании должно записываться видеокамерой из катера. Как правило, видеосигнал передается по радио в судейскую комнату, чтобы можно было вести судейство в реальном времени. В качестве резервной копии используется видеозапись, сохраненные в видеокамере. Помимо обычной процедуры судейства фигурного катания по видеозаписи, видеозапись выступления лыжников просматривается арбитрами по записи только при следующих обстоятельствах:
по требованию главного судьи или секретаря, если секретарю невозможно определить большинство голосов судей в отношении того, какие фигуры были выполнены;
по требованию главного судьи или секретаря, если секретарю невозможно определить большинство голосов судей в отношении того, следует ли засчитывать выполненные фигуры;
в исключительных, по мнению главного судьи, случаях для установления правильного результата спортсмена.
Видеозапись просматривается на нормальной скорости или на скорости, составляющей 80% от нормальной.
Если спортсмен или его представитель считает, что была ошибка в хронометрировании прохождения, он может потребовать просмотра видеозаписи. В этом случае главный судья и назначенный просмотровый судья проверяют видеозапись, соблюдая вышеизложенную процедуру, и принимают решение.
12.9 Описание фигур
Определение фигуры
Фигура - это действие между двумя паузами. Засчитывается только одна фигура (и связанная с ней реверсная) на двух лыжах и одна фигура (и связанная с ней реверсная) на одной лыже, приведенные в таблице стоимости фигур под одним номером.
Если нет явного отличия между передним и задним концом лыжи (по месту или углу установки крепления), то передняя часть должна быть четко отмечена на лыже. Судьи могут потребовать от лыжника надеть хорошо заметную метку (ленту) на переднюю ногу, чтобы было проще отличить передний конец лыжи от заднего.
Определение предварительного поворота.
Предварительный поворот - это поворот лыжи на гладкой воде, когда толчок/подскок с воды выполняется после начала поворота. Волновая фигура с предварительным поворотом не засчитывается (оценивается нулем очков).
Боковое скольжение
Все боковые скольжения (с удержанием фала руками или ногой) представляют собой поворот на 90° из лыжной позиции и возвращение лыжную позицию с движением в первоначальном направлении. Боковые скольжения засчитываются, если лыжник делает паузу перед началом выполнения этой фигуры, затем поворачивает лыжу на 90° в любую сторону, останавливается, возвращается в исходное положение и снова останавливается. Для выполнения реверсного бокового скольжения лыжник должен повернуть лыжу на 90° в противоположную сторону, остановиться, вернуться в исходное положение и снова остановиться.
Волновые фигуры
Фигура в прыжке через волну, не выполненная целиком в воздухе и через гребень волны, не засчитывается и не оценивается как аналогичная фигура, выполненная на гладкой воде. Лыжа должна двигаться в сторону гребня волны, после чего происходит толчок/подскок, а затем - поворот, либо толчок/подскок и поворот начинаются одновременно. Поворот не должен начинаться до толчка/подскока с воды. Ненамеренное касание воды носком лыжи допускается при выполнении фигур с поворотом на 540° и больше. Все волновые фигуры с перешагиванием через фал (WL, SL, TWL), в которых лыжник не переносит лыжу или ногу над фалом, могут быть засчитаны в качестве обычных волновых фигур, если выполнены условия для соответствующих волновых фигур.
Фигуры с перешагиванием через фал
Фигуры с перешагиванием через буксировочный фал (как выполняемые на гладкой воде, так и волновые) считаются выполненными, когда лыжник касается лыжи или воды свободной ногой, или когда лыжник касается воды поднятой лыжей после поворота до начала выполнения следующей фигуры или до окончания прохождения. До начала поворота лыжнику не разрешается переносить ногу или поднятую лыжу через фал или касаться ими фала, рукоятки или любой из рук. Перешагивание и поворот должны выполняться одновременно.
Сразу после выполнения поворота с перешагиванием фала в положение спиной к катеру лыжник должен хотя бы одной рукой удерживать рукоятку между ногами.
Поворот на 360° с перешагиванием состоит из поворота на 180° с перешагиванием над волной и поворота на 180°, выполняемых в любом порядке как непрерывный поворот в воздухе.
Поворот на 540° с перешагиванием состоит из поворота на 180° с перешагиванием над волной и поворота на 360°, выполняемых в любом порядке, или из поворота на 180° с перешагиванием над волной, до и после которого выполняется поворот на 180°; все повороты должны быть выполнены как непрерывный поворот в воздухе.
Поворот на 540° с двойным перешагиванием состоит из поворота на 180° с перешагиванием над волной и поворота на 360° с перешагиванием над волной, выполняемых в любом порядке как непрерывный поворот в воздухе.
Для успешного выполнения этих фигур ("лицо-лицо", "спина-спина", "лицо-спина" или "спина-лицо"), когда лыжник находится в позиции "спиной вперед", лыжник должен удерживать рукоятку буксировочного фала между ногами хотя бы одной рукой.
Повороты с перешагиванием буксировочного фала, не выполненные согласно правилам, но соответствующие правилам поворотов на 180° и 360° на гладкой воде, не засчитываются (оцениваются нулем очков).
Фигуры перешагивания с удержанием буксировочного фала ногой должны выполняться слитно. При выполнении поворота нога с фалом не должна касаться воды, однако в конце выполнения фигуры, после завершения перешагивания и поворота, нога с фалом может коснуться воды даже раньше приводнения лыжи.
Фигуры "скилайн"
Фигуры "скилайн" должны выполняться над волной. При выполнении фигур "скилайн" обе ноги должны быть на лыже, а буксировочный трос должен находиться в воздухе. Ноги могут проходить над буксировочным фалом в любой момент во время поворота. Во время вращения фал не должен находиться в воде. Это не относится к непреднамеренному касанию тросом "петуха" волны рядом с катером.
Сальто
Чтобы сальто было засчитано, требуется, чтобы в определенный момент при выполнении сальто обе ноги были выше головы лыжника и находились приблизительно в одной и той же вертикальной плоскости.
Переднее сальто определяется как вращение лыжника вокруг горизонтальной оси, при котором задний конец лыжи движется вверх над головой спортсмена, а голова лыжника движется вниз-вперед. Тело лыжника должно вращаться в направлении движения и снаружи фала. В определенный момент при выполнении этой фигуры обе ноги должны быть выше головы лыжника и должны находиться приблизительно в одной и той же вертикальной плоскости. Это правило действует в отношении переднего сальто и производных от него фигур (FFLF, FFLB, FFLBB и так далее).
При выполнении фигур сальто с вращением тела вокруг вертикальной оси (фигуры BFLO и BFLBB) вращение тела вокруг вертикальной оси должно совершаться одновременно с выполнением сальто, ни до, ни позже. Фигуры BFLB и BFLF не считаются поворотами на 180° в контексте объявленных фигур и в контексте реверсных поворотов. Кроме того, при выполнении фигуры, реверсной для BFLB, лыжник должен приводиться с оборотом или поворотом в противоположную сторону.
При выполнении фигуры BFLLB перешагивание через фал должно быть выполнено одновременно с выполнением сальто и поворотом.
Сальто с поворотом на 540° и на больший угол должны выполняться с перехватом ручки. Нельзя оборачивать фал вокруг тела, чтобы помочь повороту. При этом не запрещается позиция спиной вперед, когда фал не обернут вокруг тела.
Реверсные фигуры
Реверсная фигура засчитывается лишь в том случае, если она выполнена сразу же после основной фигуры в одном и том же прохождении. Тем не менее, между двумя такими фигурами (основной и реверсной) допускается любой поворот на 180°. Если основная фигура не была засчитана или была повторной, это не является основанием, чтобы не засчитывать реверсную фигуру. Если основная фигура не засчитана, то реверсная фигура, если она засчитана, становится основной фигурой.
Следующие последовательности РАЗРЕШЕНЫ в одном и том же прохождении:
S, RSnc, RScredit - относится только к боковому скольжению;
TS, RTSnc, RTScredit - относится только к боковому скольжению с удержанием фала ногой;
B, F, Rnc, Rnc, Rcredit, Rcredit - относится только к поворотам на 180° "лицо-спина" и "спина-лицо";
TB, TF, Rnc, Rnc, Rcredit, Rcredit - относится только к поворотам на 180° "лицо-спина" и "спина-лицо" с удержанием фала ногой.
Реверсные фигуры под номером 12 (поворот на 540° "лицо-спина" с удержанием фала ногой) ограничиваются поворотом на 540°, но могут следовать за поворотом на 540° или на 720°.
Под номерами 27 и 28 на одной и двух лыжах разрешается только одна основная и одна реверсная фигуры, но реверсная может быть любой, то есть если основная фигура - WL5, WL5L или WL7, то реверсная может быть реверсной для любой из перечисленных.
Фигура, реверсная для BFL, определяется как фигура BFL, выполненная через другое плечо и в противоположном направлении (например, основная - справа налево, а реверсная - слева направо) сразу же после основной фигуры. Такое же правило действует и в отношении BFLB.
Фигура, реверсная для FFL, определяется как фигура FFL, выполненная в противоположном направлении (например, основная - справа налево, а реверсная - слева направо) сразу же после основной фигуры.
При выполнении фигур с удержанием буксировочного фала ногой любые фигуры, при выполнении которых нога, удерживающая буксировочный фал, намеренно касается лыжи при подготовке к повороту или при выполнении поворота, не засчитываются.
12.10 Стоимость фигур
Фигуры оцениваются в соответствии с таблицей N 9.
Таблица N 9. Таблица стоимости фигур.
|
ПОВОРОТЫ НА ГЛАДКОЙ ВОДЕ
|
2 ЛЫЖИ
|
1 ЛЫЖА
|
|||||
|
КОД
|
ОПИСАНИЕ
|
N
|
ОСН.
|
РЕВ.
|
ОСН.
|
РЕВ.
|
|
|
S
|
Боковое скольжение
|
1
|
20
|
20
|
40
|
40
|
|
|
TS
|
Боковое скольжение с удержанием фала ногой
|
2
|
-
|
-
|
130
|
130
|
|
|
B
|
180
|
"Лицо-спина"
|
3
|
30
|
30
|
60
|
60
|
|
F
|
"Спина-лицо"
|
4
|
30
|
30
|
60
|
60
|
|
|
O
|
360
|
"Лицо-лицо"
|
5a
|
40
|
40
|
90
|
90
|
|
BB
|
"Спина-спина"
|
5b
|
40
|
40
|
90
|
90
|
|
|
5B
|
540
|
"Лицо-спина"
|
5c
|
50
|
50
|
110
|
110
|
|
5F
|
"Спина-лицо"
|
5d
|
50
|
50
|
110
|
110
|
|
|
7F
|
720
|
"Лицо-лицо"
|
5e
|
60
|
60
|
130
|
130
|
|
7B
|
"Спина-спина"
|
5f
|
60
|
60
|
130
|
130
|
|
|
LB
|
180
|
"Лицо-спина" с перешагиванием фала
|
6
|
70
|
70
|
110
|
-
|
|
LF
|
"Спина-лицо" с перешагиванием фала
|
7
|
70
|
70
|
110
|
-
|
|
|
TB
|
180
|
"Лицо-спина" с удержанием фала ногой
|
8
|
-
|
-
|
100
|
100
|
|
TF
|
"Спина-лицо" с удержанием фала ногой
|
9
|
-
|
-
|
100
|
100
|
|
|
TO
|
360
|
"Лицо-лицо" с удержанием фала ногой
|
10
|
-
|
-
|
200
|
200
|
|
TBB
|
"Спина-спина" с удержанием фала ногой
|
11
|
-
|
-
|
200
|
200
|
|
|
T5B
|
540
|
"Лицо-спина" с удержанием фала ногой
|
12
|
-
|
-
|
350
|
350
|
|
T7F
|
720
|
"Лицо-лицо" с удержанием фала ногой
|
-
|
-
|
450
|
-
|
|
|
T5F
|
540
|
"Спина-лицо" с удержанием фала ногой
|
13
|
-
|
-
|
350
|
-
|
|
ВОЛНОВЫЕ ПОВОРОТЫ
|
2 ЛЫЖИ
|
1 ЛЫЖА
|
|||||
|
КОД
|
ОПИСАНИЕ
|
N
|
ОСН.
|
РЕВ.
|
ОСН.
|
РЕВ.
|
|
|
WB
|
180
|
"Лицо-спина"
|
14
|
50
|
50
|
80
|
80
|
|
WF
|
"Спина-лицо"
|
15
|
50
|
50
|
80
|
80
|
|
|
WO
|
360
|
"Лицо-лицо"
|
16
|
110
|
110
|
150
|
150
|
|
WBB
|
"Спина-спина"
|
17
|
110
|
110
|
150
|
150
|
|
|
W5B
|
540
|
"Лицо-спина"
|
18
|
310
|
310
|
310
|
310
|
|
W5F
|
"Спина-лицо"
|
19
|
310
|
310
|
310
|
310
|
|
|
W7F
|
720
|
"Лицо-лицо"
|
20
|
800
|
800
|
800
|
800
|
|
W7B
|
"Спина-спина"
|
21
|
480
|
480
|
480
|
480
|
|
|
W9B
|
900
|
"Лицо-спина"
|
22
|
850
|
850
|
850
|
850
|
|
W9F
|
"Спина-лицо"
|
850
|
850
|
850
|
850
|
||
|
WLB
|
180
|
"Лицо-спина" с перешагиванием фала
|
23
|
110
|
110
|
160
|
-
|
|
WLF
|
"Спина-лицо" с перешагиванием фала
|
24
|
110
|
110
|
160
|
-
|
|
|
WLO
|
360
|
"Лицо-лицо" с перешагиванием фала
|
25
|
200
|
200
|
260
|
260
|
|
WLBB
|
"Спина-спина" с перешагиванием фала
|
26
|
200
|
200
|
260
|
260
|
|
|
WL5B
|
540
|
"Лицо-спина" с перешагиванием фала
|
27
|
300
|
300
|
420
|
420
|
|
WL5LB
|
"Лицо-спина" с двойным перешагиванием фала
|
-
|
-
|
500
|
500
|
||
|
WL7F
|
720
|
"Лицо-лицо" с перешагиванием фала
|
27a
|
700
|
700
|
700
|
700
|
|
WL9B
|
900
|
"Лицо-спина" с перешагиванием фала
|
27b
|
800
|
800
|
800
|
800
|
|
WL5F
|
540
|
"Спина-лицо" с перешагиванием фала
|
28
|
300
|
300
|
420
|
420
|
|
WL5LF
|
"Спина-лицо" с двойным перешагиванием фала
|
-
|
-
|
500
|
500
|
||
|
WL7B
|
720
|
"Спина-спина" с перешагиванием фала
|
550
|
550
|
550
|
550
|
|
|
WL9F
|
900
|
"Спина-лицо" с перешагиванием фала
|
28a
|
800
|
800
|
800
|
800
|
|
TWB
|
180
|
"Лицо-спина" с удержанием фала ногой
|
29
|
-
|
-
|
150
|
150
|
|
TWF
|
"Спина-лицо" с удержанием фала ногой
|
30
|
-
|
-
|
150
|
150
|
|
|
TWO
|
360
|
"Лицо-лицо" с удержанием фала ногой
|
31
|
-
|
-
|
300
|
300
|
|
TWBB
|
"Спина-спина" с удержанием фала ногой
|
32
|
-
|
-
|
330
|
330
|
|
|
TW5B
|
540
|
"Лицо-спина" с удержанием фала ногой
|
33
|
-
|
-
|
500
|
500
|
|
TW5F
|
"Спина-лицо" с удержанием фала ногой
|
34
|
-
|
-
|
500
|
-
|
|
|
TW7F
|
720
|
"Лицо-лицо" с удержанием фала ногой
|
35
|
-
|
-
|
650
|
650
|
|
TW7B
|
"Спина-спина" с удержанием фала ногой
|
36
|
-
|
-
|
650
|
-
|
|
|
TWLB
|
180
|
"Лицо-спина" с удержанием фала ногой с перешагиванием фала
|
37
|
-
|
-
|
320
|
-
|
|
TWLF
|
"Спина-лицо" с удержанием фала ногой с перешагиванием фала
|
38
|
-
|
-
|
380
|
-
|
|
|
TWLO
|
360
|
"Лицо-лицо" с удержанием фала ногой с перешагиванием фала
|
39
|
-
|
-
|
480
|
480
|
|
TWLBB
|
"Спина-спина" с удержанием фала ногой с перешагиванием фала
|
40
|
-
|
-
|
480
|
480
|
|
|
TWL5B
|
540
|
"Лицо-спина" с удержанием фала ногой с перешагиванием фала
|
41
|
-
|
-
|
600
|
600
|
|
TWL5F
|
"Спина-лицо" с удержанием фала ногой с перешагиванием фала
|
42
|
-
|
-
|
700
|
-
|
|
|
TWL7F
|
720
|
"Лицо-лицо" с удержанием фала ногой с перешагиванием фала
|
42a
|
800
|
-
|
||
|
SLB
|
Скилайн "лицо-спина"
|
43
|
-
|
-
|
350
|
350
|
|
|
SLF
|
Скилайн "спина-лицо"
|
44
|
-
|
-
|
400
|
400
|
|
|
SLO
|
360
|
Скилайн "лицо-лицо"
|
45
|
-
|
-
|
400
|
400
|
|
SLBB
|
Скилайн "спина-спина"
|
46
|
-
|
-
|
450
|
450
|
|
|
SL5B
|
540
|
Скилайн "лицо-спина"
|
47
|
-
|
-
|
550
|
550
|
|
SL5F
|
Скилайн "спина-лицо"
|
48
|
-
|
-
|
550
|
550
|
|
|
SL7B
|
720
|
Скилайн "спина-спина"
|
49
|
-
|
-
|
750
|
750
|
|
SL7F
|
720
|
Скилайн "лицо-лицо"
|
50
|
-
|
-
|
800
|
800
|
|
DBFL
|
Двойное сальто
|
51
|
1000
|
-
|
1000
|
-
|
|
|
BFL/WFLIPB
|
Заднее сальто
|
52
|
500
|
500
|
500
|
500
|
|
|
BFLB
|
180
|
Сальто с поворотом на 180° в спину
|
53
|
750
|
750
|
750
|
750
|
|
BFLF
|
180
|
Сальто с поворотом на 180° в лицо
|
54
|
-
|
-
|
550
|
550
|
|
BFLBB
|
360
|
Сальто с поворотом на 360° "спина-спина"
|
55
|
800
|
-
|
800
|
800
|
|
BFLO
|
360
|
Сальто с поворотом на 360° "лицо-лицо"
|
56
|
-
|
-
|
800
|
800
|
|
BFL5B*
|
540
|
Сальто с поворотом на 540° в спину
|
57
|
-
|
-
|
900
|
900
|
|
BFL5F*
|
540
|
Сальто с поворотом на 540° в лицо
|
58
|
-
|
-
|
850
|
850
|
|
FFL/WFIPF
|
Переднее сальто
|
59
|
800
|
800
|
800
|
800
|
|
|
FFLB
|
180
|
Переднее сальто с поворотом на 180° "лицо-спина"
|
60
|
850
|
-
|
850
|
-
|
|
FFLF
|
180
|
Переднее сальто с поворотом на 180° "спина-лицо"
|
61
|
850
|
-
|
850
|
850
|
|
FFLBB
|
360
|
Переднее сальто с поворотом на 360° "спина-спина"
|
62
|
900
|
-
|
900
|
-
|
|
FFL5F
|
540
|
Переднее сальто с поворотом на 540° "спина-лицо"
|
63
|
950
|
-
|
950
|
-
|
|
BFLLB
|
180
|
Сальто с поворотом в спину с перешагиванием фала
|
64
|
800
|
800
|
800
|
800
|
|
BFLSLB
|
180
|
Сальто со скилайном и поворотом на 180° "лицо-спина"
|
65
|
-
|
-
|
850
|
-
|
|
BFLSLBB
|
360
|
Сальто со скилайном и поворотом на 360° "спина-спина"
|
66
|
900
|
-
|
900
|
-
|
|
BFLSLO
|
360
|
Сальто со скилайном и поворотом на 360° "лицо-лицо"
|
67
|
-
|
-
|
900
|
-
|
|
BFLSL5F
|
540
|
Сальто со скилайном и поворотом на 540° "спина-лицо"
|
68
|
950
|
-
|
950
|
-
|
|
FFLSL5F
|
540
|
Переднее сальто со скилайном поворотом на 540° "спина-лицо"
|
69
|
-
|
-
|
950
|
-
|
Сальто с поворотом на 540° или на больший угол должно быть выполнено слитно. Нельзя оборачивать фал вокруг тела, чтобы помочь повороту. При этом не запрещается простая позиция спиной вперед, когда фал не обернут вокруг тела.
При судействе и записи выполняемых фигур можно использовать следующие замены:
Для обозначения реверсной фигуры можно использовать только букву "R", не указывая код самой фигуры;
Для фигур N 1 и N 2 можно использовать код "SS" вместо "S";
Код "OB" можно использовать вместо BB для всех фигур, где он обычно используется (N 5b, 11, 17, 26, 32, 40, 48);
Если фигура RT5B выполняется сразу после фигуры T7F, то для обозначения RT5B можно использовать код T5B;
Букву "R", обозначающую реверсную фигуру, можно указывать перед кодом фигуры или после кода фигуры.
Допускаются следующие различия:
"WTS" вместо "TS" или "RTS" для фигуры N 2;
"T7" вместо "T7F" для фигуры N 12;
"BB" вместо "B" в фигурах N 5f, 21, 28, 36 и 51;
"FLP", либо "FL", либо "FP" вместо "FLIP";
Любые перестановки букв в кодах "WTB"/"WTF" и "Wbflip".
Помимо этих замен и вариаций, упомянутых явным образом, секретарь может разумно интерпретировать список фигур, предоставленный лыжником, сравнивая фактически выполненные фигуры с фигурами, перечисленными в списке. Цель - не освободить лыжников от необходимости записывать программы своих выступлений, но допустить ошибки в записи кодов фигур и непредвиденные изменения кодов фигур без каких-либо штрафных санкций для лыжников.
12.11 Подсчет результатов
Результат участника в каждом прохождении определяется суммой очков за зачтенные фигуры.
В каждом круге участник получает результат, равный сумме результатов первого и второго прохождений.
Секретарь получает судейские записки. В случае расхождений между содержанием записок секретарь определяет, какие фигуры засчитываются, на основе простого большинства решений судей:
какая именно фигура была выполнена;
засчитана ли эта фигура;
применяется ли правило "последней фигуры во времени".
Если может быть засчитано несколько последовательностей фигур, то засчитывается последовательность с наибольшей суммой очков.
Чтобы реверсная фигура была засчитана, она должна быть выполнена в том же прохождении, что и соответствующая основная фигура. Засчитывается не более шести сальто.
Места, занятые спортсменами на соревнованиях с предварительным и финальным кругами, определяются только по результатам спортсменов в финальном круге. Участник, набравший наибольшее количество очков, считается победителем.
В финальном круге титульных соревнований рекомендуется объявлять результат каждого лыжника перед стартом следующего лыжника.
Рекомендуется объявлять результат каждого лыжника перед стартом следующего лыжника.
12.10 Одинаковые результаты
Если несколько лыжников получают одинаковый результат, то порядок действий в таких ситуациях определяется конкретными правилами, определенными в положении о соревнованиях. Если конкретные правила не определены положением о соревнованиях, то применяются следующие правила:
Если участники с одинаковым результатом претендуют на первое место, то для выявления победителя проводится перезаезд.
Если одинаковые результаты в финале показаны претендентами на второе или третье места, то их места определяются по лучшему результату в предварительном круге. Если результат в предварительном круге одинаковый, то проводится перезаезд.
Порядок выступления участников в перезаезде определяется новой жеребьевкой.
Каждый участник, совершающий перезаезд для установления победителя при одинаковом результате, получает право сделать одно прохождение по трассе для фигурного катания.
Перезаезды совершаются, пока не будет установлен победитель.
Если перезаезд за первое место проводится между несколькими лыжниками, то занятие лыжниками всех мест, соответствующих количеству лыжников, участвующих в перезаезде, определяется исключительно по результатам перезаезда без учета результатов предварительного круга. Тем не менее, если после перезаезда на второе или третье место претендуют двое или более лыжников с одинаковым результатом, то для определения мест этих лыжников используются результаты предварительного круга.
При проведении перезаездов из-за одинаковых результатов лыжники не могут выбирать направление движения катера. Для всех лыжников катер движется от стартового пирса.
Лыжники с одинаковым количеством очков в финальном круге, не претендующие на призовые места (1, 2 или 3 место), занимают одинаковое место в итоговых результатах соревнований.
13. ПРАВИЛА ПРОВЕДЕНИЯ СОРЕВНОВАНИЙ ПО СПОРТИВНЫМ
ДИСЦИПЛИНАМ "КАТЕР - МНОГОБОРЬЕ",
"ЭЛЕКТРОТЯГА - МНОГОБОРЬЕ"
Соревнования по спортивным дисциплинам - катер - многоборье; электротяга - многоборье проводятся с помощью водно-моторных судов (катеров) и помощью канатно-буксировочной дороги (электротяги).
13.1 Личный зачет
Пересчет результатов в каждом из видов в очки многоборья, производится по формулам, приведенным в таблице Приложения А.
Чтобы квалифицироваться в многоборье, спортсмен должен иметь в зачете не менее 1/4 буя в слаломе, 10 очков в фигурном катании и один удачный прыжок с трамплина. Если этот прыжок из-за вычитания по формуле подсчета дает 0 (ноль) многоборных очков, результат прыжка 0 учитывается для подсчета многоборных очков.
Очки многоборья округляются до сотых. Результат спортсмена в прыжках с трамплина рассчитанный по формуле для многоборья, не может быть менее нуля.
Каждому спортсмену, участвующему в 3-х видах многоборья, начисляется определенное количество многоборных очков в каждом виде, согласно отношению его лучшего результата предварительного или финального круга к абсолютно лучшему результату спортсмена-многоборца в этом виде программы. Абсолютно лучший результат спортсмена-многоборца в каждом виде программы соревнований оценивается 1000 очков и называется - "лучший результат многоборца". Подсчет очков многоборья остальных участников данного вида программы осуществляется согласно формулам Приложения А.
Для квалификационного реестра (Ranking List) следует использовать Приложение Б.
Результат участника в многоборье определяется суммой очков, полученных им в каждом виде. Многоборные очки начисляются, используя лучшие результаты любого круга, основного или финального.
Состав команды и условия командного зачета устанавливаются положением о соревнованиях.
В зачет команде начисляются очки по результатам основного круга.
14. ПРАВИЛА ПРОВЕДЕНИЯ СОРЕВНОВАНИЙ ПО СПОРТИВНЫМ
ДИСЦИПЛИНАМ "ВЕЙКБОРД - КАТЕР", ВЕЙКБОРД - ЭЛЕКТРОТЯГА,
ПОДА - ВЕЙКБОРД - ЭЛЕКТРОТЯГА, КАТЕР - ДОСКА КОРОТКАЯ,
КАТЕР - ДОСКА ДЛИННАЯ"
14.1 Общие требования.
Соревнования могут проводится с помощью водно-моторных судов (катеров) и с помощью канатно-буксировочной дороги (электротяги).
Входом на дистанцию в дисциплине вейкборд - катер, катер - доска короткая, катер - доска длинная считается первый буй дистанции в каждом прохождении.
В дисциплинах вейкборд - электротяга, ПОДА - вейкборд - электротяга трасса может обозначаться видимыми объектами.
Каждому участнику дается право на два прохождения дистанции, во время которых он сам выбирает последовательность и содержание своей программы.
14.2 Падения
В дисциплине вейкборд - катер участник может совершить одно падение вне трассы только перед началом своего первого прохождения.
Падение вне трассы или бросание ручки до начала второго прохождения засчитывается как одно падение в трассе.
В случае отклонения от курса или бросании ручки перед началом первого прохождения участника из-за неправильной скорости или неправильной длины фала лодка снова стартует от причала. У участника также может быть одно бросание ручки перед началом первого прохождения, который также будет засчитан как одно падение вне трассы.
Если участник бросает ручку до начала своего первого прохождения, чтобы указать, что официальные лица или судьи в лодке неправильно надели веревку на неправильную петлю, это не будет считаться падением вне трассы, и лодка снова стартует от причала.
В дисциплинах вейкборд - электротяга, ПОДА - вейкборд - электротяга, если участник сходит с трассы или падает и теряет ручку, то его прохождение трассы заканчивается.
В дисциплинах катер - доска короткая, катер - доска длинная при выполнении участником программы выступления допускается не более трех падений. После первого и второго падения катер подбирает участника для продолжения выступления. Катер не подбирает участника после третьего падения, а также в случае, если участник упал после траверза "отсечного" буя во втором прохождении. Падение вне трассы: любое падение участника вне трассы, перед началом первого или второго прохождения, засчитывается как падение. Если участник упал, а его доска уплыла дальше вдоль трассы, то главный судья должен отметить место падения. Участник должен подобрать доску, после чего он должен продолжить выступление в точности с того места, где он упал. Если участник упал или отбросил рукоятку, то он должен быть готов стартовать сразу после возвращения катера.
14.3 Условия проведения заезда.
В дисциплинах вейкборд - катер, катер - доска короткая, катер - доска длинная катер должен следовать по пути, установленному судейской коллегией, прямолинейным курсом, параллельным линии буев дистанции. Длина пути после разворота до входа на дистанцию должна быть достаточной для подбора скорости участником.
При первом и втором прохождениях катер движется в противоположных направлениях.
Перед стартом участник должен сообщить водителю катера, какую скорость выдерживать при каждом прохождении. Выбранная скорость должна поддерживаться постоянной при прохождении дистанции. Если заявленная скорость не выдержана, то участнику должно быть предоставлено право на перезаезд.
Спортсмен может потребовать изменить скорость во время прохождения.
В дисциплинах вейкборд - электротяга, ПОДА - вейкборд - электротяга судейство выступления начинается, когда участник входит в трассу и заканчивается, когда участник сходит с трассы или падает и теряет ручку.
Скорость должна оставаться постоянной с начала официальной тренировки до окончания соревнований.
14.4 Судейство
Выполнение программы оценивается и засчитывается тремя или пятью арбитрами. Каждому участнику может быть начислено максимум 100 баллов на основе общего впечатления судей от выполненной программы. Каждый отдельный заезд в категории будет оцениваться независимо от других заездов в этот день. Судьи будут оценивать первого участника группы субъективно, и выступление каждого последующего участника после этого оценивается выше или ниже в зависимости от его выступления. Судьи обязаны как оценивать, так и ранжировать участника в каждом заезде.
В дисциплине вейкборд - катер Судьи будут оценивать выступление участника по следующим критериям:
Исполнение - 33,3 балла.
Отражает уровень технической чистоты исполнения каждого трюка.
Интенсивность - 33,4 балла.
Отражает насколько амплитуд но выполнены трюки, а также техническую сложность и стиль трюков программе.
Композиция - 33,3 балла.
Это отражает общую композицию программы с точки зрения способности участника выполнять разнообразные трюки в разнообразной последовательности.
В дисциплинах вейкборд - катер, катер - доска короткая, катер - доска длинная. Выступление каждого участника оценивается судьями по следующим критериям:
Мастерство исполнения: от 1 до 10 баллов (с шагом в 0,1 балла) Этот критерий определяет, насколько хорошо выполнены трюки, а также оценивает уровень владения техникой исполнения и подвижности участника при выполнении каждого трюка и программы в целом.
Интенсивность: от 1 до 10 баллов (с шагом в 0,1 балла) Этот критерий соответствует темпу выполнения трюков в программе участника, т.е. спортсмен выполняет трюки подряд или с перерывами между ними.
Сложность: от 1 до 10 баллов (с шагом в 0,1 балла) Этот критерий соответствует сложности каждого трюка в зависимости от ряда переменных факторов.
Разнообразие: от 1 до 10 баллов (с шагом в 0,1 балла) Этот критерий соответствует разнообразию выполненных трюков.
В дисциплинах вейкборд - электротяга, ПОДА - вейкборд - электротяга выступление участника оценивается по двум критериям:
Технические исполнение (уровень и разнообразие выполненных трюков).
Впечатление (амплитуда, мастерство, стиль и контроль трюков).
14.5 Зачет выполненных элементов программы
Засчитываются элементы программы, выполненные в трассе.
Судейство ведется исключительно субъективно. Для каждого элемента программы нет установленного количества очков.
14.6 Определение результатов
В дисциплине вейкборд - катер по каждому критерию (исполнение, интенсивность и композиция) каждый судья выставляет оценку из 10.
По каждому критерию (исполнение, интенсивность и композиция) баллы всех 3 судей суммируются, делятся на 3 и отображаются, как часть общего балла.
Исполнение - умножается на 3,33.
Интенсивность - умножается на 3,34.
Композиция - умноженный на 3,33.
Чтобы рассчитать результат участника 3 усредненных критерия суммируются и отображаются как общий балл.
В дисциплинах вейкборд - катер, катер - доска короткая, катер - доска длинная каждый арбитр засчитывает каждому спортсмену не более 40 баллов в соответствии с общим впечатлением от выполненной спортсменом программы. Судейство каждого заезда в какой-либо категории осуществляется независимо от судейства всех прочих заездов в течение соревновательного дня. Судьи субъективно оценивают выступление первого спортсмена в заезде, а затем оценивают выступления всех последующих спортсменов как более успешное или менее успешное по сравнению с предыдущим. Судьи обязаны определить результаты спортсменов (количество баллов), а также места, занятые каждым спортсменом в каждом заезде. Вычисленное количество баллов сверяется с местом, которое спортсмен занял по решению судей. При этом решение судей о том, какое место занял тот или иной спортсмен в заезде, всегда имеет приоритет над количеством баллов, начисленных спортсмену за выступление.
В дисциплинах вейкборд - электротяга, ПОДА - вейкборд - электротяга.
Баллы по двум критериям (Техническое исполнение и Впечатление) за программу выступления участника объединяются, чтобы получить общий балл судей из 100. Не может быть ничьей между участниками одной и той же группы.
Итоговые баллы всех трех судей затем усредняются для получения окончательной оценки исходя из 100 баллов для каждого участника.
15. ГОМОЛОГАЦИЯ СОРЕВНОВАНИЙ
15.1 Типы гомологации
Установлены 3 уровня гомологации: нормальный (N), рэнкинг-лист (L) и рекордный (R).
Для каждого уровня гомологации разработаны требования.
Для всех уровней гомологации необходимо, чтобы в каждом виде соревнования принимали участие не менее 8 спортсменов.
Гомологационное досье должно быть послано в технический комитет Международной федерации воднолыжного спорта в течение 14 дней после окончания соревнования.
Дистанции слалома и прыжков с трамплина должны быть измерены теодолитом. Точность теодолитов должна быть не хуже 20 секунд дуги.
Вычисление длины прыжков должно производиться на компьютере. Программа измерений должна быть проверена тестом BENCHMARK и контрольным измерением буя 15ET.
Буксировочные тросы должны быть вытянуты грузами или побывать в обращении ранее.
Видеокамера должна записывать бегущее время с точностью 0,01 си регистрировать звуковые сигналы об истечении 20 секунд в фигурном катании.
Визиры (угломерные устройства) должны иметь градацию 0,2°. Минимальный радиус визира 25 см.
Визиристы должны объявлять результаты замеров с точностью 0,1°.
Стол трамплина должен быть покрыт парафином, и качество парафинирования должно быть проверено заранее.
15.2 Нормальная гомологация
Максимальные результаты, которые могут быть включены в EAME рейтинг лист и представлены для целей квалификации на соревнованиях и жеребьевки указаны в таблице 10.
Таблица N 10. Максимальные результаты.
|
Слалом
|
Фигурное катание
|
Прыжки
|
|
|
Мужчины
|
6/58/14,25
6/55/14,25
|
4000
|
40 м
|
|
Женщины
|
4/55/14,25
|
3250
|
29 м
|
Для регистрации 20 секунд в фигурном катании можно использовать секундомер.
Видеозапись не обязательна в слаломе и фигурном катании.
Гомологационная съемка может производиться с двух станций.
Для измерения дальности прыжков с трамплина могут быть использованы угломерные устройства, как описано в п. 10.6. настоящих правил.
Вместо таблицы скоростей в слаломе из п. 11.3 можно использовать таблицу, приведенную ниже таблица N 11.
Результаты соревнований включаются в IWWF и EAME рейтинг листы и списки высших достижений.
Гомологационная съемка может производиться с двух станций.
Если результат спортсмена в прохождении 2,5 буя или меньше, учитывается только время прохождения катером 1-го отрезка дистанции.
Таким образом, при нормальной гомологации следует полностью руководствоваться п. 11.7 Правил соревнований по воднолыжному спорту.
Таблица N 11.
|
Скорость, км/ч
|
1-й отрезок (от входных ворот до 3 буя)
|
2-й отрезок (от 3-го буя до выходных ворот)
|
||||
|
точно
|
быстро
|
медленно
|
точно
|
быстро
|
медленно
|
|
|
58
|
6,77
|
6,69
|
6,84
|
9,31
|
9,21
|
9,42
|
|
55
|
7,13
|
7,05
|
7,22
|
9,82
|
9,70
|
9,94
|
|
52
|
7,55
|
7,45
|
7,64
|
10,38
|
10,26
|
10,52
|
|
49
|
8,01
|
7,90
|
8,12
|
11,02
|
10,88
|
11,17
|
|
46
|
8,53
|
8,41
|
8,65
|
11,74
|
11,58
|
11,91
|
|
43
|
9,13
|
8,99
|
9,27
|
12,56
|
12,37
|
12,75
|
|
40
|
9,81
|
9,65
|
9,97
|
13,50
|
13,28
|
13,72
|
|
37
|
10,61
|
10,42
|
10,80
|
14,60
|
14,34
|
14,86
|
|
34
|
11,54
|
11,32
|
11,77
|
15,88
|
15,58
|
16,19
|
|
31
|
12,66
|
12,40
|
12,93
|
17,42
|
17,06
|
17,79
|
|
28
|
14,01
|
13,70
|
14,35
|
19,29
|
18,85
|
19,74
|
Таким образом, при нормальной гомологации следует полностью руководствоваться п. 11.7 Правил соревнований по воднолыжному спорту.
ТАБЛИЦЫ МНОГОБОРНЫХ ОЧКОВ
Приложение А
|
МУЖЧИНЫ
|
ЖЕНЩИНЫ
|
|
|
СЛАЛОМ
|
лучший результат спортсмена x 1000/ лучший результат многоборца
|
лучший результат спортсмена x 1000/ лучший результат многоборца
|
|
Фигурное катание
|
лучший результат спортсмена x 1000/ лучший результат многоборца.
|
лучший результат спортсмена x 1000/ лучший результат многоборца.
|
|
Прыжки с трамплина
|
лучший результат спортсмена - 10 м x 1000/ лучший результат многоборца - 10 м.
|
лучший результат спортсмена - 7 м x 1000/ лучший результат многоборца - 7 м.
|
|
ДО 22 лет
Открытая группа
|
М
|
Ж
|
|
Слалом
|
лучший результат спортсмена + 12 x 1000/ лучший результат
многоборца + 12 (подсчет буев от 58 км/ч для мужчин) + 12 очков можно получить при условии преодоления спортсменом начальной трассы.
|
лучший результат спортсмена + 12 x 1000/ лучший результат
многоборца + 12 (подсчет буев от 55 км/ч для женщин) + 12 очков можно получить при условии преодоления спортсменом начальной трассы.
|
|
Фигурное катание
|
лучший результат спортсмена x 1000/ лучший результат многоборца.
|
лучший результат спортсмена x 1000/ лучший результат многоборца.
|
|
Прыжки с трамплина
|
лучший результат спортсмена - 25 м x 1000/ лучший результат многоборца - 25 м.
|
лучший результат спортсмена - 17 м x 1000/ лучший результат многоборца - 17 м.
|
|
ДО 18 ЛЕТ
|
М
|
Ж
|
|
Слалом
|
лучший результат спортсмена x 1000/ лучший результат многоборца (подсчет буев от 52 км/ч для юношей).
|
лучший результат спортсмена x 1000/ лучший результат многоборца (подсчет буев от 49 км/ч для девушек).
|
|
Фигурное катание
|
лучший результат спортсмена x 1000/ лучший результат многоборца.
|
лучший результат спортсмена x 1000/ лучший результат многоборца.
|
|
Прыжки с трамплина
|
лучший результат спортсмена - 20 м x 1000/ лучший результат многоборца - 20 м.
|
лучший результат спортсмена - 13 м x 1000/ лучший результат многоборца - 13 м.
|
|
ДО 15 ЛЕТ
|
М
|
Ж
|
|
Слалом
|
Лучший результат спортсмена x 1000/ лучший результат многоборца (подсчет буев от 49 км/ч для юношей).
|
Лучший результат спортсмена x 1000/ лучший результат многоборца (подсчет буев от 46 км/ч для девушек.
|
|
Фигурное катание
|
лучший результат спортсмена x 1000/ лучший результат многоборца.
|
лучший результат спортсмена x 1000/ лучший результат многоборца.
|
|
Прыжки с трамплина
|
лучший результат спортсмена - 10 м x 1000/ лучший результат многоборца - 10 м.
|
лучший результат спортсмена - 7 м x 1000/ лучший результат многоборца - 7 м.
|
Приложение Б
|
МУЖЧИНЫ
|
ЖЕНЩИНЫ
|
|
|
СЛАЛОМ
|
лучший результат спортсмена +12 x 1000/ Многоборный базовый результат KP+12 (подсчет буев от максимальной скорости для возрастной группы при длине троса 18,25 м для мужчин).
|
лучший результат спортсмена +12 x 1000/ Многоборный базовый результат KP+12 (подсчет буев от максимальной скорости для возрастной группы при длине троса 18,25 м для женщин).
|
|
Фигурное катание
|
лучший результат спортсмена x 1000/ Многоборный базовый результат КР.
|
лучший результат спортсмена x 1000/ Многоборный базовый результат КР.
|
|
Прыжки с трамплина
|
лучший результат спортсмена - 10 м x 1000/ Многоборный базовый результат КР - 10 м.
|
лучший результат спортсмена - 7 м x 1000/ Многоборный базовый результат КР - 7 м.
|
|
ДО 22 лет Открытая
группа
|
М
|
Ж
|
|
Слалом
|
лучший результат спортсмена +12 x 1000/ Многоборный базовый результат KP+12 (подсчет буев от 58 км/ч для мужчин).
|
лучший результат спортсмена +12 x 1000/ Многоборный базовый результат KP+12 (подсчет буев от 55 км/ч для женщин).
|
|
Фигурное катание
|
лучший результат спортсмена x 1000/ Многоборный базовый результат КР.
|
лучший результат спортсмена x 1000/ Многоборный базовый результат КР.
|
|
Прыжки с трамплина
|
лучший результат спортсмена - 25 м x 1000/ Многоборный базовый результат КР - 25 м.
|
лучший результат спортсмена - 17 м x 1000/ Многоборный базовый результат КР - 17 м.
|
|
ДО 18 ЛЕТ
|
М
|
Ж
|
|
Слалом
|
лучший результат спортсмена +12 x 1000/ Многоборный базовый результат KP+12 (подсчет буев от 58 км/ч для юношей)
|
лучший результат спортсмена +12 x 1000/ Многоборный базовый результат KP+12 (подсчет буев от 55 км/ч для девушек)
|
|
Фигурное катание
|
лучший результат спортсмена x 1000/ Многоборный базовый результат КР.
|
лучший результат спортсмена x 1000/ Многоборный базовый результат КР.
|
|
Прыжки с трамплина
|
лучший результат спортсмена - 20 м x 1000/ Многоборный базовый результат КР - 20 м.
|
лучший результат спортсмена - 13 м x 1000/ Многоборный базовый результат КР - 13
|
|
ДО 15 ЛЕТ
|
М
|
Ж
|
|
Слалом
|
лучший результат спортсмена x 1000/ Многоборный базовый результат KP (подсчет буев от 43 км/ч для юношей).
|
лучший результат спортсмена x 1000/ Многоборный базовый результат KP (подсчет буев от 40 км/ч для девушек).
|
|
Фигурное катание
|
лучший результат спортсмена x 1000/ Многоборный базовый результат КР.
|
лучший результат спортсмена x 1000/ Многоборный базовый результат КР.
|
|
Прыжки с трамплина
|
лучший результат спортсмена x 1000/ Многоборный базовый результат КР.
|
лучший результат спортсмена - 7 м x 1000/ Многоборный базовый результат КР - 7 м.
|
|
ДО 13 ЛЕТ
|
М
|
Ж
|
|
Слалом
|
лучший результат спортсмена x 1000/ Многоборный базовый результат KP (подсчет буев от 25 км/ч для мальчиков).
|
лучший результат спортсмена x 1000/ Многоборный базовый результат KP (подсчет буев от 25 км/ч для девочек).
|
|
Фигурное катание
|
лучший результат спортсмена x 1000/ Многоборный базовый результат КР.
|
лучший результат спортсмена x 1000/ Многоборный базовый результат КР.
|
|
Прыжки с трамплина
|
лучший результат спортсмена x 1000/ Многоборный базовый результат КР.
|
лучший результат спортсмена x 1000/ Многоборный базовый результат КР.
|
|
ДО 11 ЛЕТ
|
М
|
Ж
|
|
Слалом
|
лучший результат спортсмена x 1000/ Многоборный базовый результат KP (подсчет буев от 25 км/ч для мальчиков).
|
лучший результат спортсмена x 1000/ Многоборный базовый результат KP (подсчет буев от 25 км/ч для девочек).
|
|
Фигурное катание
|
лучший результат спортсмена x 1000/ Многоборный базовый результат КР.
|
лучший результат спортсмена x 1000/ Многоборный базовый результат КР.
|
|
Прыжки с трамплина
|
лучший результат спортсмена x 1000/ Многоборный базовый результат КР.
|
лучший результат спортсмена +10 м x 1000/ Многоборный базовый результат КР + 10 м.
|
--------------------------------
Очки многоборья округляются до сотых. Результат спортсмена в прыжках с трамплина рассчитанный по формуле для многоборья, не может быть менее нуля.
|
МУЖЧИНЫ, ЖЕНЩИНЫ;
ДО 18 лет, ДО 22 лет
|
М
|
Ж
|
|
Слалом
|
1/9,75 (49 буев)
|
1/10,25 (43 буя)
|
|
Фигурное катание
|
1680
|
8580
|
|
Прыжки с трамплина
|
67,8
|
50,5
|
|
ДО 15 ЛЕТ
|
М
|
Ж
|
|
Слалом
|
2/55/11,25 (56 буев)
|
2/52/11,25 (56 буев)
|
|
Фигурное катание
|
6630
|
5300
|
|
Прыжки с трамплина
|
35,3
|
27,0
|
|
ДО 13 ЛЕТ
|
М
|
Ж
|
|
Слалом
|
2,5/52/12 (74,5 буя)
|
5,75/52/14,25 (65,75 буев)
|
|
Фигурное катание
|
6180
|
4800
|
|
Прыжки с трамплина
|
25,0
|
25,0
|
|
ДО 11 ЛЕТ
|
М
|
Ж
|
|
Слалом
|
1/49/13 (67 буев)
|
1/49/14,25 (61 буй)
|
|
Фигурное катание
|
4000
|
2720
|
|
Прыжки с трамплина
|
21,9
|
11,4
|
Приложение В
ТАБЛИЦА
КРУГОВ СОРЕВНОВАНИЙ В ДИСЦИПЛИНАХ ВЕЙКБОРД - КАТЕР,
ВЕЙКБОРД - ЭЛЕКТРОТЯГА, ПОДА - ВЕЙКБОРД - ЭЛЕКТРОТЯГА
|
Количество
|
Квалификация
|
Последний шанс
|
Четвертьфинал
|
Полуфинал
|
Финал
|
|
3 участника
|
1 группа из 3
|
-
|
-
|
-
|
1 группа из 3
|
|
Всего 3 участника
|
Всего 3 участника
|
||||
|
4 участника
|
1 группа из 4
|
-
|
-
|
-
|
1 группа из 4
|
|
Всего 4 участника
|
Всего 4 участника
|
||||
|
5 участников
|
1 группа из 5
|
-
|
-
|
-
|
1 группа из 5
|
|
Всего 5 участников
|
Всего 5 участников
|
||||
|
6 участников
|
1 группа из 6
|
-
|
-
|
-
|
1 группа из 6
|
|
Всего 6 участников
|
Всего 6 участников
|
||||
|
7 участников
|
1 группа из 4
1 группа из 3
|
1 группа из 3
|
-
|
-
|
1 группа из 6
|
|
Лучшие 2 в финал
|
Лучшие 2 в финал
|
||||
|
Всего 7 участников
|
Всего 3 участника
|
Всего 6 участников
|
|||
|
8 участников
|
1 группа из 4
1 группа из 4
|
1 группа из 4
|
-
|
-
|
1 группа из 6
|
|
Лучшие 2 в финал
|
Лучшие 2 в финал
|
||||
|
Всего 8 участников
|
Всего 4 участника
|
Всего 6 участников
|
|||
|
9 участников
|
1 группа из 4
1 группа из 5
|
1 группа из 5
|
-
|
-
|
1 группа из 6
|
|
Лучшие 2 в финал
|
Лучшие 2 в финал
|
||||
|
Всего 9 участников
|
Всего 5 участников
|
Всего 6 участников
|
|||
|
10 участников
|
1 группа из 5
1 группа из 5
|
1 группа из 6
|
-
|
-
|
1 группа из 6
|
|
Лучшие 2 в финал
|
Лучшие 2 в финал
|
||||
|
Всего 10 участников
|
Всего 6 участников
|
Всего 6 участников
|
|||
|
11 участников
|
1 группа из 6
1 группа из 5
|
1 группа из 4
1 группа из 3
|
-
|
-
|
1 группа из 6
|
|
Лучшие 2 в финал
|
Победитель в финал
|
||||
|
Всего 11 участников
|
Всего 7 участников
|
Всего 6 участников
|
|||
|
12 участников
|
1 группа из 6
1 группа из 6
|
1 группа из 4
1 группа из 4
|
-
|
-
|
1 группа из 6
|
|
Лучшие 2 в финал
|
Победитель в финал
|
||||
|
Всего 12 участников
|
Всего 8 участников
|
Всего 6 участников
|
|||
|
13 участников
|
1 группа из 4
1 группа из 4
1 группа из 5
|
1 группа из 4
|
-
|
1 группа из 5
1 группа из 5
|
1 группа из 6
|
|
Лучшие 3 в полуфинал
|
Победитель в полуфинал
|
Лучшие 3 в финал
|
|||
|
Всего 13 участников
|
Всего 4 участника
|
Всего 10 участников
|
Всего 6 участников
|
||
|
14 участников
|
1 группа из 4
1 группа из 5
1 группа из 5
|
1 группа из 5
|
-
|
1 группа из 5
1 группа из 5
|
1 группа из 6
|
|
Лучшие 3 в полуфинал
|
Победитель в полуфинал
|
Лучшие 3 в финал
|
Всего 6 участников
|
||
|
Всего 14 участников
|
Всего 5 участников
|
Всего 10 участников
|
|||
|
15 участников
|
1 группа из 5
1 группа из 5
1 группа из 5
|
1 группа из 6
|
-
|
1 группа из 5
1 группа из 5
|
1 группа из 6
|
|
Лучшие 3 в полуфинал
|
Победитель в полуфинал
|
Лучшие 3 в финал
|
Всего 6 участников
|
||
|
Всего 15 участников
|
Всего 6 участников
|
Всего 10 участников
|
|||
|
16 участников
|
1 группа из 4
1 группа из 4
1 группа из 4
1 группа из 4
|
1 группа из 4
1 группа из 4
|
-
|
1 группа из 5
1 группа из 5
|
1 группа из 6
|
|
Лучшие 2 в полуфинал
|
Победитель в полуфинал
|
Лучшие 3 в финал
|
|||
|
Всего 16 участников
|
Всего 8 участников
|
Всего 10 участников
|
Всего 6 участников
|
||
|
17 участников
|
1 группа из 4
1 группа из 4
1 группа из 4
1 группа из 5
|
1 группа из 4
1 группа из 5
|
-
|
1 группа из 5
1 группа из 5
|
1 группа из 6
|
|
Лучшие 2 в полуфинал
|
Победитель в полуфинал
|
Лучшие 3 в финал
|
|||
|
Всего 17 участников
|
Всего 9 участников
|
Всего 10 участников
|
Всего 6 участников
|
||
|
18 участников
|
1 группа из 4
1 группа из 4
1 группа из 5
1 группа из 5
|
1 группа из 5
1 группа из 5
|
-
|
1 группа из 5
1 группа из 5
|
1 группа из 6
|
|
Лучшие 2 в полуфинал
|
Победитель в полуфинал
|
Лучшие 3 в финал
|
|||
|
Всего 18 участников
|
Всего 10 участников
|
Всего 10 участников
|
Всего 6 участников
|
||
|
19 участников
|
1 группа из 4
1 группа из 5
1 группа из 5
1 группа из 5
|
1 группа из 6
1 группа из 5
|
-
|
1 группа из 5
1 группа из 5
|
1 группа из 6
|
|
Лучшие 2 в полуфинал
|
Победитель в полуфинал
|
Лучшие 3 в финал
|
|||
|
Всего 19 участников
|
Всего 11 участников
|
Всего 10 участников
|
Всего 6 участников
|
||
|
20 участников
|
1 группа из 5
1 группа из 5
1 группа из 5
1 группа из 5
|
1 группа из 6
1 группа из 6
|
-
|
1 группа из 5
1 группа из 5
|
1 группа из 6
|
|
Лучшие 2 в полуфинал
|
Победитель в полуфинал
|
Лучшие 3 в финал
|
|||
|
Всего 20 участников
|
Всего 12 участников
|
Всего 10 участников
|
Всего 6 участников
|
||
|
21 участник
|
1 группа из 4
1 группа из 4
1 группа из 4
1 группа из 4
1 группа из 5
|
1 группа из 6
1 группа из 5
|
-
|
1 группа из 4
1 группа из 4
1 группа из 4
|
1 группа из 6
|
|
Лучшие 2 в полуфинал
|
Победитель в полуфинал
|
Лучшие 2 в финал
|
|||
|
Всего 21 участник
|
Всего 11 участников
|
Всего 12 участников
|
Всего 6 участников
|
||
|
22 участника
|
1 группа из 4
1 группа из 4
1 группа из 4
1 группа из 5
1 группа из 5
|
1 группа из 6
1 группа из 6
|
-
|
1 группа из 4
1 группа из 4
1 группа из 4
|
1 группа из 6
|
|
Лучшие 2 в полуфинал
|
Победитель в полуфинал
|
Лучшие 2 в финал
|
|||
|
Всего 22 участник
|
Всего 12 участников
|
Всего 12 участников
|
Всего 6 участников
|
||
|
23 участника
|
1 группа из 4
1 группа из 4
1 группа из 5
1 группа из 5
1 группа из 5
|
1 группа из 4
1 группа из 4
|
1 группа из 4
1 группа из 5
1 группа из 5
1 группа из 5
|
1 группа из 6
1 группа из 6
|
1 группа из 6
|
|
Лучшие 3 в четвертьфинал
|
Лучшие 2 в четвертьфинал
|
Лучшие 3 в полуфинал
|
Лучшие 3 в финал
|
||
|
Всего 23 участника
|
Всего 8 участников
|
Всего 8 участников
|
Всего 12 участников
|
Всего 6 участников
|
|
|
24 участника
|
1 группа из 4
1 группа из 5
1 группа из 5
1 группа из 5
1 группа из 5
|
1 группа из 4
1 группа из 5
|
1 группа из 4
1 группа из 5
1 группа из 5
1 группа из 5
|
1 группа из 6
1 группа из 6
|
1 группа из 6
|
|
Лучшие 3 в четвертьфинал
|
Лучшие 2 в четвертьфинал
|
Лучшие 3 в полуфинал
|
Лучшие 3 в финал
|
||
|
Всего 24 участника
|
Всего 9 участников
|
Всего 19 участников
|
Всего 12 участников
|
Всего 6 участников
|
|
|
25 участников
|
1 группа из 5
1 группа из 5
1 группа из 5
1 группа из 5
1 группа из 5
|
1 группа из 5
1 группа из 5
|
1 группа из 4
1 группа из 5
1 группа из 5
1 группа из 5
|
1 группа из 6
1 группа из 6
|
1 группа из 6
|
|
Лучшие 3 в четвертьфинал
|
Лучшие 2 в четвертьфинал
|
Лучшие 3 в полуфинал
|
Лучшие 3 в финал
|
||
|
Всего 25 участников
|
Всего 10 участников
|
Всего 19 участников
|
Всего 12 участников
|
Всего 6 участников
|
|
|
26 участников
|
1 группа из 6
1 группа из 5
1 группа из 5
1 группа из 5
1 группа из 5
|
1 группа из 6
1 группа из 5
|
1 группа из 4
1 группа из 5
1 группа из 5
1 группа из 5
|
1 группа из 6
1 группа из 6
|
1 группа из 6
|
|
Лучшие 3 в четвертьфинал
|
Лучшие 2 в четвертьфинал
|
Лучшие 3 в полуфинал
|
Лучшие 3 в финал
|
||
|
Всего 26 участников
|
Всего 11 участников
|
Всего 19 участников
|
Всего 12 участников
|
Всего 6 участников
|
|
|
27 участников
|
1 группа из 6
1 группа из 6
1 группа из 5
1 группа из 5
1 группа из 5
|
1 группа из 6
1 группа из 6
|
1 группа из 4
1 группа из 5
1 группа из 5
1 группа из 5
|
1 группа из 6
1 группа из 6
|
1 группа из 6
|
|
Лучшие 3 в четвертьфинал
|
Лучшие 2 в четвертьфинал
|
Лучшие 3 в полуфинал
|
Лучшие 3 в финал
|
||
|
Всего 27 участников
|
Всего 12 участников
|
Всего 19 участников
|
Всего 12 участников
|
Всего 6 участников
|
|
|
28 участников
|
1 группа из 6
1 группа из 6
1 группа из 6
1 группа из 5
1 группа из 5
|
1 группа из 4
1 группа из 4
1 группа из 5
|
1 группа из 4
1 группа из 4
1 группа из 5
1 группа из 5
|
1 группа из 6
1 группа из 6
|
1 группа из 6
|
|
Лучшие 3 в четвертьфинал
|
Победитель в четвертьфинал
|
Лучшие 3 в полуфинал
|
Лучшие 3 в финал
|
Всего 6
|
|
|
Всего 28 участников
|
Всего 13 участников
|
Всего 18 участников
|
Всего 12 участников
|
участников
|
|
|
29 участников
|
1 группа из 4
1 группа из 5
1 группа из 5
1 группа из 5
1 группа из 5
1 группа из 5
|
1 группа из 6
1 группа из 5
|
1 группа из 5
1 группа из 5
1 группа из 5
1 группа из 5
|
1 группа из 6
1 группа из 6
|
1 группа из 6
|
|
Лучшие 3 в четвертьфинал
|
Победитель в четвертьфинал
|
Лучшие 3 в полуфинал
|
Лучшие 3 в финал
|
||
|
Всего 29 участников
|
Всего 11 участников
|
Всего 20 участников
|
Всего 12 участников
|
Всего 6 участников
|
|
|
30 участников
|
1 группа из 5
1 группа из 5
1 группа из 5
1 группа из 5
1 группа из 5
1 группа из 5
|
1 группа из 6
1 группа из 6
|
1 группа из 5
1 группа из 5
1 группа из 5
1 группа из 5
|
1 группа из 6
1 группа из 6
|
1 группа из 6
|
|
Лучшие 3 в четвертьфинал
|
Победитель в четвертьфинал
|
Лучшие 3 в полуфинал
|
Лучшие 3 в финал
|
||
|
Всего 30 участников
|
Всего 12 участников
|
Всего 20 участников
|
Всего 12 участников
|
Всего 6 участников
|
|
|
31 участник
|
1 группа из 6
1 группа из 5
1 группа из 5
1 группа из 5
1 группа из 5
1 группа из 5
|
1 группа из 4
1 группа из 4
1 группа из 5
|
1 группа из 6
1 группа из 5
1 группа из 5
1 группа из 5
|
1 группа из 6
1 группа из 6
|
1 группа из 6
|
|
Лучшие 3 в четвертьфинал
|
Победитель в четвертьфинал
|
Лучшие 3 в полуфинал
|
Лучшие 3 в финал
|
||
|
Всего 31 участник
|
Всего 13 участников
|
Всего 21 участник
|
Всего 12 участников
|
Всего 6 участников
|
|
|
32 участника
|
1 группа из 6
1 группа из 6
1 группа из 5
1 группа из 5
1 группа из 5
1 группа из 5
|
1 группа из 4
1 группа из 5
1 группа из 5
|
1 группа из 6
1 группа из 5
1 группа из 5
1 группа из 5
|
1 группа из 6
1 группа из 6
|
1 группа из 6
|
|
Лучшие 3 в четвертьфинал
|
Победитель в четвертьфинал
|
Лучшие 3 в полуфинал
|
Лучшие 3 в финал
|
||
|
Всего 32 участника
|
Всего 14 участников
|
Всего 21 участник
|
Всего 12 участников
|
Всего 6 участников
|
|
|
33 участника
|
1 группа из 6
1 группа из 6
1 группа из 6
1 группа из 5
1 группа из 5
1 группа из 5
|
1 группа из 5
1 группа из 5
1 группа из 5
|
1 группа из 6
1 группа из 5
1 группа из 5
1 группа из 5
|
1 группа из 6
1 группа из 6
|
1 группа из 6
|
|
Лучшие 3 в четвертьфинал
|
Победитель в четвертьфинал
|
Лучшие 3 в полуфинал
|
Лучшие 3 в финал
|
||
|
Всего 33 участника
|
Всего 15 участников
|
Всего 21 участник
|
Всего 12 участников
|
Всего 6 участников
|
|
|
34 участника
|
1 группа из 6
1 группа из 6
1 группа из 6
1 группа из 6
1 группа из 5
1 группа из 5
|
1 группа из 6
1 группа из 5
1 группа из 5
|
1 группа из 6
1 группа из 5
1 группа из 5
1 группа из 5
|
1 группа из 6
1 группа из 6
|
1 группа из 6
|
|
Лучшие 3 в четвертьфинал
|
Победитель в четвертьфинал
|
Лучшие 3 в полуфинал
|
Лучшие 3 в финал
|
||
|
Всего 34 участника
|
Всего 16 участников
|
Всего 21 участник
|
Всего 12 участников
|
Всего 6 участников
|
|
|
35 участников
|
1 группа из 6
1 группа из 6
1 группа из 6
1 группа из 6
1 группа из 6
1 группа из 5
|
1 группа из 6
1 группа из 6
1 группа из 5
|
1 группа из 6
1 группа из 5
1 группа из 5
1 группа из 5
|
1 группа из 6
1 группа из 6
|
1 группа из 6
|
|
Лучшие 3 в четвертьфинал
|
Победитель в четвертьфинал
|
Лучшие 3 в полуфинал
|
Лучшие 3 в финал
|
||
|
Всего 35 участников
|
Всего 17 участников
|
Всего 21 участник
|
Всего 12 участников
|
Всего 6 участников
|
|
|
36 участников
|
1 группа из 6
1 группа из 6
1 группа из 6
1 группа из 6
1 группа из 6
1 группа из 6
|
1 группа из 6
1 группа из 6
1 группа из 6
|
1 группа из 6
1 группа из 5
1 группа из 5
1 группа из 5
|
1 группа из 6
1 группа из 6
|
1 группа из 6
|
|
Лучшие 3 в четвертьфинал
|
Победитель в четвертьфинал
|
Лучшие 3 в полуфинал
|
Лучшие 3 в финал
|
||
|
Всего 36 участников
|
Всего 18 участников
|
Всего 21 участник
|
Всего 12 участников
|
Всего 6 участников
|
|
|
37 участников
|
1 группа из 4
1 группа из 4
1 группа из 4
1 группа из 5
1 группа из 5
1 группа из 5
1 группа из 5
1 группа из 5
|
1 группа из 4
1 группа из 4
1 группа из 5
|
1 группа из 5
1 группа из 5
1 группа из 5
1 группа из 6
1 группа из 6
1 группа из 6
|
1 группа из 6
1 группа из 6
|
1 группа из 6
|
|
Лучшие 3 в четвертьфинал
|
Победитель в четвертьфинал
|
Лучшие 2 в полуфинал
|
Лучшие 3 в финал
|
||
|
Всего 37 участников
|
Всего 13 участников
|
Всего 27 участников
|
Всего 12 участников
|
Всего 6 участников
|
|
|
38 участников
|
1 группа из 4
1 группа из 4
1 группа из 5
1 группа из 5
1 группа из 5
1 группа из 5
1 группа из 5
1 группа из 5
|
1 группа из 4
1 группа из 5
1 группа из 5
|
1 группа из 5
1 группа из 5
1 группа из 5
1 группа из 6
1 группа из 6
1 группа из 6
|
1 группа из 6
1 группа из 6
|
1 группа из 6
|
|
Лучшие 3 в четвертьфинал
|
Победитель в четвертьфинал
|
Лучшие 2 в полуфинал
|
Лучшие 3 в финал
|
||
|
Всего 38 участников
|
Всего 14 участников
|
Всего 27 участников
|
Всего 12 участников
|
Всего 6 участников
|
|
|
39 участников
|
1 группа из 4
1 группа из 5
1 группа из 5
1 группа из 5
1 группа из 5
1 группа из 5
1 группа из 5
1 группа из 5
|
1 группа из 5
1 группа из 5
1 группа из 5
|
1 группа из 5
1 группа из 5
1 группа из 5
1 группа из 6
1 группа из 6
1 группа из 6
|
1 группа из 6
1 группа из 6
|
1 группа из 6
|
|
Лучшие 3 в четвертьфинал
|
Победитель в четвертьфинал
|
Лучшие 2 в полуфинал
|
Лучшие 3 в финал
|
||
|
Всего 39 участников
|
Всего 15 участников
|
Всего 27 участников
|
Всего 12 участников
|
Всего 6 участников
|
|
|
40 участников
|
1 группа из 5
1 группа из 5
1 группа из 5
1 группа из 5
1 группа из 5
1 группа из 5
1 группа из 5
1 группа из 5
|
1 группа из 6
1 группа из 5
1 группа из 5
|
1 группа из 5
1 группа из 5
1 группа из 5
1 группа из 6
1 группа из 6
1 группа из 6
|
1 группа из 6
1 группа из 6
|
1 группа из 6
|
|
Лучшие 3 в четвертьфинал
|
Победитель в четвертьфинал
|
Лучшие 2 в полуфинал
|
Лучшие 3 в финал
|
||
|
Всего 40 участников
|
Всего 16 участников
|
Всего 27 участников
|
Всего 12 участников
|
Всего 6 участников
|
|
|
41 участник
|
1 группа из 4
1 группа из 4
1 группа из 4
1 группа из 4
1 группа из 4
1 группа из 4
1 группа из 4
1 группа из 4
1 группа из 4
1 группа из 5
|
1 группа из 6
1 группа из 5
1 группа из 5
1 группа из 5
|
1 группа из 6
1 группа из 6
1 группа из 6
1 группа из 6
|
1 группа из 6
1 группа из 6
|
1 группа из 6
|
|
Лучшие 2 в четвертьфинал
|
Победитель в четвертьфинал
|
Лучшие 3 в полуфинал
|
Лучшие 3 в финал
|
||
|
Всего 41 участник
|
Всего 21 участник
|
Всего 24 участника
|
Всего 12 участников
|
Всего 6 участников
|
|
|
42 участника
|
1 группа из 4
1 группа из 4
1 группа из 4
1 группа из 4
1 группа из 4
1 группа из 4
1 группа из 4
1 группа из 4
1 группа из 5
1 группа из 5
|
1 группа из 6
1 группа из 6
1 группа из 5
1 группа из 5
|
1 группа из 6
1 группа из 6
1 группа из 6
1 группа из 6
|
1 группа из 6
1 группа из 6
|
1 группа из 6
|
|
Лучшие 2 в четвертьфинал
|
Победитель в четвертьфинал
|
Лучшие 3 в полуфинал
|
Лучшие 3 в финал
|
||
|
Всего 42 участника
|
Всего 22 участника
|
Всего 24 участника
|
Всего 12 участников
|
Всего 6 участников
|
|
|
43 участника
|
1 группа из 4
1 группа из 4
1 группа из 4
1 группа из 4
1 группа из 4
1 группа из 4
1 группа из 4
1 группа из 5
1 группа из 5
1 группа из 5
|
1 группа из 6
1 группа из 6
1 группа из 6
1 группа из 5
|
1 группа из 6
1 группа из 6
1 группа из 6
1 группа из 6
|
1 группа из 6
1 группа из 6
|
1 группа из 6
|
|
Лучшие 2 в четвертьфинал
|
Победитель в четвертьфинал
|
Лучшие 3 в полуфинал
|
Лучшие 3 в финал
|
||
|
Всего 43 участника
|
Всего 23 участника
|
Всего 24 участника
|
Всего 12 участников
|
Всего 6 участников
|
|
|
44 участника
|
1 группа из 4
1 группа из 4
1 группа из 4
1 группа из 4
1 группа из 4
1 группа из 4
1 группа из 5
1 группа из 5
1 группа из 5
1 группа из 5
|
1 группа из 6
1 группа из 6
1 группа из 6
1 группа из 6
|
1 группа из 6
1 группа из 6
1 группа из 6
1 группа из 6
|
1 группа из 6
1 группа из 6
|
1 группа из 6
|
|
Лучшие 2 в четвертьфинал
|
Победитель в четвертьфинал
|
Лучшие 3 в полуфинал
|
Лучшие 3 в финал
|
||
|
Всего 44 участника
|
Всего 24 участника
|
Всего 24 участника
|
Всего 12 участников
|
Всего 6 участников
|
|
|
45 участников
|
1 группа из 4
1 группа из 4
1 группа из 4
1 группа из 4
1 группа из 4
1 группа из 5
1 группа из 5
1 группа из 5
1 группа из 5
1 группа из 5
|
1 группа из 4
1 группа из 3
1 группа из 3
1 группа из 3
1 группа из 3
1 группа из 3
1 группа из 3
1 группа из 3
|
1 группа из 4
1 группа из 4
1 группа из 5
1 группа из 5
1 группа из 5
1 группа из 5
|
1 группа из 4
1 группа из 4
1 группа из 4
|
1 группа из 6
|
|
Лучшие 2 в четвертьфинал
|
Победитель в четвертьфинал
|
Лучшие 3 в полуфинал
|
Лучшие 2 в финал
|
||
|
Всего 45 участников
|
Всего 25 участников
|
Всего 28 участников
|
Всего 12 участников
|
Всего 6 участников
|
|
|
46 участников
|
1 группа из 4
1 группа из 4
1 группа из 4
1 группа из 4
1 группа из 5
1 группа из 5
1 группа из 5
1 группа из 5
1 группа из 5
1 группа из 5
|
1 группа из 4
1 группа из 4
1 группа из 3
1 группа из 3
1 группа из 3
1 группа из 3
1 группа из 3
1 группа из 3
|
1 группа из 4
1 группа из 4
1 группа из 5
1 группа из 5
1 группа из 5
1 группа из 5
|
1 группа из 4
1 группа из 4
1 группа из 4
|
1 группа из 6
|
|
Лучшие 2 в четвертьфинал
|
Победитель в четвертьфинал
|
Лучшие 3 в полуфинал
|
Лучшие 2 в финал
|
||
|
Всего 46 участников
|
Всего 26 участников
|
Всего 28 участников
|
Всего 12 участников
|
Всего 6 участников
|
|
|
47 участников
|
1 группа из 4
1 группа из 4
1 группа из 4
1 группа из 5
1 группа из 5
1 группа из 5
1 группа из 5
1 группа из 5
1 группа из 5
1 группа из 5
|
1 группа из 4
1 группа из 4
1 группа из 4
1 группа из 3
1 группа из 3
1 группа из 3
1 группа из 3
1 группа из 3
|
1 группа из 4
1 группа из 4
1 группа из 5
1 группа из 5
1 группа из 5
1 группа из 5
|
1 группа из 4
1 группа из 4
1 группа из 4
|
1 группа из 6
|
|
Лучшие 2 в четвертьфинал
|
Победитель в четвертьфинал
|
Лучшие 3 в полуфинал
|
Лучшие 2 в финал
|
||
|
Всего 46 участников
|
Всего 27 участников
|
Всего 28 участников
|
Всего 12 участников
|
Всего 6 участников
|
|
|
48 участников
|
1 группа из 4
1 группа из 4
1 группа из 5
1 группа из 5
1 группа из 5
1 группа из 5
1 группа из 5
1 группа из 5
1 группа из 5
1 группа из 5
|
1 группа из 4
1 группа из 4
1 группа из 4
1 группа из 4
1 группа из 3
1 группа из 3
1 группа из 3
1 группа из 3
|
1 группа из 4
1 группа из 4
1 группа из 5
1 группа из 5
1 группа из 5
1 группа из 5
|
1 группа из 4
1 группа из 4
1 группа из 4
|
1 группа из 6
|
|
Лучшие 2 в четвертьфинал
|
Победитель в четвертьфинал
|
Лучшие 2 в полуфинал
|
Лучшие 2 в финал
|
||
|
Всего 48 участников
|
Всего 28 участников
|
Всего 28 участников
|
Всего 12 участников
|
Всего 6 участников
|
|
|
49 участников
|
1 группа из 4
1 группа из 5
1 группа из 5
1 группа из 5
1 группа из 5
1 группа из 5
1 группа из 5
1 группа из 5
1 группа из 5
1 группа из 5
|
1 группа из 4
1 группа из 4
1 группа из 4
1 группа из 4
1 группа из 4
1 группа из 3
1 группа из 3
1 группа из 3
|
1 группа из 4
1 группа из 4
1 группа из 5
1 группа из 5
1 группа из 5
1 группа из 5
|
1 группа из 4
1 группа из 4
1 группа из 4
|
1 группа из 6
|
|
Лучшие 2 в четвертьфинал
|
Победитель в четвертьфинал
|
Лучшие 2 в полуфинал
|
Лучшие 2 в финал
|
||
|
Всего 49 участников
|
Всего 29 участников
|
Всего 28 участников
|
Всего 12 участников
|
Всего 6 участников
|
|
|
50 участников
|
1 группа из 5
1 группа из 5
1 группа из 5
1 группа из 5
1 группа из 5
1 группа из 5
1 группа из 5
1 группа из 5
1 группа из 5
1 группа из 5
|
1 группа из 4
1 группа из 4
1 группа из 4
1 группа из 4
1 группа из 4
1 группа из 4
1 группа из 3
1 группа из 3
|
1 группа из 4
1 группа из 4
1 группа из 5
1 группа из 5
1 группа из 5
1 группа из 5
|
1 группа из 4
1 группа из 4
1 группа из 4
|
1 группа из 6
|
|
Лучшие 2 в четвертьфинал
|
Победитель в четвертьфинал
|
Лучшие 2 в полуфинал
|
Лучшие 2 в финал
|
||
|
Всего 50 участников
|
Всего 30 участников
|
Всего 28 участников
|
Всего 12 участников
|
Всего 6 участников
|
|
|
51 участников
|
1 группа из 6
1 группа из 5
1 группа из 5
1 группа из 5
1 группа из 5
1 группа из 5
1 группа из 5
1 группа из 5
1 группа из 5
1 группа из 5
|
1 группа из 4
1 группа из 4
1 группа из 4
1 группа из 4
1 группа из 4
1 группа из 4
1 группа из 4
1 группа из 3
|
1 группа из 4
1 группа из 4
1 группа из 5
1 группа из 5
1 группа из 5
1 группа из 5
|
1 группа из 4
1 группа из 4
1 группа из 4
|
1 группа из 6
|
|
Лучшие 2 в четвертьфинал
|
Победитель в четвертьфинал
|
Лучшие 2 в полуфинал
|
Лучшие 2 в финал
|
||
|
Всего 51 участник
|
Всего 31 участник
|
Всего 28 участников
|
Всего 12 участников
|
Всего 6 участников
|
|
|
52 участника
|
1 группа из 6
1 группа из 6
1 группа из 5
1 группа из 5
1 группа из 5
1 группа из 5
1 группа из 5
1 группа из 5
1 группа из 5
1 группа из 5
|
1 группа из 4
1 группа из 4
1 группа из 4
1 группа из 4
1 группа из 4
1 группа из 4
1 группа из 4
1 группа из 4
|
1 группа из 4
1 группа из 4
1 группа из 5
1 группа из 5
1 группа из 5
1 группа из 5
|
1 группа из 4
1 группа из 4
1 группа из 4
|
1 группа из 6
|
|
Лучшие 2 в четвертьфинал
|
Победитель в четвертьфинал
|
Лучшие 2 в полуфинал
|
Лучшие 2 в финал
|
||
|
Всего 52 участника
|
Всего 32 участника
|
Всего 28 участников
|
Всего 12 участников
|
Всего 6 участников
|
|
|
53 участника
|
1 группа из 6
1 группа из 6
1 группа из 6
1 группа из 5
1 группа из 5
1 группа из 5
1 группа из 5
1 группа из 5
1 группа из 5
1 группа из 5
|
1 группа из 4
1 группа из 4
1 группа из 4
1 группа из 4
1 группа из 4
1 группа из 4
1 группа из 4
1 группа из 5
|
1 группа из 4
1 группа из 4
1 группа из 5
1 группа из 5
1 группа из 5
1 группа из 5
|
1 группа из 4
1 группа из 4
1 группа из 4
|
1 группа из 6
|
|
Лучшие 2 в четвертьфинал
|
Победитель в четвертьфинал
|
Лучшие 2 в полуфинал
|
Лучшие 2 в финал
|
||
|
Всего 53 участника
|
Всего 33 участника
|
Всего 28 участников
|
Всего 12 участников
|
Всего 6 участников
|
|
|
54 участника
|
1 группа из 6
1 группа из 6
1 группа из 6
1 группа из 6
1 группа из 5
1 группа из 5
1 группа из 5
1 группа из 5
1 группа из 5
1 группа из 5
|
1 группа из 4
1 группа из 4
1 группа из 4
1 группа из 4
1 группа из 4
1 группа из 4
1 группа из 5
1 группа из 5
|
1 группа из 4
1 группа из 4
1 группа из 5
1 группа из 5
1 группа из 5
1 группа из 5
|
1 группа из 4
1 группа из 4
1 группа из 4
|
1 группа из 6
|
|
Лучшие 2 в четвертьфинал
|
Победитель в четвертьфинал
|
Лучшие 2 в полуфинал
|
Лучшие 2 в финал
|
||
|
Всего 54 участника
|
Всего 34 участника
|
Всего 28 участников
|
Всего 12 участников
|
Всего 6 участников
|
|
|
55 участников
|
1 группа из 6
1 группа из 6
1 группа из 6
1 группа из 6
1 группа из 6
1 группа из 5
1 группа из 5
1 группа из 5
1 группа из 5
1 группа из 5
|
1 группа из 4
1 группа из 4
1 группа из 4
1 группа из 4
1 группа из 4
1 группа из 5
1 группа из 5
1 группа из 5
|
1 группа из 4
1 группа из 4
1 группа из 5
1 группа из 5
1 группа из 5
1 группа из 5
|
1 группа из 4
1 группа из 4
1 группа из 4
|
1 группа из 6
|
|
Лучшие 2 в четвертьфинал
|
Победитель в четвертьфинал
|
Лучшие 2 в полуфинал
|
Лучшие 2 в финал
|
||
|
Всего 55 участников
|
Всего 35 участников
|
Всего 28 участников
|
Всего 12 участников
|
Всего 6 участников
|
|
|
56 участников
|
1 группа из 6
1 группа из 6
1 группа из 6
1 группа из 6
1 группа из 6
1 группа из 6
1 группа из 5
1 группа из 5
1 группа из 5
1 группа из 5
|
1 группа из 4
1 группа из 4
1 группа из 4
1 группа из 4
1 группа из 5
1 группа из 5
1 группа из 5
1 группа из 5
|
1 группа из 4
1 группа из 4
1 группа из 5
1 группа из 5
1 группа из 5
1 группа из 5
|
1 группа из 4
1 группа из 4
1 группа из 4
|
1 группа из 6
|
|
Лучшие 2 в четвертьфинал
|
Победитель в четвертьфинал
|
Лучшие 2 в полуфинал
|
Лучшие 2 в финал
|
||
|
Всего 56 участников
|
Всего 36 участников
|
Всего 28 участников
|
Всего 12 участников
|
Всего 6 участников
|
|
|
57 участников
|
1 группа из 6
1 группа из 6
1 группа из 6
1 группа из 6
1 группа из 6
1 группа из 6
1 группа из 6
1 группа из 5
1 группа из 5
1 группа из 5
|
1 группа из 4
1 группа из 4
1 группа из 4
1 группа из 5
1 группа из 5
1 группа из 5
1 группа из 5
1 группа из 5
|
1 группа из 4
1 группа из 4
1 группа из 5
1 группа из 5
1 группа из 5
1 группа из 5
|
1 группа из 4
1 группа из 4
1 группа из 4
|
1 группа из 6
|
|
Лучшие 2 в четвертьфинал
|
Победитель в четвертьфинал
|
Лучшие 2 в полуфинал
|
Лучшие 2 в финал
|
||
|
Всего 57 участников
|
Всего 37 участников
|
Всего 28 участников
|
Всего 12 участников
|
Всего 6 участников
|
|
|
58 участников
|
1 группа из 6
1 группа из 6
1 группа из 6
1 группа из 6
1 группа из 6
1 группа из 6
1 группа из 6
1 группа из 6
1 группа из 5
1 группа из 5
|
1 группа из 4
1 группа из 4
1 группа из 5
1 группа из 5
1 группа из 5
1 группа из 5
1 группа из 5
1 группа из 5
|
1 группа из 4
1 группа из 4
1 группа из 5
1 группа из 5
1 группа из 5
1 группа из 5
|
1 группа из 4
1 группа из 4
1 группа из 4
|
1 группа из 6
|
|
Лучшие 2 в четвертьфинал
|
Победитель в четвертьфинал
|
Лучшие 2 в полуфинал
|
Лучшие 2 в финал
|
||
|
Всего 58 участников
|
Всего 38 участников
|
Всего 28 участников
|
Всего 12 участников
|
Всего 6 участников
|
|
|
59 участников
|
1 группа из 6
1 группа из 6
1 группа из 6
1 группа из 6
1 группа из 6
1 группа из 6
1 группа из 6
1 группа из 6
1 группа из 6
1 группа из 5
|
1 группа из 4
1 группа из 5
1 группа из 5
1 группа из 5
1 группа из 5
1 группа из 5
1 группа из 5
1 группа из 5
|
1 группа из 4
1 группа из 4
1 группа из 5
1 группа из 5
1 группа из 5
1 группа из 5
|
1 группа из 4
1 группа из 4
1 группа из 4
|
1 группа из 6
|
|
Лучшие 2 в четвертьфинал
|
Победитель в четвертьфинал
|
Лучшие 2 в полуфинал
|
Лучшие 2 в финал
|
||
|
Всего 59 участников
|
Всего 39 участников
|
Всего 28 участников
|
Всего 12 участников
|
Всего 6 участников
|
|
|
60 участников
|
1 группа из 6
1 группа из 6
1 группа из 6
1 группа из 6
1 группа из 6
1 группа из 6
1 группа из 6
1 группа из 6
1 группа из 6
1 группа из 6
|
1 группа из 5
1 группа из 5
1 группа из 5
1 группа из 5
1 группа из 5
1 группа из 5
1 группа из 5
1 группа из 5
|
1 группа из 4
1 группа из 4
1 группа из 5
1 группа из 5
1 группа из 5
1 группа из 5
|
1 группа из 4
1 группа из 4
1 группа из 4
|
1 группа из 6
|
|
Лучшие 2 в четвертьфинал
|
Победитель в четвертьфинал
|
Лучшие 2 в полуфинал
|
Лучшие 2 в финал
|
||
|
Всего 60 участников
|
Всего 40 участников
|
Всего 28 участников
|
Всего 12 участников
|
Всего 6 участников
|
Приложение С
ТАБЛИЦА
КРУГОВ СОРЕВНОВАНИЙ В ДИСЦИПЛИНАХ КАТЕР - ДОСКА КОРОТКАЯ,
КАТЕР - ДОСКА ДЛИННАЯ
|
Количество
|
Квалификация
|
LCQ
|
Четвертьфинал
|
Полуфинал
|
Финал
|
|
3 участника
|
1 заезд 3 участника
Всего 3 участника
|
-
|
-
|
-
|
1 заезд 3 участника
Всего 3 участника
|
|
4 участника
|
1 заезд 4 участника
Всего 4 участника
|
-
|
-
|
-
|
1 заезд 4 участника
Всего 4 участника
|
|
5 участников
|
1 заезд 5 участников
Всего 5 участников
|
-
|
-
|
-
|
1 заезд 5 участников
Всего 5 участников
|
|
6 участников
|
1 заезд 6 участников
Всего 6 участников
|
-
|
-
|
-
|
1 заезд 6 участников
Всего 6 участников
|
|
7 участников
|
1 заезд 4 участников
1 заезд 3 участников
Лучшие 2 в финал
Всего 7 участников
|
1 заезд 3 участника
|
-
|
-
|
1 заезд 6 участников
Всего 6 участников
|
|
Лучшие 2 LCQ в финал
Всего 3 участника
|
|||||
|
8 участников
|
1 заезд 4 участников
1 заезд 4 участников
Лучшие 2 в финал
Всего 8 участников
|
1 заезд 4 участника
|
-
|
-
|
1 заезд 6 участников
Всего 6 участников
|
|
Лучшие 2 LCQ в финал
Всего 4 участника
|
|||||
|
9 участников
|
1 заезд 5 участников
1 заезд 4 участников
Лучшие 2 в финал
Всего 9 участников
|
1 заезд 5 участников
|
-
|
-
|
1 заезд 6 участников
Всего 6 участников
|
|
Лучшие 2 LCQ в финал
Всего 5 участников
|
|||||
|
10 участников
|
1 заезд 5 участников
1 заезд 5 участников
Лучшие 2 в финал
Всего 10 участников
|
1 заезд 6 участников
|
-
|
-
|
1 заезд 6 участников
Всего 6 участников
|
|
Лучшие 2 LCQ в финал
Всего 6 участников
|
|||||
|
11 участников
|
1 заезд 6 участников
1 заезд 5 участников
Лучшие 2 в финал
Всего 11 участников
|
1 заезд 3 участника
1 заезд 4 участника
Победители LCQ в финал
Всего 7 участников
|
-
|
-
|
1 заезд 6 участников
Всего 6 участников
|
|
12 участников
|
1 заезд 6 участников
1 заезд 6 участников
Лучшие 2 в финал
Всего 10 участников
|
1 заезд 4 участника
1 заезд 4 участника
Победители LCQ в финал
Всего 8 участников
|
-
|
-
|
1 заезд 6 участников
Всего 6 участников
|
|
13 участников
|
1 заезд 4 участников
1 заезд 4 участников
1 заезд 5 участников
Лучшие 3 в полуфинал
Всего 13 участников
|
1 заезд 4 участника
|
-
|
1 заезд 5 участников
1 заезд 5 участников
|
1 заезд 6 участников
Всего 6 участников
|
|
Победитель LCQ в полуфинал
Всего 4 участника
|
|||||
|
Лучшие 3 в финал
Всего 10 участников
|
|||||
|
14 участников
|
1 заезд 4 участников
1 заезд 5
|
1 заезд 5 участников
|
-
|
1 заезд 5 участников
1 заезд 5 участников
|
1 заезд 6 участников
Всего 6 участников
|
|
участников
1 заезд 5 участников
Лучшие 3 в полуфинал
Всего 14 участников
|
Победитель LCQ в полуфинал
Всего 5 участников
|
||||
|
Лучшие 3 в финал
Всего 10 участников
|
|||||
|
15 участников
|
1 заезд 5 участников
1 заезд 5 участников
1 заезд 5 участников
Лучшие 3 в полуфинал
Всего 15 участников
|
1 заезд 6 участников
|
-
|
1 заезд 5 участников
1 заезд 5 участников
|
1 заезд 6 участников
Всего 6 участников
|
|
Победитель LCQ в полуфинал
Всего 6 участников
|
|||||
|
Лучшие 3 в финал
Всего 10 участников
|
|||||
|
16 участников
|
1 заезд 4 участника
1 заезд 4 участника
1 заезд 4 участника
1 заезд 4 участника
Лучшие 2 в полуфинал
Всего 16 участников
|
1 заезд 4 участника
1 заезд 4 участника
|
-
|
1 заезд 5 участников
1 заезд 5 участников
|
1 заезд 6 участников
Всего 6 участников
|
|
Победители LCQ в полуфинал
Всего 8 участников
|
|||||
|
Лучшие 3 в финал
Всего 10 участников
|
|||||
|
17 участников
|
1 заезд 4 участника
1 заезд 4 участника
1 заезд 4 участника
1 заезд 5 участников
Лучшие 2 в полуфинал
Всего 17 участников
|
1 заезд 4 участника
1 заезд 5 участников
|
-
|
1 заезд 5 участников
1 заезд 5 участников
|
1 заезд 6 участников
Всего 6 участников
|
|
Победители LCQ в полуфинал
Всего 9 участников
|
|||||
|
Лучшие 3 в финал
Всего 10 участников
|
|||||
|
18 участников
|
1 заезд 4 участника
1 заезд 4 участника
1 заезд 5 участников
1 заезд 5 участников
Лучшие 2 в полуфинал
Всего 18 участников
|
1 заезд 5 участников
1 заезд 5 участников
|
-
|
1 заезд 5 участников
1 заезд 5 участников
|
1 заезд 6 участников
Всего 6 участников
|
|
Победители LCQ в полуфинал
Всего 10 участников
|
|||||
|
Лучшие 3 в финал
Всего 10 участников
|
|||||
|
19 участников
|
1 заезд 4 участника
1 заезд 5 участников
1 заезд 5 участников
1 заезд 5 участников
Лучшие 2 в полуфинал
Всего 19 участников
|
1 заезд 5 участников
1 заезд 6 участников
|
-
|
1 заезд 5 участников
1 заезд 5 участников
|
1 заезд 6 участников
Всего 6 участников
|
|
Победители LCQ в полуфинал
Всего 11 участников
|
|||||
|
Лучшие 3 в финал
Всего 10 участников
|
|||||
|
20 участников
|
1 заезд 5 участников
1 заезд 5 участников
1 заезд 5 участников
1 заезд 5 участников
Лучшие 2 в полуфинал
Всего 20 участников
|
1 заезд 6 участников
1 заезд 6 участников
|
-
|
1 заезд 5 участников
1 заезд 5 участников
|
1 заезд 6 участников
Всего 6 участников
|
|
Победители LCQ в полуфинал
Всего 12 участников
|
|||||
|
Лучшие 3 в финал
Всего 10 участников
|
|||||
|
21 участник
|
1 заезд 4 участника
1 заезд 4 участника
1 заезд 4 участника
1 заезд 4 участника
1 заезд 5 участников
Лучшие 2 в полуфинал
Всего 21 участник
|
1 заезд 6 участников
1 заезд 5 участников
|
-
|
1 заезд 6 участников
1 заезд 6 участников
|
1 заезд 6 участников
Всего 6 участников
|
|
Победители LCQ в полуфинал
Всего 11 участников
|
|||||
|
Лучшие 3 в финал
Всего 12 участников
|
|||||
|
22 участника
|
1 заезд 4 участника
1 заезд 4 участника
1 заезд 4 участника
1 заезд 5 участников
1 заезд 5 участников
Лучшие 2 в полуфинал
Всего 22 участника
|
1 заезд 6 участников
1 заезд 6 участников
|
-
|
1 заезд 6 участников
1 заезд 6 участников
|
1 заезд 6 участников
Всего 6 участников
|
|
Победители LCQ в полуфинал
Всего 12 участников
|
|||||
|
Лучшие 3 в финал
Всего 12 участников
|
|||||
|
23 участника
|
1 заезд 4 участника
1 заезд 4 участника
1 заезд 5 участников
1 заезд 5 участников
1 заезд 5 участников
Лучшие 3 в четвертьфинал
Всего 23 участника
|
1 заезд 4 участника
1 заезд 4 участника
|
1 заезд 4 участника
1 заезд 5 участника
1 заезд 5 участников
1 заезд 5 участников
|
1 заезд 6 участников
1 заезд 6 участников
|
1 заезд 6 участников
Всего 6 участников
|
|
Лучшие 2 LCQ в четвертьфинал
Всего 89 участников
|
|||||
|
Лучшие 3 в финал
Всего 12 участников
|
|||||
|
Лучшие 3 в полуфинал
Всего 19 участников
|
|||||
|
24 участника
|
1 заезд 4 участника
1 заезд 5 участников
1 заезд 5 участников
1 заезд 5 участников
1 заезд 5 участников
Лучшие 3 в четвертьфинал
Всего 24 участника
|
1 заезд 4 участника
1 заезд 5 участников
|
1 заезд 4 участника
1 заезд 5 участника
1 заезд 5 участников
1 заезд 5 участников
|
1 заезд 6 участников
1 заезд 6 участников
|
1 заезд 6 участников
Всего 6 участников
|
|
Лучшие 2 LCQ в четвертьфинал
Всего 9 участников
|
|||||
|
Лучшие 3 в финал
Всего 12 участников
|
|||||
|
Лучшие 3 в полуфинал
Всего 19 участников
|
|||||
|
25 участников
|
1 заезд 5 участников
1 заезд 5 участников
1 заезд 5 участников
1 заезд 5 участников
1 заезд 5 участников
Лучшие 3 в четвертьфинал
Всего 25 участников
|
1 заезд 5 участников
1 заезд 5 участников
|
1 заезд 4 участника
1 заезд 5 участника
1 заезд 5 участников
1 заезд 5 участников
|
1 заезд 6 участников
1 заезд 6 участников
|
1 заезд 6 участников
Всего 6 участников
|
|
Лучшие 2 LCQ в четвертьфинал
Всего 10 участников
|
|||||
|
Лучшие 3 в финал
Всего 12 участников
|
|||||
|
Лучшие 3 в полуфинал
Всего 19 участников
|
|||||
|
26 участников
|
1 заезд 6 участников
1 заезд 5 участников
1 заезд 5 участников
1 заезд 5 участников
1 заезд 5 участников
Лучшие 3 в четвертьфинал
Всего 26 участников
|
1 заезд 6 участников
1 заезд 5 участников
|
1 заезд 4 участника
1 заезд 5 участника
1 заезд 5 участников
1 заезд 5 участников
|
1 заезд 6 участников
1 заезд 6 участников
|
1 заезд 6 участников
Всего 6 участников
|
|
Лучшие 2 LCQ в четвертьфинал
Всего 11 участников
|
|||||
|
Лучшие 3 в финал
Всего 12 участников
|
|||||
|
Лучшие 3 в полуфинал
Всего 19 участников
|
|||||
|
27 участников
|
1 заезд 6 участников
1 заезд 6 участников
1 заезд 5 участников
1 заезд 5 участников
1 заезд 5 участников
Лучшие 3 в четвертьфинал
Всего 27 участников
|
1 заезд 6 участников
1 заезд 6 участников
|
1 заезд 4 участника
1 заезд 5 участника
1 заезд 5 участников
1 заезд 5 участников
|
1 заезд 6 участников
1 заезд 6 участников
|
1 заезд 6 участников
Всего 6 участников
|
|
Лучшие 2 LCQ в четвертьфинал
Всего 12 участников
|
|||||
|
Лучшие 3 в финал
Всего 12 участников
|
|||||
|
Лучшие 3 в полуфинал
Всего 19 участников
|
|||||
|
28 участников
|
1 заезд 6 участников
1 заезд 6 участников
1 заезд 6 участников
1 заезд 5 участников
1 заезд 5 участников
Лучшие 3 в четвертьфинал
Всего 28 участников
|
1 заезд 4 участника
1 заезд 4 участника
1 заезд 5 участников
|
1 заезд 4 участника
1 заезд 4 участника
1 заезд 5 участников
1 заезд 5 участников
|
1 заезд 6 участников
1 заезд 6 участников
|
1 заезд 6 участников
Всего 6 участников
|
|
Победители LCQ в четвертьфинал
Всего 13 участников
|
Лучшие 3 в финал
Всего 12 участников
|
||||
|
Лучшие 3 в полуфинал
Всего 18 участников
|
|||||
|
29 участников
|
1 заезд 4 участников
1 заезд 5 участников
1 заезд 5 участников
1 заезд 5 участников
1 заезд 5 участников
1 заезд 5 участников
Лучшие 3 в четвертьфинал
Всего 29 участников
|
1 заезд 6 участников
1 заезд 5 участников
|
1 заезд 5 участников
1 заезд 5 участников
1 заезд 5 участников
1 заезд 5 участников
|
1 заезд 6 участников
1 заезд 6 участников
|
1 заезд 6 участников
Всего 6 участников
|
|
Победители LCQ в четвертьфинал
Всего 11 участников
|
|||||
|
Лучшие 3 в финал
Всего 12 участников
|
|||||
|
Лучшие 3 в полуфинал
Всего 20 участников
|